Цена по запросу.
Скачать полное описание
Технические характеристики
| Типоразмеры DN | 15-50 |
| Номинальное давление PN | 40 бар |
| Максимальная температура рабочей среды Tmax | 220 °С |
| Рабочая среда | Водяной пар |
| Расположение на трубопроводе | Горизонтально, вертикально |
| Тип присоединения |
ТБ131 – Внутренняя резьба R |
| ТБ133 – Фланцевый по ГОСТ 33259-2015 |
Ограничения применения
| Давление рабочей среды, бар | Максимальная температура рабочей среды, °С |
| 37 | 220 |
| 37,9 | 200 |
| 39,1 | 150 |
| 40 | 100 |
Пропускная способность, кг/ч
| DN | Перепад давления, бар | ||||||||
| 1 | 2 | 4 | 6 | 8 | 10 | 14 | 21 | 28 | |
| 15–25 | 330 | 410 | 500 | 630 | 730 | 810 | 890 | 950 | 1000 |
| 32-50 | 450 | 560 | 650 | 810 | 900 | 1000 | 1170 | 1340 | 1480 |
Спецификация материалов

| № | Наименование | Материал |
| 1 | Корпус | Cталь WCB |
| 2 | Седло | Сталь 20X13 |
| 3 | Плунжер | Сталь 20X13 |
| 4 | Биметаллический элемент | Биметалл |
| 5 | Распорное кольцо | Cталь AISI 304 |
| 6 | Фильтр | Cталь AISI 304 |
| 7 | Крышка | Cталь WCB |
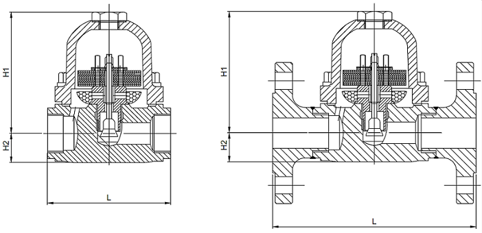
Габаритные размеры

|
DN |
L, мм |
H1, мм |
H2, мм |
Масса, кг |
||
|
ТБ131 |
ТБ133 |
ТБ131 |
ТБ133 |
|||
|
15 (½”) |
95 |
170 |
100 |
22 |
2,6 |
4,8 |
|
20 (¾”) |
95 |
170 |
100 |
22 |
2,6 |
4,8 |
|
25 (1”) |
95 |
175 |
100 |
22 |
2,9 |
5,1 |
|
32 (1 ¼”) |
150 |
250 |
130 |
37 |
4,3 |
6,5 |
|
40 (1 ½”) |
160 |
265 |
130 |
37 |
4,4 |
6,6 |
|
50 (2”) |
150 |
270 |
130 |
37 |
4,9 |
8,0 |
Скачать

Скачать ТР ТС 010

Скачать ТР ТС 032

Скачать СЕРТЭНЕРГО

Скачать сертификат сейсмостойкости
Информация о доставке
Скачать опросный лист для конденсатоотводчиков





