Четвертьоборотный электропривод ГЗ-ОФ-150/22 М, 24 В

ГЗ ЭЛЕКТРОПРИВОД

  • Применение: для четвертьоборотной запорной арматуры.
  • Климатическое исполнение: по ГОСТ 15150-69; (У1).
  • Рабочая температура: от -30º до +40º С. (У1);
  • Производство: Россия.
  • Вес: 11 кг.
В зависимости от размера заказа предоставляются скидки

Цена по запросу

Подберём решение под вашу задачу

Подготовим подбор по параметрам объекта, предложим совместимые варианты и отправим коммерческое предложение.

  • Подбор аналога по ТЗ и бюджету
  • Сверка совместимости перед поставкой
  • Консультация по срокам и комплектации

Категория: Четвертьоборотные электроприводы

Полезные материалы:

Оставить заявку на подбор

Характеристики

  • Применение: для четвертьоборотной запорной арматуры.
  • Климатическое исполнение: по ГОСТ 15150-69; (У1).
  • Рабочая температура: от -30º до +40º С. (У1);
  • Производство: Россия.
  • Вес: 11 кг.

Основные характеристики:

  • Напряжение питания: постоянный 24В.
  • Относительная влажность (верхнее значение) 100% при 25° С.
  • Защита корпуса по IP-65 (по заказау IP67 и IP68).
  • Выходной крутящий момент: 150 Нм.
  • Время оборота выходного вала на 90 °, сек.: 22.
  • Номинальный потребляемый ток: 2.5 А.
  • Потребляемая мощность: 60 Вт.
Изображение Четвертьоборотный электропривод ГЗ-ОФ-150/22 М, 24 В

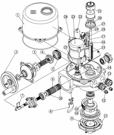
Устройство:

1 крышка
2 вал ручного привода
3 пружина муфты ручного привода
4 муфта
5 червячный вал силовой передачи
6 шестерня червячной передачи электродвигателя
7 рычаг переключения режимов
8 вал переключателя режимов работы
9 торсионная пружина
10 эксцентрик
11 соединительная втулка привода с арматурой
12 кабельный ввод
13а выходной вал
13б червячное колесо выходного вала
14 механические упоры
15 алюминиевый корпус
16 клеммные колодки
17 концевые микровыключатели
18 кулачки концевых микровыключателей
19 указатель положения
20 окно указателя положения
21 конденсатор (только для 220В)
22 нагревательный элемент
23 электродвигатель
24 червячный вал электродвигателя
25 вал указателя положения
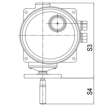
Чертеж Четвертьоборотный электропривод ГЗ-ОФ-150/22 М, 24 В
Эскиз Четвертьоборотный электропривод ГЗ-ОФ-150/22 М, 24 В

Эскиз электропривода 24 В вид спереди

Эскиз Четвертьоборотный электропривод ГЗ-ОФ-150/22 М, 24 В

Эскиз электропривода 24 В вид сверху

Электрическая схема подключения 24 В

Электрическая схема подключения электропривода 24 В