Характеристики
| 
 Основные характеристики:
 |  | |||||||||||||||||||||||||||||||||||||||||||||||||||||
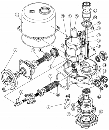
| Устройство:
 |  | |||||||||||||||||||||||||||||||||||||||||||||||||||||
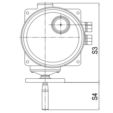
|  Эскиз электропривода 380 В вид спереди |  Эскиз электропривода 380 В вид сверху | |||||||||||||||||||||||||||||||||||||||||||||||||||||
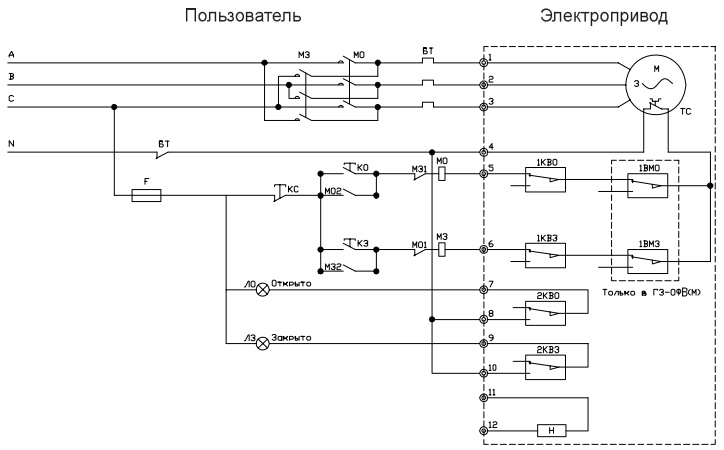
|  Электрическая схема подключения электропривода 380 В | ||||||||||||||||||||||||||||||||||||||||||||||||||||||
Цена по запросу
| 
 Основные характеристики:
 |  | |||||||||||||||||||||||||||||||||||||||||||||||||||||
| Устройство:
 |  | |||||||||||||||||||||||||||||||||||||||||||||||||||||
|  Эскиз электропривода 380 В вид спереди |  Эскиз электропривода 380 В вид сверху | |||||||||||||||||||||||||||||||||||||||||||||||||||||
|  Электрическая схема подключения электропривода 380 В | ||||||||||||||||||||||||||||||||||||||||||||||||||||||