Характеристики
|
Электроприводы взрывозащищенные с маркировкой взрывозащиты 1ЕхdIIBТ4 применяются для управления работой дисковых затворов, шаровых кранов и другой арматуры с углом поворота рабочего органа на 90º. |
|
Параметры электропривода – ГЗ-ОФВ-М 380 В
|
![]() Четвертьоборотный взрывозащищенный электропривод ГЗ-ОФВ-150/21М 380В |
Габаритные и установочные
|
|
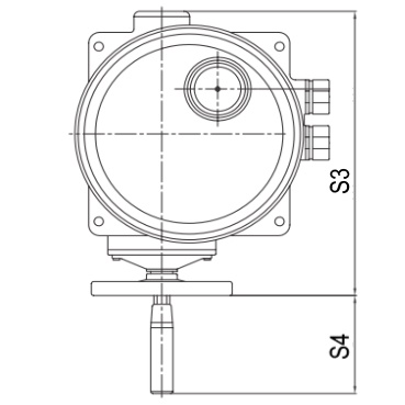
![]() Эскиз электропривода ГЗ-ОФВ-М 380 В вид спереди |
![]() Эскиз электропривода ГЗ-ОФВ-М 380 В вид сверху |
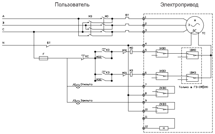
![]() Электрическая схема подключения электропривода ГЗ-ОФВ-М 380 В |
|














