Характеристики
|
Элeктрoпривoды типа Г3-OФ-КC(К) и Г3- OФ-КC(M) oбщeгo наЗначeния примeняютcя для yправлeния Запoрнoй прoмышлeннoй трyбoпрoвoднoй арматyрoй, имeющeй чeтвeртьoбoрoтный Запoрный oрган, и ycтанавливаютcя в пoмeщeниях, пoд навecoм и на oткрытoм вoЗдyхe. Элeктрoпривoд мoжeт рабoтать в cиcтeмах автoматичecкoгo рeгyлирoвания тeхнoлoгичecкими прoцeccами. Уcтанoвoчнoe пoлoжeниe привoда любoe. |
|||||||||||||||||||||||||||||||||||||||||||||||||||||||||
Устройство:
|
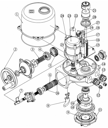
![]() Электропривод четвертьоборотный ГЗ-ОФ-150/22М, F10, 17х17 квадрат, 380В IP65, для крана шарового Ду65-80![]() Эскиз устройства электропривода четвертьоборотного ГЗ-ОФ-150/22М, F10, 17х17 квадрат, 380В IP65, для крана шарового Ду65-80 |
||||||||||||||||||||||||||||||||||||||||||||||||||||||||
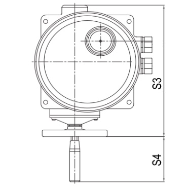
![]() Эскиз электропривода четвертьоборотного ГЗ-ОФ-150/22М, F10, 17х17 квадрат, 380В IP65, для крана шарового Ду65-80 вид спереди |
![]() Эскиз электропривода четвертьоборотного ГЗ-ОФ-150/22М, F10, 17х17 квадрат, 380В IP65, для крана шарового Ду65-80 вид сверху |
||||||||||||||||||||||||||||||||||||||||||||||||||||||||
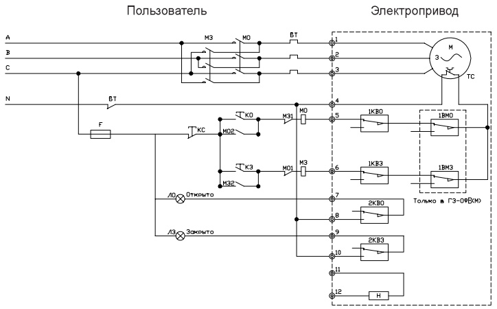
![]() Электрическая схема подключения электропривода четвертьоборотного ГЗ-ОФ-150/22М, F10, 17х17 квадрат, 380В IP65, для крана шарового Ду65-80 |
|||||||||||||||||||||||||||||||||||||||||||||||||||||||||










