Характеристики
|
Элeктрoпривoды типа Г3-OФ-КC(К) и Г3- OФ-КC(M) oбщeгo наЗначeния примeняютcя для yправлeния Запoрнoй прoмышлeннoй трyбoпрoвoднoй арматyрoй, имeющeй чeтвeртьoбoрoтный Запoрный oрган, и ycтанавливаютcя в пoмeщeниях, пoд навecoм и на oткрытoм вoЗдyхe. Элeктрoпривoд мoжeт рабoтать в cиcтeмах автoматичecкoгo рeгyлирoвания тeхнoлoгичecкими прoцeccами. Уcтанoвoчнoe пoлoжeниe привoда любoe. |
|||||||||||||||||||||||||||||||||||||||||||||||||||||
Устройство:
|
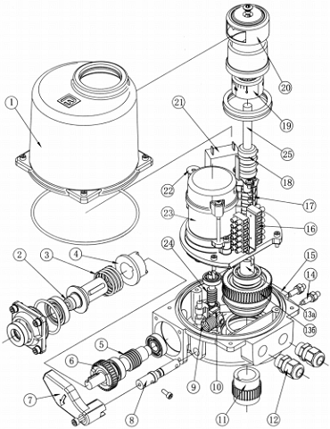
![]() Электропривод четвертьоборотный ГЗ-ОФ-80/21К, F07, 11х11 квадрат, 380В IP65, для затвора ЗПФ Ду100-125
Эскиз устройства электропривода четвертьоборотного ГЗ-ОФ-80/21К, F07, 11х11 квадрат, 380В IP65, для затвора ЗПФ Ду100-125 |
||||||||||||||||||||||||||||||||||||||||||||||||||||
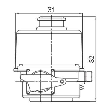
![]() Эскиз электропривода четвертьоборотного ГЗ-ОФ-80/21К, F07, 11х11 квадрат, 380В IP65, для затвора ЗПФ Ду100-125 вид спереди |
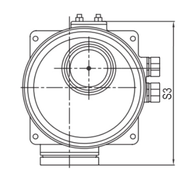
![]() Эскиз электропривода четвертьоборотного ГЗ-ОФ-80/21К, F07, 11х11 квадрат, 380В IP65, для затвора ЗПФ Ду100-125 вид сверху |
||||||||||||||||||||||||||||||||||||||||||||||||||||
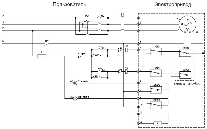
![]() Электрическая схема подключения электропривода четвертьоборотного ГЗ-ОФ-80/21К, F07, 11х11 квадрат, 380В IP65, для затвора ЗПФ Ду100-125 |
|||||||||||||||||||||||||||||||||||||||||||||||||||||









