Характеристики
| Электроприводы с двухсторонней муфтой типов ГЗ-А, ГЗ-Б, ГЗ-В, ГЗ-Г, ГЗ-Д общего назначения применяются для управления запорной промышленной трубопроводной арматуры, устанавливаемой в помещениях, под навесом и на открытом воздухе. Электроприводы предназначены для дистанционного и местного управления запорной арматурой. | |||||||||||||||||||||||||||||||||||||||||
| Параметры многооборотного электропривода ГЗ-А.100/48-380
 |   Электропривод многооборотный ГЗ-А.100/48, 380 В | ||||||||||||||||||||||||||||||||||||||||
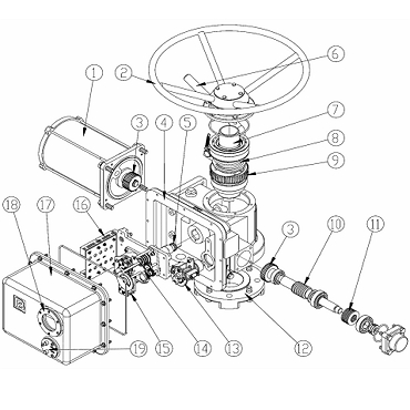
| Устройство многооборотного электропривода ГЗ-А.100/48-380
 |   Устройство многооборотного электропривода ГЗ-А.100/48-380 | ||||||||||||||||||||||||||||||||||||||||






 
				 
				 
				 
				 
				 
				 
				 
				 
				 
				 
				