Характеристики
| 
 Многооборотные электроприводы ГЗ предназначены для широкого диапазона многооборотной арматуры. Они обеспечивают надежное позиционное управление любыми видами запорной арматуры и другим подобным оборудованием, с крутящим моментом от 50 до 5000 Нм. В сочетании с дополнительным редуктором можно увеличить крутящий момент до 80000 Нм, например, для затворов или шаровых кранов больших диаметров. | |||||||||||||||||||||||||||||||||||||||||
| Параметры электропривода многооборотного ГЗ-Б200/36, 380В IP65:
 |  Электропривод многооборотный ГЗ-Б200/36, 380В IP65 | ||||||||||||||||||||||||||||||||||||||||
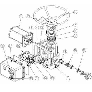
| Устройство электропривода многооборотного ГЗ-Б200/36, 380В IP65:
 |   Устройство электропривода многооборотного ГЗ-Б200/36, 380В IP65 | ||||||||||||||||||||||||||||||||||||||||






 
				 
				 
				 
				 
				 
				 
				 
				 
				 
				 
				