Купить электроприводы со встроенным регулятором температуры для отопления и гвс.
Принцип работы заключается в управлении регулирующим клапаном с целью поддержании температуры на выходе контура регулирования в соответствии с заданным значением или в соответствии с температурным (недельным) графиком по ПИД- законам регулирования.
Такие электроприводы со встроенным регулятором температуры для отопления и гвс в процессе регулирования производит постоянный опрос датчиков температуры и периодически, с интервалом времени (периодом регулирования), определяемым тепловой инерцией объекта регулирования на возмущающее воздействие, выдает сигналы управления на шаговый двигатель с длительностью, определяемой рассогласованием между измеренной температурой и заданной, скоростью ее изменения на момент регулирования и заданными коэффициентами регулирования.
Программное обеспечение обеспечивает в автоматическом режиме быструю (за 20-30 минут) адаптацию коэффициентов регулирования к параметрам объекта управления и дальнейшую их автоматическую подстройку при изменении параметров объекта в процессе эксплуатации. При этом для большинства объектов управления отсутствует необходимость в изменении заводских уставок коэффициентов регулирования.
Выбор номера программы, задание режимов работы , значений температуры или температурного графика, коэффициентов регулирования и программирование дополнительных функций производится с клавиатуры блока в диалоговом режиме работы с информационными «окнами», выводимыми на ЖКИ — индикатор. Работа с информационными «окнами» осуществляется с помощью клавиатуры, расположенной на передней панели блока.
Отличительные особенности электроприводов со встроенным регулятором температуры для СО и ГВС:
- панель управления с ЖКИ дисплеем и клавиатурой, встроенная в корпус привода;
- три канала измерения температуры для датчиков с НСХ типа Pt500 или Pt1000;
- встроенный программный ПИД-регулятор;
- электронная защита привода от перегрузки;
- энергонезависимая память;
- таймер;
- интерфейс связи RS-485;
- протокол обмена данными Modbus RTU.
Обозначение при заказе электроприводов со встроенным регулятором температуры для СО и ГВС:

Пример обозначения ЭИМ со встроенным регулятором температуры для СО и ГВС:
- Механизм исполнительный электрический прямоходный ВЭП-225М-700/63-20-220В,50Гц-IP54.
Механизм исполнительный электрический прямоходный ВЭП, устанавливаемый на клапан регулирующий проходной седельный ВКСР, с номинальным усилием 700Н, с номинальным временем полного хода 63 сек, с номинальным полным ходом 20 мм, с интеллектуальным управлением и степенью защиты IP54. - Механизм исполнительный электрический прямоходный ВЭП-228М-1600/63-20-220В,50Гц-IP54.
Механизм исполнительный электрический прямоходный ВЭП, устанавливаемый на клапан регулирующий трехходовой ВКТР, с номинальным усилием 1600Н, с номинальным временем полного хода 63 сек, с номинальным полным ходом 20 мм, с интеллектуальным управлением и степенью защиты IP54.
Количество датчиков температуры указать при заказе.
Электроприводы прямоходные со встроенным регулятором температуры для горячего водоснабжения (ГВС) и отопления (СО) с резервным источником питания (исполнение В)
| Обозначение | ВЭП- 221М(В*), ВЭП-225М(В*), ВЭП-228М(В*) | ||||||||||
| Номинальное усилие, Н | 700 | 1600 | 2700 | 3000 | 4000 | 7000** | |||||
| Напряжение питающей сети | 220 В, 50 Гц и 24 В постоянного или переменного тока | ||||||||||
| Потребляемая мощность, Вт | 6 | 10 | 24 | ||||||||
| Номинальный полный ход, мм | 20 | 20 | 32 | 20 | 32 | 20 | 32 | 50 | 50 | 80 | |
| Скорость позиционирования (задается с клавиатуры), сек. на 1 мм. хода | от 2,5 до 6 | от 1,7 до 4 | от 1,3 до 3 | ||||||||
| Управление | встроенный регулятор температуры | ||||||||||
| Защита двигателя от перегрузки | электронная | ||||||||||
| Класс защиты от поражения электрическим током |
II |
I |
|||||||||
| Тип датчика температуры | ТСП (Pt500), ТСП (Pt1000), температурный коэффициент ТС α=0,00385°С-1 по ГОСТ 6651-2009 | ||||||||||
| Количество подключаемых датчиков, шт | до 3 датчиков (под заказ) | ||||||||||
| Тип интерфейса связи | RS-485, протокол обмена Modbus RTU | ||||||||||
| Архив контролируемых температур (энергонезависимая память) | 3250 значений с интервалом записи 1-60 минут | ||||||||||
| Дискретность задания температуры | 1°С | ||||||||||
| Пределы измерения температуры | от -50 °С до + 150 °С | ||||||||||
| Диапазон задания температур
-для ГВС -для ОТП |
от +1 °С до +99 °С
от +30 °С до +120 °С |
||||||||||
| Режим работы по ГОСТ IEC 60034-1-2014 | S1 -100% ПВ | ||||||||||
| Температура окружающей среды | от -10 °С до +50 °С | ||||||||||
| Степень защиты | IP54, IP65 | ||||||||||
*Исполнение М(В) резервный источник питания позволяет продолжить процесс регулирования или установить его заданное положение при попадании сетевого питания.
**Электроприводы с номинальным усилием 7000 Н не выпускаются с резервным источником питания.
Электрические схемы подключения электропривода со встроенным регулятором температуры для СО и ГВС
- Схема подключения в системе управления зависимым контуром отопления (программа 10)
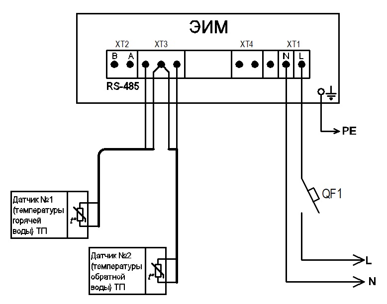
2. Схема подключения в системе управления контуром ГВС (программа 20)

Примеры схем подключения ЭИМ со встроенным регулятором температуры для СО и ГВС
1. Пример схемы подключения ВЭП-225М в системе ГВС:

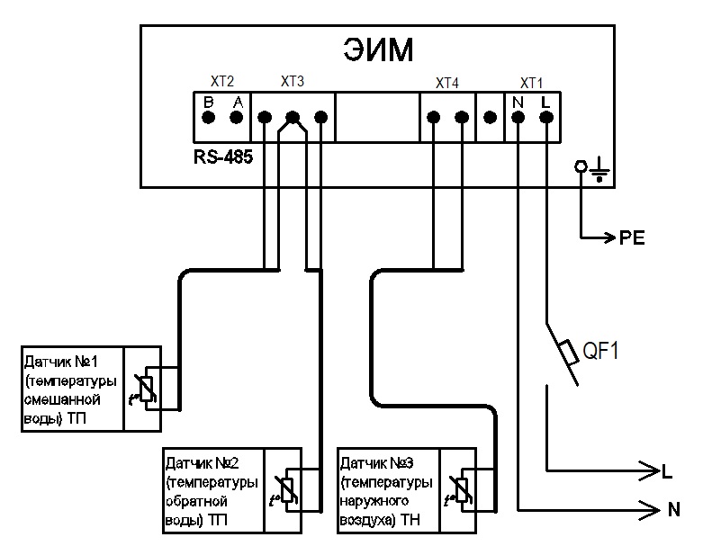
2. Пример схемы подключения ВЭП-225М в системе СО:






2. Схема подключения в системе управления контуром ГВС (программа 20)


