Купить кран шаровый латунный DN (ДУ) 15-20 мм по выгодным ценам
Для регулирования расхода рабочих сред, протекающих по трубопроводам.
Рабочие среды: негорючие, взрывобезопасные, нетоксичные жидкости, в том числе вода,
водные растворы этиленгликоля и пропиленгликоля с концентрацией до 50% при давлении не
более 1,6 МПa и температуре не более 150°С.
Такие фланцевые шаровые краны применяются на ИТП зданий, ЦТП, котельных, ТЭЦ, насосных станциях и
других объектах, где производится, распределяется или потребляется тепловая энергия, холодная
или горячая вода.
Электрические исполнительные механизмы (ЭИМ) оснащены ручным дублером.
Краны шаровые с электроприводом схема
Схема подключения: трехпроводная (трехпозиционное управление). Напряжение
управляющего сигнала: ~220В, 50 Гц.
Схемы подключения аналогичны схемам подключения ЭИМ ВЭП.
Краны шаровые ВКШР DN 15, 20 — двухпозиционные запорные краны шаровые фланцевые (открыто -закрыто) со временем полного хода до 1,5 сек.
Используются в основном на линиях подпитки независимых систем отопления вместо двухпозиционных запорных клапанов с соленоидным приводом.
Обозначение при заказе запорно-регулирующих шаровых кранов:
Кран шаровый запорно-регулирующий с электрическим механизмом ВКШР-15-02
Краны шаровые двухпозиционные (открыть-закрыть) характеристики
|
Наименование параметров |
Значение параметров |
|
|
Диаметр условного прохода, DN, мм |
15 | 20 |
|
Номинальное давление PN, МПа, не более |
1,6 |
|
|
Строительная длинна, мм |
115 | 120 |
|
Напряжение питающей сети, В |
~187 — 242 |
|
| Частота питающей сети, Гц |
50 — 60 |
|
|
Потребляемая мощность, Вт, не более |
24 |
|
|
Условия эксплуатации: |
от 1оС до 50оС до 80 % |
|
|
Степень защиты |
IP54 |
|
|
Номинальное число оборотов |
0,25 |
|
|
Номинальное время полного хода, сек. |
1,25; 1,5; 2,5; 3 |
|
|
Выключение по моменту |
Электронное, бесконтактное |
|
|
Выключение по положению |
— |
|
|
Режим работы |
повторно-кратковременный, ПВ не более 25%, при частоте не более 250 включений в час |
|
|
Класс защиты от поражения электрическим током |
I |
|
|
Масса, кг, н более |
3,0 | 3,0 |
|
Средний срок службы |
Не менее 6 лет |
|

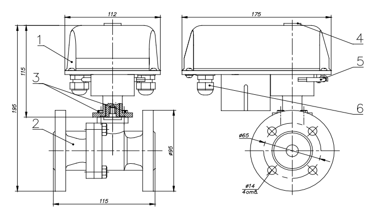
1 – электрический исполнительный механизм ВЭО-07;
2 – кран шаровый DN 15;
3 – винты крепления электрического исполнительного механизма;
4 – указатель положения;
5 – ключ ручного привода;
6 – кабельные вводы.

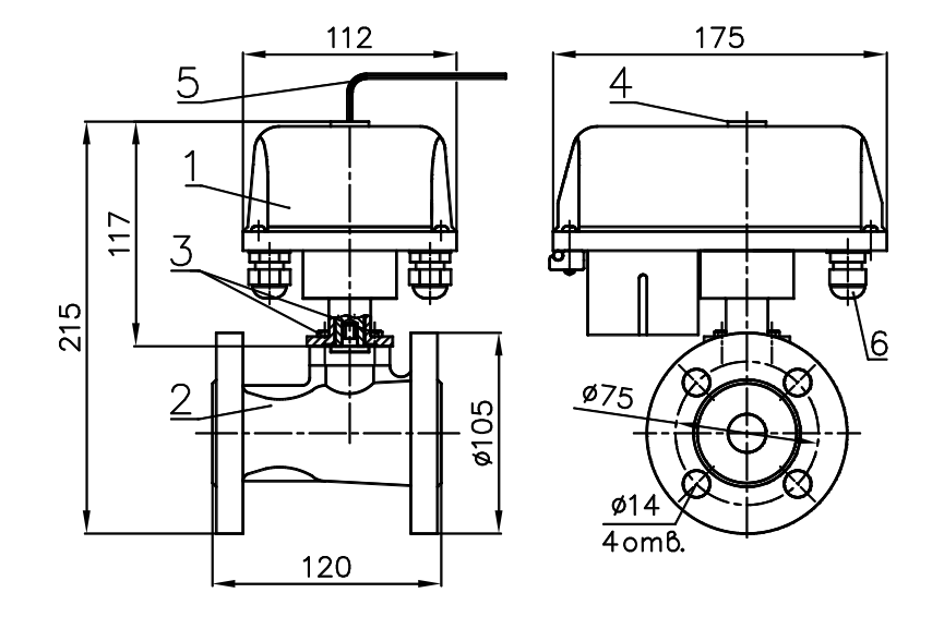
1 – электрический исполнительный механизм ВЭО-07;
2 – кран шаровый DN 20;
3– винты крепления электрического исполнительного механизма;
4 – указатель положения;
5 – ключ ручного привода;
6 – кабельные вводы.





