Запорно-регулирующие шаровые краны ВКШР DN 25-50 с электроприводами подходят для регулирования расхода рабочих сред, протекающих по трубопроводам.
Рабочие среды: негорючие, взрывобезопасные, нетоксичные жидкости, в том числе вода, водные растворы этиленгликоля и пропиленгликолю с концентрацией до 50% при давлении не более 1,6 МПa и температуре не более 150°С.
Применение шаровых кранов ВКШР DN 25-50
Шаровые краны применяются на ИТП зданий, ЦТП, котельных, ТЭЦ, насосных станциях и других объектах, где производится, распределяется или потребляется тепловая энергия, холодная или горячая вода.
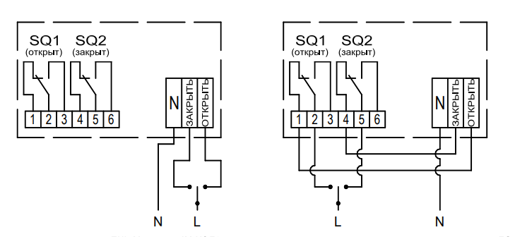
Электрические исполнительные механизмы (ЭИМ) оснащены ручным дублером. Схема подключения: трехпроводная (трехпозиционное управление). Напряжение управляющего сигнала: ~220В, 50 Гц. Схемы подключения аналогичны схемам подключения ЭИМ ВЭП.
ВКШР DN 25, 32, 40, 50 — запорно-регулирующие краны шаровые фланцевые со временем полного хода до 90 сек.
Обозначение при заказе:
Кран шаровый запорно-регулирующий с электрическим механизмом ВКШР-25-02.
Характеристики кранов шаровых с электроприводами ВКШР DN 25-50
|
Наименование параметров |
Значение параметров |
|||
|
Диаметр условного прохода, DN, мм |
25 | 32 | 40 | 50 |
|
Номинальное давление PN, МПа, не более |
1,6 |
|||
| Строительная длинна, мм | 160 | 180 | 200 | 230 |
| Напряжение питающей сети, В |
~187 — 242 |
|||
| Частота питающей сети, Гц |
50 — 60 |
|||
|
Потребляемая мощность, Вт, не более |
15 | |||
|
Условия эксплуатации: |
от 1оС до 50оС до 80 % |
|||
|
Степень защиты |
IP54 |
|||
| Номинальное число оборотов |
0,25 |
|||
|
Номинальное время полного хода, сек. |
75; 90; 140; 180 |
|||
|
Выключение по моменту |
Электронное, бесконтактное |
|||
|
Выключение по положению |
2 концевых выключателя |
|||
|
Режим работы |
Повторно-кратковременный, ПВ не более 25%, при частоте не более 250 включений в час |
|||
|
Управление |
Трехпозиционное (открыто, регулирование, закрыто) |
|||
|
Класс защиты от поражения электрическим током |
I | |||
|
Масса, кг, н более |
7,0 | 8,0 | 9,5 | 12,0 |
|
Средний срок службы |
Не менее 6 лет
|
|||

а) при работе с полным рабочим ходом (отключение по усилию в крайних положениях);
б) при работе с ограничением рабочего хода.





