Предназначены для работы в системах автоматического контроля, регулирования и управления технологическими процессами в нефтегазовой промышленности, энергетике, системах безопасности транспорта, химической промышленности и других.
Исполнения по защищенности от воздействий окружающей среды:
- общепромышленное;
- искробезопасная электрическая цепь 0Ех ia IIС Т5 Ga Х и защита от воспламенения пыли оболочкой Ех ta IIIС Т90°C Da Х;
- взрывонепроницаемая оболочка 1Ех d IIC T5 Gb X;
- комбинированная защита искробезопасная цепь и взрывонепроницаемая оболочка Ga Ех d+ia IIC T5 X, защита от воспламенения пыли оболочкой Ех ta IIIС Т90°C Da Х.
- Рудничное исполнение: взрывонепроницаемая оболочка
- Рудничное исполнение: искробезопасная электрическая цепь
- Корректировка начального значения выходного сигнала с помощью магнитного ключа.
- Перенастройка на несколько стандартных рядов предела измерения как механическими переключателями, так и по HART-протоколу.
- Настройка на нестандартные нижний и верхний пределы измерения.
- Настройка всех единиц измерения на заводе-изготовителе по запросу заказчика или изменение по HART-протоколу.
Измеряемое давление:
- Избыточное (таблица 1) 0…16 МПа;
- Абсолютное ( таблица 2) 0…16 МПа;
- Избыточное-разрежения (таблица 3) -0,1…16 МПа;
- Разрежения (таблица 4) 0…100 кПа;
- Разность давлений (таблица 5) 0…2,5 МПа;
- Гидростатическое (таблица 6) 0… 250 кПа.
ЭнИ-12Н-ДИ или ЭнИ-12HS-ДИ
Таблица 1
| Модель датчика | Максимальный верхний предел Pв max | Допускаемое давление перегрузки | Ряд верхних пределов измерений или диапазон измерений от Pн до Pв по ГОСТ 22520, кПа | |
|---|---|---|---|---|
| кПа | МПа | МПа | ||
| 2121 | 10 | – | 0,03 | 0,4; 0,6; 1; 1,6; 2,5; 4; 6; 10 |
| 2131 | 40 | – | 0,1 | 1,6; 2,5; 4; 6,5; 10; 16; 25; 40 |
| 2136 | 100 | – | 0,2 | 4; 6; 10; 16; 25; 40; 60; 100 |
| 2140м | 600 | – | 1 | 25; 40; 60; 100; 160; 250; 400; 600 |
| 2141 | ||||
| 2150м | – | 2,5 | 4 | 0,1; 0,16; 0,25; 0,4; 0,6; 1; 1,6; 2,5 МПа |
| 2151 | ||||
| 2156м | – | 6 | 9 | 0,25; 0,4; 0,6; 1; 1,6; 2,5; 4; 6 МПа |
| 2156 | ||||
| 2160м | – | 16 | 25 | 0,6; 1; 1,6; 2,5; 4; 6; 10; 16 МПа |
| 2161 | ||||
| 2166м | – | 25 | 40 | 2,5; 4; 6; 10; 16; 25 МПа |
| 2166 | ||||
| 2171 | – | 60 | 70 | 6; 10; 16; 25; 40; 60 МПа |
ЭнИ-12Н-ДА или ЭнИ-12HS-ДА
Таблица 2
| Модель датчика | Максимальный верхний предел Pв max | Допускаемое давление перегрузки | Ряд верхних пределов измерений или диапазон измерений от Pн до Pв по ГОСТ 22520, кПа | |
|---|---|---|---|---|
| кПа | МПа | МПа | ||
| 2036 | 100 | – | 0,2 | 4; 6; 10; 16; 25; 40; 60; 100 |
| 2041 | 600 | – | 1,2 | 25; 40; 60; 100; 160; 250; 400; 600 |
| 2051 | – | 2,5 | 5 | 0,1; 0,16; 0,25; 0,4; 0,6; 1; 1,6; 2,5 МПа |
| 2056 | – | 6 | 12 | 0,25; 0,4; 0,6; 1; 1,6; 2,5; 4; 6 МПа |
| 2061 | – | 16 | 32 | 0,6; 1; 1,6; 2,5; 4; 6; 10; 16 МПа |
ЭнИ-12Н-ДИВ или ЭнИ-12HS-ДИВ
Таблица 3
| Модель датчика | Максимальный верхний предел Pв max | Допускаемое давление перегрузки | Ряд верхних пределов измерений или диапазон измерений от Pн до Pв по ГОСТ 22520, кПа | |
|---|---|---|---|---|
| кПа | МПа | МПа | ||
| 2331 | ±20 | – | 0,1 | ±0,8; ±1,25; ±2; ±3; ±5; ±8; ±12,5; ±20 |
| 2336 | ±50 | – | 0,2 | ±2; ±3; ±5; ±8; ±12,5; ±20; ±30; ±50 |
| 2340м | -100 +500 | – | 1 | ±12; ±20; ±30; ±50;-100 +60; -100 +150; -100 +300; -100 +500 |
| 2341 | ||||
| 2350м | – | -0,1 +2,4 | 4 | ±0,05; -0,1 +0,06; -0,1 +0,15; -0,1 +0,3; -0,1 +0,5; -0,1 +0,9; -0,1 +1,5; -0,1 +2,4 МПа |
| 2351 | ||||
| 2356м | – | -0,1 +5,9 | 9 | -0,1 +0,15; -0,1 +0,3; -0,1 +0,5; -0,1 +0,9; -0,1 +1,5; -0,1 +2,4; -0,1 +3,9; -0,1 +5,9 МПа |
| 2356 | ||||
| 2360м | – | -0,1 +15,9 | 25 | -0,1 +0,5; -0,1 +0,9; -0,1 +1,5; -0,1 +2,4; -0,1 +3,9; -0,1 +5,9; -0,1 +9,9; -0,1 +15,9 МПа |
| 2361 | ||||
ЭнИ-12Н-ДВ или ЭнИ-12HS-ДВ
Таблица 4
| Модель датчика | Максимальный верхний предел Pв max | Допускаемое давление перегрузки | Ряд верхних пределов измерений или диапазон измерений от Pн до Pв по ГОСТ 22520, кПа | |
|---|---|---|---|---|
| кПа | МПа | МПа | ||
| 2236 | 100 | – | 0,2 | 4; 6; 10; 16; 25; 40; 62; 100 |
ЭнИ-12Н-ДД или ЭнИ-12HS-ДД
Таблица 5
| Модель датчика | Максимальный верхний предел Pв max | Допускаемое давление перегрузки со стороны «+»* | Ряд верхних пределов измерений или диапазон измерений от Pн до Pв по ГОСТ 22520, кПа | |
|---|---|---|---|---|
| кПа | МПа | МПа | ||
| 2420 | 10 | – | 0,07 | 0,4; 0,6; 1; 1,6; 2,5; 4; 6; 10 |
| 2430 | 40 | – | 0,07 | 1,6; 2,5; 4; 6; 10; 16; 25; 40 |
| 2435 | 100 | – | 0,2 | 4; 6; 10; 16; 25; 40; 62; 100 |
| 2440 | 250 | – | 0,5 | 10; 16; 25; 40; 60; 100; 160; 250 |
| 2445 | 600 | – | 1,2 | 25; 40; 60; 100; 160; 250; 400; 600 |
| 2450 | – | 2,5 | 5 | 0,1; 0,16; 0,25; 0,4; 0,6; 1; 1,6; 2,5 МПа |
| Допустимое рабочее избыточное давление 16 МПа. * – Перегрузка со стороны «-» не допускается. |
||||
ЭнИ-12Н-ДГ или ЭнИ-12HS-ДГ
Таблица 6
| Модель датчика | Максимальный верхний предел Pв max | Допускаемое давление перегрузки со стороны «+»* | Ряд верхних пределов измерений или диапазон измерений от Pн до Pв по ГОСТ 22520, кПа | |
|---|---|---|---|---|
| кПа | МПа | МПа | ||
| 2530 | 40 | – | 0,07 | 1,6; 2,5; 4; 6,5; 10; 16; 25; 40 |
| 2540 | 250 | – | 0,5 | 10; 16; 25; 40; 60; 100; 160; 250 |
| Допустимое рабочее избыточное давление 4 МПа.
* – Перегрузка со стороны «-» не допускается. |
||||
Основные характеристики
- Выходной сигнал 4-20 мА +HART.
- Напряжение питания 12-42 В.
- Устойчивость к электромагнитным воздействиям на уровне:
- промышленной электромагнитной обстановке по ГОСТ Р МЭК 61326-1-2014 (для ЭнИ–12Н);
- к электромагнитной обстановке группы IV по ГОСТ 32137-2013 (для ЭнИ–12HS).
- Соответствие нормам помехоэмиссии, установленным для класса В по ГОСТ Р МЭК 61326-1-2014.
- Рабочая среда: жидкость; газ; пар.
- Температура измеряемой среды от -40 до +80 °С.
- Температура окружающей среды от -40 до +80 °С.
- Степень защиты от воздействия пыли и воды IP65, IP66, IP67.
- Защита от обратной полярности напряжения питания.
Исполнение по материалам
Таблица 7
| Код исполнения по материалам | Материал | Применяемость | ||
|---|---|---|---|---|
| мембраны или ЧЭ1) | деталей, контактирующих с рабочей средой | по моделям датчика | материалов по виду измеряемой величины | |
| 02 | 316L, заменитель – 10X17H13M2T | Сталь12Х18Н10Т, заменитель – 12Х18Н9Т, 08Х18Н10Т | Только для моделей с индексом «м» | ДИ, ДИВ |
| 06 | 316L, заменитель – 10X17H13M2T | |||
| 09 | Титановый сплав | Титановый сплав | Все, кроме моделей с индексом «м» | ДИ, ДВ, ДИВ |
| 11 | Сталь 12Х18Н10Т, заменитель – 12Х18Н9Т,
08Х18Н10Т |
ДИ, ДВ, ДИВ | ||
| 12 | 316L, заменитель – 10X17H13M2T | Сталь 12Х18Н10Т, заменитель – 12Х18Н9Т,
08Х18Н10Т |
ДИ, ДА, ДВ, ДИВ, ДД, ДГ | |
1) ЧЭ – чувствительный элемент.
Климатическое исполнение
Таблица 8
| Код | Устойчивость по ГОСТ Р52931 | Устойчивость по ГОСТ 15150 | Предельные условия эксплуатации при воздействии окружающего воздуха | Применяемость |
|---|---|---|---|---|
| t1 | B3 | УХЛ4 | от плюс 5 ºС до плюс 50 ºС; относительная влажность 95% при 30 ºС без конденсации влаги | 12Н, 12НS |
| t8 | C3 | УХЛ3.1 | от минус 10 ºС до плюс 70 ºС; относительная влажность 95% при 35 ºС без конденсации влаги | 12Н, 12НS |
| t10 | C2 | У2 | от минус 40 ºС до плюс 80 ºС; относительная влажность 100% при 30 ºС | 12Н, 12НS |
| t12 | Д2 | УХЛ1 | от минус 60ºС до плюс 80 ºС; относительная влажность 100% при 40 ºС | 12НS |
| Примечание. В указанных диапазонах температур для каждого исполнения соответственно на входе в датчик должна находится температура рабочей жидкости или газа. | ||||
Код выходного сигнала преобразователя
Таблица 9
| Код выходного сигнала | Выходной сигнал, мА |
|---|---|
| 42 | возрастающий: 4-20 |
| 24 | убывающий: 20-4 |
| 42V | корнеизвлекающий: 4-20 |
Пределы допускаемой основной погрешности
Таблица 10
| Код предела допускаемой основной погрешности | Предел допускаемой основной погрешности, ±γ, % | ||
|---|---|---|---|
| 1 | 4 | 10 | |
| 007 | 0,075 | 0,1+0,014·К | 0,14+0,01·К |
| 010 | 0,1 | 0,1 + 0,02·K | 0,2 + 0,01·K |
| 015 | 0,15 | 0,2 + 0,03·K | 0,3 + 0,02·K |
| 020 | 0,2 | 0,2 + 0,03·K | 0,4 + 0,02·K |
| 025 | 0,25 | 0,3 + 0,04·K | 0,4 + 0,03·K |
| 050 | 0,5 | 0,5 + 0,08·K | 0,8 + 0,05·K |
| Код предела допускаемой температурной погрешности | Предел допускаемой дополнительной температурной погрешности [γт], % на каждые 10 ºС | ||
| ДИ, ДА, ДВ, ДИВ, ДД | ДГ | ||
| 007 | 0,04+0,03·K | 0,05+0,07·K | |
| 010 | |||
| 015 | |||
| 020 | 0,05+0,04·K | 0,07+0,08·K | |
| 025 | |||
| 050 | 0,1+0,05·K | 0,1+0,1·K | |
| Примечание – Коэффициент перенастройки диапазона: K=(Pв max-Pн min)/(Pв -Pн ) Для моделей с максимальным диапазоном измерения менее 100 кПа использовать только коды 025,050. | |||
Коды электрического присоединения
Таблица 11
Датчик ЭнИ-12Н-ДИ (все, кроме моделей с индексом «м»)

Датчик ЭнИ-12Н-ДИ (только для моделей с индексом «м»)

Датчик ЭнИ-12H-ДД

Датчик ЭнИ-12H-ДГ

Датчик ЭнИ-12HS-ДД (все, кроме моделей с индексом «м»)

Датчик ЭнИ-12HS-ДИ( только для моделей с индексом «м»)

Датчик ЭнИ-12HS-ДД

Датчик ЭнИ-12HS-ДГ
Коды присоединения к процессу
Таблица 12
Код монтажного кронштейна
Таблица 13
| Код | Наименование | Рисунок |
|---|---|---|
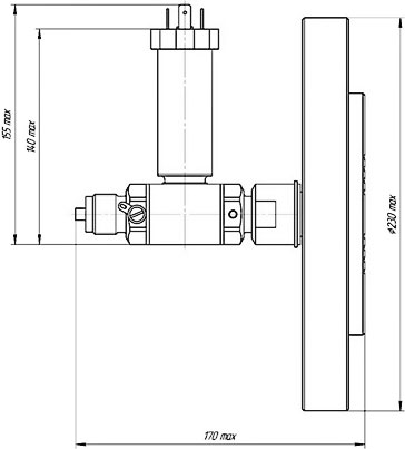
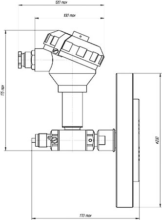
| СК | Скоба и кронштейн для крепления датчика на трубе | ![]() |
| К3 | Кронштейн для крепления датчика на плоскую поверхность | ![]() |
Гарантийные обязательства
| Параметр | Значение |
|---|---|
| Гарантийный срок эксплуатации, месяцы | 36 со дня ввода в эксплуатацию, но не более 42 со дня изготовления |
Изготовитель гарантирует соответствие датчика требованиям.
ТУ 4212-013-59541470-2016 при соблюдении потребителем условий транспортирования, хранения, монтажа и эксплуатации.
Комплект поставки
Таблица 14
| Наименование | Обозначение документа | Количество |
|---|---|---|
| Датчик ЭнИ-12H, HS | – | 1 шт. |
| Руководство по эксплуатации | ББМВ241-00.000РЭ | 1 шт. |
| Паспорт | ББМВ241-00.000ПС | 1 шт. |
| Методика поверки | – | 1 шт. |
| Розетка разъема или кабельный ввод (в соответствии с заказом) | – | 1 шт. |
| Комплект монтажных частей (в соответствии с заказом) |
– | 1 компл. |
| Кронштейн монтажный (в соответствии с заказом) | – | 1 компл. |
Примечание – для партии датчиков, направляемых в один адрес, допускается прилагать РЭ и МИ по 1 экз. на каждые 10 датчиков или другое число по согласованию с потребителем.
Обозначения при заказе
| ЭнИ–12Н (12НS) | Ex | ДИ | 2151 | 11 | t10 | 010 | (0…600)кПа | 42 | GSP | М20 | H | СК | БКН | МТ |
|---|---|---|---|---|---|---|---|---|---|---|---|---|---|---|
| 1 | 2 | 3 | 4 | 5 | 6 | 7 | 8 | 9 | 10 | 11 | 12 | 13 | 14 | 15 |
- Наименование датчика ЭнИ-12H, 12HS.
- Исполнение:
- Ех – для H: искробезопасная электрическая цепь, защита от воспламенения пыли оболочкой; для HS: комбинированная защита: искробезопасная цепь и взрывонепроницаемая оболочка, защита от воспламенения пыли оболочкой;
- Exd – взрывонепроницаемая оболочка;
- RB – рудничное исполнение: взрывонепроницаемая оболочка (только для ЭнИ-12HS);
- RO – рудничное исполнение: искробезопасная электрическая цепь (только для ЭнИ-12HS);
- символ отсутствует – общепромышленное по умолчанию.
- Вид давления:
- ДИ – избыточное;
- ДА – абсолютное;
- ДИВ – избыточное-разрежения;
- ДВ – разрежения;
- ДД – разность давлений;
- ДГ – гидростатическое.
- Модель датчика согласно таблице 1 – 6.
- Код исполнения по материалам согласно таблице 7.
- Код климатического исполнения по таблице 8. Код t10 является кодом по умолчанию и его допускается не указывать.
- Код предела допускаемой основной погрешности по таблице 10.
- Настраиваемый диапазон измерений (по таблице 1 – 6) из ряда стандартных значений. Нестандартный ряд (по согласованию с изготовителем), указывается с единицей измерения.
- Код выходного сигнала преобразователя по таблице 9. Код 42 является кодом по умолчанию и его допускается не указывать.
- Тип кабельного разъёма по таблице 11.
- Код присоединения к процессу по таблице 12.
- Код монтажных частей (по таблице 12) для кода присоединения к процессу М20 и датчиков ДГ.
- Код монтажного кронштейна по таблице 13.
- Код установки блока клапанного на датчик:
- символ отсутствует – блок клапанный отсутствует;
- БКН – блок клапанный установлен на датчик*.
- Код дополнительных опций:
- МТ – дополнительная металлическая табличка
- ЛК- лист калибровки
- ЛН – лист настройки
* – Блок клапанный оформляется отдельной строкой заказа .
Сертификаты
- ЭнИ-12 Сертификат соответствия ТР ТС 012/2011 “О безопасности оборудования для работы во взрывоопасных средах” 03.08.2028 (RU)
- ЭнИ-12 Декларация соответствия ТР ТС 020/2011 “Электромагнитная совместимость технических устройств” 19.04.2028 (RU)
- ЭнИ-12 Свидетельство об утверждении типа СИ до 21.05.2028 (RU)
- ЭнИ-12 Сертификат о признании утверждения типа СИ в республике Беларусь до 21.05.2028 (RU)
- ЭнИ-12 Сертификат о признании утверждения типа СИ в республике Казахстан до 21.05.2028 (RU)
- ЭнИ-12 Сертификат о признании утверждения типа СИ в республике Казахстан до 21.05.2028 (KZ)
- ЭнИ-12 Сертификат о признании утверждения типа СИ в республике Таджикистан до 21.05.2028 (RU)
- ЭнИ-12 Сертификат о признании утверждения типа СИ в республике Таджикистан до 21.05.2028 (TJ)
- ЭнИ-12 Сертификат о признании утверждения типа СИ в республике Узбекситан до 21.05.2028 (RU)
- ЭнИ-12 Сертификат соответствия SIL2, SIL3 11.08.2027 (RU)
Дополнительная комплектация по запросу:




























