Датчики ЭнИ-12Р предназначены для работы в системах автоматического контроля, регулирования и управления технологическими процессами в нефтегазовой промышленности, энергетике, системах безопасности транспорта, химической промышленности и других.
Основные характеристики
- Измеряемые среды: жидкости, пар, газ;
- Диапазоны измеряемых давлений:
- избыточное от (0…0,4) кПа до (0…60) МПа;
- абсолютное от (0…4) кПа до (0…16) МПа;
- избыточное-разрежения от (-0,02…+0,02) кПа до (-0,1…+15,9) МПа;
- разрежения от (0…0,4) кПа до (0…100) кПа;
- Выходной сигнал 4-20 мА;
- Напряжение питания 12-42 В;
- Устойчивость к электромагнитным воздействиям на уровне базовой электромагнитной обстановки по ГОСТ Р МЭК 61326-1-2014;
- Температура измеряемой среды: -40…+80 °C;
- Температура окружающей среды: -40…+80 °С;
- Степень защиты от воздействия пыли и воды IP65;
Исполнение по материалам
Таблица 1
| Код исполнения по материалам | Материал | Применяемость материалов по типу измеряемого давления | |
|---|---|---|---|
| мембраны
ЧЭ 1) |
деталей, контактирующих с рабочей средой | ||
| 02 | Сплав 06ХН28МДТ | Сталь12Х18Н10Т, заменитель – 12Х18Н9Т, 08Х18Н10Т | Только для моделей с индексом «м»
ДИ, ДИВ |
| 06 | Сплав 06ХН28МДТ, заменитель 10Х17Н13М2Т | ||
| 09 | Титановый сплав | Титановый сплав | ДИ, ДВ, ДИВ |
| 11 | Титановый сплав | Сталь 12Х18Н10Т, заменитель – 12Х18Н9Т, 08Х18Н10Т | ДИ, ДВ, ДИВ |
| 12 | 316L | Сталь 12Х18Н10Т, заменитель – 12Х18Н9Т,
08Х18Н10Т |
ДИ2), ДА, ДВ, ДИВ |
| 1) – максимальное давление для датчиков ДИ 16МПа(для кода исполнения по материалам 12)
2) – Максимальное давление для датчиков ДИ 25 МПа (для кода исполнения по матералам 12) |
|||
Климатическое исполнение
Таблица 2
| Код | Устойчивость к воздействию температуры и влажности по ГОСТ Р52931, группа исполнения | Устойчивость при воздействии остальных климатических факторов по ГОСТ 15150 | Предельные условия эксплуатации при воздействии окружающего воздуха |
| t1 | B3 | УХЛ4 | от плюс 5 ºС до плюс 50 ºС; относительная влажность 95 % при 30 ºС без конденсации влаги |
| t8 | C3 | УХЛ3.1 | от минус 10 ºС до плюс 70 ºС; относительная влажность 95 % при 35 ºС без конденсации влаги |
| t10 | C2 | У2 | от минус 40 ºС до плюс 80 ºС; относительная влажность 100 % при 30 ºС |
| Примечание — В указанных диапазонах температур для каждого исполнения соответственно на входе в датчик должна находится температура рабочей жидкости или газа. | |||
Код выходного сигнала преобразователя
Таблица 3
| Код выходного сигнала | Выходной сигнал, мА |
|---|---|
| 42 | возрастающий: 4-20 |
| 24 | убывающий: 20-4 |
Таблица 4 Защищенность от воздействия окружающей среды
| Код исполнения | Код в строке заказа | Исполнение | Маркировка |
| – | ЭнИ-12Р | общепромышленное | – |
| -Ех | искробезопасная электрическая цепь,
защита от воспламенения пыли оболочкой |
0Ех ia IIС Т5 Ga Х,
Ех ta IIIС Т90°C Da Х |
ЭнИ-12P-ДИ
Таблица 5
| Модель датчика | Максимальный верхний предел Pв max | Допускаемое давление перегрузки | Ряд верхних пределов измерений или диапазон измерений от Pн до Pв по ГОСТ 22520, кПа | |
|---|---|---|---|---|
| кПа | МПа | МПа | ||
| 2121 | 10 | 0,03 | 1; 1,6; 2,5; 4; 6; 10 | |
| 2131 | 40 | – | 0,1 | 4; 6,5; 10; 16; 25; 40 |
| 2136 | 100 | – | 0,2 | 10; 16; 25; 40; 60; 100 |
| 2140м | 600 | – | 1 | 60; 100; 160; 250; 400; 600 |
| 2141 | ||||
| 2150м | – | 2,5 | 4 | 0,25; 0,4; 0,6; 1; 1,6; 2,5 МПа |
| 2151 | ||||
| 2156м | – | 6 | 9 | 0,6; 1; 1,6; 2,5; 4; 6 МПа |
| 2156 | ||||
| 2160м | – | 16 | 25 | 1,6; 2,5; 4; 6; 10; 16 МПа |
| 2161 | ||||
| 2166м | – | 25 | 40 | 2,5; 4; 6; 10; 16; 25 МПа |
| 2166 | ||||
| 2171 | – | 60 | 70 | 6; 10; 16; 25; 40; 60 МПа |
ЭнИ-12Р-ДА
Таблица 6
| Модель датчика | Максимальный верхний предел Pв max | Допускаемое давление перегрузки | Ряд верхних пределов измерений или диапазон измерений от Pн до Pв по ГОСТ 22520, кПа | |
|---|---|---|---|---|
| кПа | МПа | МПа | ||
| 2036 | 100 | – | 0,2 | 10; 16; 25; 40; 60; 100 |
| 2038 | 250 | – | 0,5 | 10; 16; 25; 40; 60; 100, 160, 250 |
| 2041 | 600 | – | 0,8 | 40; 60; 100; 160; 250; 400 |
| 2051 | – | 2,5 | 5 | 0,25; 0,4; 0,6; 1; 1,6; 2,5 МПа |
| 2056 | – | 6 | 9 | 0,6; 1; 1,6; 2,5; 4; 6 МПа |
| 2061 | – | 16 | 32 | 1,6; 2,5; 4; 6; 10; 16 МПа |
ЭнИ-12Р-ДИВ
Таблица 7
| Модель датчика | Максимальный верхний предел Pв max | Допускаемое давление перегрузки | Ряд верхних пределов измерений или диапазон измерений от Pн до Pв по ГОСТ 22520, кПа | |
|---|---|---|---|---|
| кПа | МПа | МПа | ||
| 2321 | ±5 | – | 0,03 | ± 0,5; ± 0,8; ± 1,25; ± 2; ± 3; ± 5 |
| 2331 | ±20 | – | 0,1 | ±2; ±3; ±5; ±8; ±12,5; ±20 |
| 2336 | ±50 | – | 0,2 | ±5; ±8; ±12,5; ±20; ±30; ±50 |
| 2340м | -100…+500 | – | 1 | ±30; ±50; -100…+60; -100…+150; -100…+300; -100…+500 |
| 2341 | ||||
| 2350м | – | -0,1…+2,4 | 4 | -0,1…+0,15; -0,1…+0,3; -0,1…+0,5; -0,1…+0,9; -0,1…+1,5; -0,1…+2,4 МПа |
| 2351 | ||||
| 2356м | – | -0,1…+5,9 | 9 | -0,1…+0,5; -0,1…+0,9; -0,1…+1,5; -0,1…+2,4; -0,1…+3,9; -0,1…+5,9 МПа |
| 2356 | ||||
| 2360м | – | -0,1…+15,9 | 25 | -0,1…+1,5; -0,1…+2,4; -0,1 …+3,9; -0,1…+5,9; -0,1…+9,9; -0,1…+15,9 МПа |
| 2361 | ||||
ЭнИ-12Р-ДВ
Таблица 8
| Модель датчика | Максимальный верхний предел Pв max | Допускаемое давление перегрузки | Ряд верхних пределов измерений или диапазон измерений от Pн до Pв по ГОСТ 22520, кПа | |
|---|---|---|---|---|
| кПа | МПа | МПа | ||
| 2231 | 40 | – | 0,1 | 4; 6,5; 10; 16; 25; 40 |
| 2236 | 100 | – | 0,2 | 10; 16; 25; 40; 62; 100 |
Пределы допускаемой основной погрешности датчиков
Таблица 9
| Код предела допускаемой основной погрешности | Предел допускаемой основной погрешности, ±γ, % | |
|---|---|---|
| 1 | 4 > K ≥ 10 | |
| 007 | 0,075 | 0,1+0,014·К |
| 010 | 0,1 | 0,1 + 0,02·K |
| 015 | 0,15 | 0,2 + 0,03·K |
| 020 | 0,2 | 0,2 + 0,03·K |
| 025 | 0,25 | 0,3 + 0,04·K |
| 050 | 0,5 | 0,5 + 0,08·K |
| Код предела допускаемой температурной погрешности | Предел допускаемой дополнительной температурной погрешности [γт], % на каждые 10 ºС | |
| 010 | 0,04 + 0,03 · K | |
| 015 | ||
| 020 | 0,05 + 0,04 · К | |
| 025 | ||
| 050 | 0,1 + 0,05 · К | |
| Примечания:
— коэффициент перенастройки для датчиков: K = (Pв max – Pн min)/(Pв – Pн) Pв max – максимальный верхний предел измерений Pн min- минимальный нижний предел измерений Pв – настроенный верхний предел измерений Pн– настроенный нижний предел измерений |
||
Коды электрического присоединения
Таблица 10
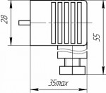
Габаритные, установочные и присоединительные размеры
| Датчик ЭнИ-12Р моделей ДИ, ДА, ДИВ, ДВ
|
Датчик ЭнИ-12P-ДИ (только для моделей с индексом «м»)
|
Таблица 11 Присоединение к процессу
Таблица 12 Комплект монтажных частей
| Код | Комплект монтажных частей | Рисунок | |
| Н | Ниппель с накидной гайкой М20х1,5 | Ниппель из нержавеющей стали | ![]() |
| НУ | Ниппель из углеродистой стали | ||
Код монтажного кронштейна
Таблица 13
| Код | Наименование | Рисунок |
|---|---|---|
| СК | Скоба и кронштейн для крепления датчика на трубе | ![]() |
| К3 | Кронштейн для крепления датчика на плоскую поверхность | ![]() |
Гарантийные обязательства
Изготовитель гарантирует соответствие датчика требованиям ТУ 4212-013-59541470-2016 при соблюдении потребителем условий транспортирования, хранения, монтажа и эксплуатации.
Таблица 14
| Параметр | Значение |
|---|---|
| Гарантийный срок эксплуатации, месяцы | 36 со дня ввода в эксплуатацию, но не более 42 со дня изготовления |
Комплект поставки
Таблица 15
| Наименование | Количество |
|---|---|
| Датчик ЭнИ-12P | 1 шт. |
| Паспорт | 1 шт. |
| Руководство по эксплуатации* | 1 шт. |
| Методика поверки* | 1 шт. |
| Розетка разъема (в соответствии с заказом) | 1 шт. |
| Комплект монтажных частей (в соответствии с заказом) |
1 компл. согласно заказу |
| Кронштейн монтажный (в соответствии с заказом) | согласно заказу |
* — Для партии датчиков, направляемых в один адрес, допускается прилагать РЭ и МИ по 1 экз. на каждые 10 датчиков или другое число по согласованию с потребителем.
Обозначение при заказе
| ЭнИ–12P | Ex | ДИ | 2151 | 11 | t10 | 010 | (0…600)кПа | 42 | GSP | М20 | H | СК | БКН | МТ |
| 1 | 2 | 3 | 4 | 5 | 6 | 7 | 8 | 9 | 10 | 11 | 12 | 13 | 14 | 15 |
- Наименование датчика ЭнИ-12P.
- Код исполнения по взрывозащите. Общепромышленное по умолчанию.
- Вид давления:
ДИ-избыточное;
ДА – абсолютное;
ДИВ – избыточное-разрежения;
ДВ – разрежения. - Модель датчика согласно таблицам 5-8.
- Код исполнения по материалам согласно таблице 1.
- Код климатического исполнения по таблице 2. Код t10 является кодом по умолчанию и его допускается не указывать.
- Код предела допускаемой основной погрешности по таблице 9.
- Настраиваемый диапазон измерений (по таблице 5 – 8) из ряда стандартных значений. Нестандартный ряд (по согласованию с изготовителем), указывается с единицей измерения.
- Код выходного сигнала преобразователя по таблице 3.
- Код электрического присоединения по таблице 10.
- Код присоединения к процессу по таблице 11.
- Код комплекта монтажных частей по таблице 12.
- Код монтажного кронштейна по таблице 13.
- Код установки блока клапанного на датчик:
символ отсутствует – блок клапанный отсутствует;
БКН – блок клапанный установлен на датчик*. - Код дополнительных опций:
МТ – дополнительная металлическая табличка;
ЛК- лист калибровки;
ЛН – лист настройки.
* – Блок клапанный оформляется отдельной строкой заказа .
Опросные листы
Документация
Сертификаты
- ЭнИ-12 Сертификат соответствия ТР ТС 012/2011 “О безопасности оборудования для работы во взрывоопасных средах” 03.08.2028 (RU)
- ЭнИ-12 Декларация соответствия ТР ТС 020/2011 “Электромагнитная совместимость технических устройств” 19.04.2028 (RU)
- ЭнИ-12 Свидетельство об утверждении типа СИ до 21.05.2028 (RU)
- ЭнИ-12 Сертификат о признании утверждения типа СИ в республике Беларусь до 21.05.2028 (RU)
- ЭнИ-12 Сертификат о признании утверждения типа СИ в республике Казахстан до 21.05.2028 (RU)
- ЭнИ-12 Сертификат о признании утверждения типа СИ в республике Казахстан до 21.05.2028 (KZ)
- ЭнИ-12 Сертификат о признании утверждения типа СИ в республике Таджикистан до 21.05.2028 (RU)
- ЭнИ-12 Сертификат о признании утверждения типа СИ в республике Таджикистан до 21.05.2028 (TJ)
- ЭнИ-12 Сертификат о признании утверждения типа СИ в республике Узбекситан до 21.05.2028 (RU)
- ЭнИ-12 Сертификат соответствия SIL2, SIL3 11.08.2027 (RU)

















