-
ХарактеристикиОбщетехнические биметаллические термометры ТБф-120 d.100 предназначены для измерения температуры жидких, сыпучих и газообразных сред, не агрессивных к материалу измерительного механизма и отображения измеренных значений на показывающем устройстве.
ВАЖНО! При измерении температуры агрессивных сред термометр комплектуется гильзой из нержавеющей стали с посадочным диаметром 14 мм.
ТУ 26.51.51-402-64115539-2019
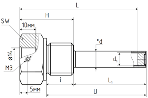
Номинальный диаметр корпуса100 ммКласс точности1,5Степень пылевлагозащитыIP54Присоединительная резьба на штоке (термобаллоне)нетПрисоединительная резьба на гильзе– G1/2 (базовая)
– M20*1,5
– 1/2NPTРазмер квадрата под ключ, мм19 ммМатериал штока (термобаллона)нержавеющая стальМатериал гильзы– медный сплав (базовый)
– нержавеющая сталь (по заказу)Устойчивость к климатическим воздействиямУХЛ1 по ГОСТ по ГОСТ 15150-69Диапазон температуры окружающей среды, оСот -70 до +60 оСВиброзащищенностьгруппа N2 по ГОСТ 52931-2008Средний срок службы8 летМасса не более0,5 кгМатериал корпусакоррозийностойкая (покрытая) стальОбечайкабайонетнаяСтеклотехническоеРасположение штока (термобаллона) с указанием его диаметра в мм.– ОШ*6 (осевое, сзади)
– РШ*6 (радиальное, снизу)Длина гильзы в комплектепо заказу потребителя, согласно утвержденного прайс-листаПосадочный диаметр в гильзу14 ммРабочее давление измеряемой среды– на гильзе из медного сплава: 6,3 МПа
– на гильзе из нержавеющей стали: 25 МПаЧувствительный элементбиметаллическая спиральРегулировка– РШ: на штоке (термобаллоне)
– ОШ: на корпусе с тыльной стороныЦиферблаталюминиевый сплав, окрашенный в белый цветВарианты поставки– с гильзой из медного сплава (базовый)
– с гильзой из нержавеющей стали (по заказу) -
Диапазон показаний
Возможные диапазоны показаний термометра, С0 *
ТБф-120 d.100 IP54 -30…0…70 °С;
-40…0…60 °С;
-50…0…50 °С;
0…60, 80, 100, 120, 150, 160, 200, 250, 300, 350, 400, 450 °С.* наценки за исполнения и ограничения на производство в разделе прайсы.
-
Длина штока
Возможные монтажные длины защитных гильз термометра, мм *
ТБф-120 d.100 IP54 U46, 64, 100, 150, 200, 250, 300, 350, 400.

Шток ТБф-120 ГЗЛ-РТ (G1/2) для ТБф-120 ГЗЛ-РТ (М20*1,5; 1/2NPT), ГЗ-РТ для ТБф-120* для данной модели защитная гильза является обязательной частью.
ВАЖНО! Прибор поставляется только в комплекте с защитной гильзой, без гильзы не используется. Монтажная (внешняя) длина гильзы считается от опорной поверхности и включает в себя резьбовое присоединение к процессу или другому оборудованию. Монтажная длина штока имеет значение только для определения того, какая гильза может быть использована в комплекте с данным прибором. Опорной поверхностью, для определения монтажной длины штока, является нижний край не резьбового соединительного элемента. -
Гарантии
Гарантийный срок эксплуатации – 36 месяцев со дня ввода прибора в эксплуатацию при соблюдении потребителем правил эксплуатации, транспортирования, хранения и монтажа согласно руководству по эксплуатации.
Гарантийный срок хранения прибора – 12 месяцев с момента изготовления.
-
ДокументыОтказное письмо (гильзы)
Размер:
359,3 кбОтказное письмо (термометры)
Размер:
295,2 кб2019 ДСС ТУ_ТБф
Размер:
694,4 кбОписание типа
Размер:
2,1 мбСокращения и условные обозначения исполнений приборов ФТ
Размер:
259,5 кбСУТ ТБф
Размер:
555,6 кбcертификат соответствия (тр тс 032)
Размер:
1,4 мбдс тр тс032
Размер:
251,8 кбОП ТР ТС 032 ТБф 2024
Размер:
164,9 кбСертификат соответствия ТР ТС 012 ТБф
Размер:
2,8 мбДокументы СНГ
белорусское
Размер:
469,9 кбказахстанское
Размер:
177,4 кбказахстанское (на кз)
Размер:
177,7 кбДокументы для проектировщиков
Габаритные чертежи гильзы
Размер:
1,9 мбГабаритные чертежи прибора
Размер:
1,8 мбРуководство по эксплуатации
Размер:
715,4 кбМетодика поверки
Размер:
2,1 мбОбразец паспорта. Термометры
Размер:
939 кбОбразцы шкал ТБф 100 кт1,5 IP54
Размер:
5,8 мбКарта заказа ТБФ
Размер:
221,6 кб -
Видео
-
УслугиВыписка дубликатов документовДокументы о поверкеРемонт термометров биметаллических ТБфРегулировка напоромеров, манометров, термоманометров и термометровПериодическая поверка напоромеров, манометров, термоманометров и термометровГосударственная поверка напоромеров, манометров, термоманометров и термометров
Термометры
Общетехнические биметаллические термометры ТБф-120 d.100
Номинальный диаметр корпуса
100 мм
Класс точности
1,5
Степень пылевлагозащиты
IP54
Присоединительная резьба на штоке (термобаллоне)
нет
Межповерочный интервал — 3 года
Сроки доставки — 5-7 дней
В зависимости от размера заказа предоставляются скидки
Цена по запросу
Подберём решение под вашу задачу
Подготовим подбор по параметрам объекта, предложим совместимые варианты и отправим коммерческое предложение.
- Подбор аналога по ТЗ и бюджету
- Сверка совместимости перед поставкой
- Консультация по срокам и комплектации
Категория: Термометры
Полезные материалы:
Возможные диапазоны показаний термометра, С0 * |
|
|---|---|
| ТБф-120 d.100 IP54 |
-30…0…70 °С; -40…0…60 °С; -50…0…50 °С; 0…60, 80, 100, 120, 150, 160, 200, 250, 300, 350, 400, 450 °С. |























