| Соответствует ГОСТ 6616
|
ТЕХНИЧЕСКИЕ ХАРАКТЕРИСТИКИ |
ТПП 2003 |
|
диапазон измеряемых температур, °C |
0…+1300 |
|
номинальная статическая характеристика (НСХ) |
ПП(S) |
|
класс допуска |
2 |
|
показатель тепловой инерции, с |
90 |
|
степень защищенности от пыли и воды |
IP54 |
|
изоляция рабочего спая |
изолированный |
|
время термической реакции, с, не более |
90 |
|
диапазон условных давлений, МПа |
4,0 |
|
материал термоэлектродов |
(+)Пр-10 Ø 0.5 (-)ПлТ Ø 0.5 |
|
устойчивость к вибрации (по ГОСТ Р 52931) |
группа исп. V3 |
|
материал сменного чехла (по ГОСТ 8734) |
сталь 30ХГСА |
|
материал защитной арматуры (по ГОСТ 5632) |
сталь 12Х18Н10Т |
|
вид климатического исполнения |
У3, ТB3 |

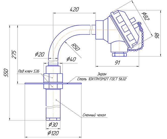
Преобразователь выполнен разборной конструкции, что позволяет в процессе эксплуатации производить замену чехла.

ПРИМЕР ЗАПИСИ ПРИ ЗАКАЗЕ:
«Преобразователь термоэлектрический ТПП 2003»






Задайте свой вопрос