| ТУ 4211-097-02566540-2012
ОБЛАСТЬ ПРИМЕНЕНИЯ:
Объекты энергетики, металлургии, химической, нефтяной, газовой, машиностроительной, перерабатывающей и других отраслей промышленности.
ПТИ 1107 функционально состоит из двух последовательно соединенных преобразователей:
- первичного термопреобразователя (далее – ПТ), представляющего собой защищенный арматурой термочувствительный элемент, в качестве которого можно использовать термопреобразователь сопротивления (далее – ТС) по ГОСТ 6651-2009 или преобразователь термоэлектрический (далее – ТП) по ГОСТ 6616-94;
- вторичного измерительного преобразователя (далее – ИП), представляющего собой электронное устройство по ГОСТ 13384-93, устанавливаемое в защитную головку, обеспечивающее преобразование выходного сигнала от ПТ в унифицированный электрический выходной сигнал постоянного тока 4…20 мА.
Диапазон измеряемых температур включает диапазон рабочих температур.
Рабочий диапазон температур устанавливается заказчиком в пределах диапазона измеряемых температур.
По заявке потребителя ПТИ 1107 могут поставляться с другой присоединительной резьбой и другой длиной монтажной части.
|
ТЕХНИЧЕСКИЕ ХАРАКТЕРИСТИКИ |
ПТИ 1107 |
|
виды климатических исполнений по ГОСТ 15150-69 |
У1, Т1 |
|
исполнение рабочего спая изолирован материал защитной головки алюминиевый сплав минимальная глубина погружения, не менее, мм |
60 |
|
номинальная статическая характеристика (НСХ), класс допуска, диапазон измеряемых температур ПТ |
см. табл. 1 |
|
напряжение питания, В |
от 10 до 36 |
|
диапазон измеряемых температур и номинальная температура применения |
см. табл. конструктивных исполнений |
|
время термической реакции при скорости потока жидкости 1,0 м/с |
|
|
средняя наработка до отказа |
|
|
монтажная часть защитной арматуры ПТИ 1107 должна быть рассчитана на условное давление (Ру) по ГОСТ 356-80 и выдерживать испытания на прочность пробным давлением (Рпр), указанным в таблице 4, и на герметичность – внутренним пневматическим давлением 0,6 МПа |
См. табл. 4 |
|
диапазоны преобразования и пределы основной приведенной погрешности |
см. табл. 2 |
|
электрическое сопротивление изоляции |
см. табл. 3 |
|
степень защиты от пыли и воды по ГОСТ 14254 |
IP66 |
|
устойчивость к вибрации (группа исполнения по ГОСТ 52931-2003) V3; F3; FX |
см. табл. 5 |
|
предел дополнительной допускаемой погрешности преобразования, вызванной отклонением температуры окружающего воздуха от нормальной, не превышает 0,5 предела основной погрешности на каждые 10 °С. |
|
|
средний срок службы, не менее, лет |
4 |
УСЛОВИЯ ЭКСПЛУАТАЦИИ:
|
диапазон температур окружающего воздуха, °C |
-40 …+ 80 |
|
относительная влажность воздуха при температуре 40 °C, % |
100 |
Таблица 1
|
НОМИНАЛЬНАЯ СТАТИЧЕСКАЯ ХАРАКТЕРИСТИКА (ДАЛЕЕ – НСХ), КЛАСС ДОПУСКА, ДИАПАЗОН ИЗМЕРЯЕМЫХ ТЕМПЕРАТУР ПТ |
||
|
НСХ |
Класс допуска |
Диапазон измеряемых температур, °С |
|
100М по ГОСТ 6651 |
В |
от -50 до +150 |
|
100П по ГОСТ 6651 |
B |
от -196 до +500 |
|
Pt100 по ГОСТ 6651 |
В |
от -196 до +500 |
|
ХА(К) по ГОСТ 6616 |
2 |
от -150 до +1300 |
Таблица 2
|
ПРЕОБРА-ЗОВАТЕЛЬ |
ЭЛЕКТРИЧЕСКОЕ СОПРОТИВЛЕНИЕ ИЗОЛЯЦИИ |
|||
|
между корпусом и |
величина, МОм, не менее |
|||
|
при темпера-туре (20±5) °C и относи-тельной влажности от 30 до 80 % |
при темпера-туре 35 °C и относи-тельной влаж-ности 98 % |
|||
|
Первич-ный преобра-зователь |
отсоеди-ненными выводами первич-ного преобра-зователя |
ТС |
100 |
0,5 |
|
ТП |
100 |
1,0 |
||
|
Вторич-ный преобра-зователь |
выходными контактами 5; 6 |
20 |
0,5 |
|
|
Примечание – При измерении электрического сопротивления изоляции ПТИ 1107 первичный и вторичный преобразователи электрически разъединяют |
||||
Таблица 3
|
Номер рисунка конструкции |
Условное давление, Ру, МПа |
Пробное давление, Рпр, МПа |
|
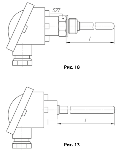
13, 20, 27 |
0,25 |
0,4 |
|
11, 12, 14, 15, 16, 17, 18, 19, 21, 22, 26, 28 |
10,0 |
15,0 |
Таблица 4
|
Устойчивость к вибрации |
Рисунок |
|
V3 |
рис. 11-22 (НСХ: ХА(К); 100П (-196…+500)) рис. 25 |
|
F3 |
рис. 11-22 (НСХ: 100М; 100П (-196…+200)) рис. 23, рис. 24 |
|
FX |
рис. 26 |
|
|
НСХ |
Диаметр защитной арматуры d, мм |
Диапазон измеряемых температур, (номинальная температура применения), °С |
Минимальная длина монтажной части для верхнего предела температуры, мм |
Материал защитной арматуры |
Средняя наработка до отказа, часов |
|
100 М |
8, 10 |
-50…+150 (130) |
60 |
12Х18Н10Т |
100 000 |
|
|
100 П |
-196…+200 (180) |
|||||
|
100 П |
-196…+500 (450) |
160 |
50 000 |
|||
|
Pt 100 |
||||||
|
Pt 100 |
-196…+200 (180) |
60 |
100 000 |
|||
|
ХА(К) |
-40…+800 (700) |
250 |
12Х18Н10Т 10Х17Н13М2Т |
50 000 |
||
|
ХА(К) |
-40…+1050 (950) |
320 |
10Х23Н18 |
|||
|
Длина монтажной части l, мм: 60, 80, 100, 120, 160, 200, 250, 320, 400, 500, 630, 800, 1000, 1250, 1600, 2000, 2500, 3150 |
||||||
|
Время термической реакции, с, не более: 30 – для диаметра защитной арматуры d = 10 мм; 20 – для диаметра защитной арматуры d = 8 мм. |
||||||
|
Масса, г, не более: М = (370 + 0,37×l) – для диаметра защитной арматуры d = 10 мм; М = (360 + 0,3×l) – для диаметра защитной арматуры d = 8 мм. |
||||||
|
|
НСХ |
Диаметр защитной арматуры d, мм |
Диапазон измеряемых температур, (номинальная температура применения), °С |
Минимальная длина монтажной части для верхнего предела температуры, мм |
Материал защитной арматуры |
Средняя наработка до отказа, часов |
|
100 М |
8, 10 |
-50…+150 (130) |
100 |
12Х18Н10Т |
100 000 |
|
|
100 П |
-196…+200 (180) |
|||||
|
100 П |
-196…+500 (450) |
160 |
50 000 |
|||
|
Pt 100 |
||||||
|
Pt 100 |
-196…+200 (180) |
60 |
100 000 |
|||
|
ХА(К) |
-40…+800 (700) |
250 |
12Х18Н10Т 10Х17Н13М2Т |
50 000 |
||
|
ХА(К) |
-40…+1050 (950) |
320 |
10Х23Н18 |
|||
|
Длина монтажной части l, мм: 100, 120, 160, 200, 250, 320, 400, 500, 630, 800, 1000, 1250, 1600, 2000, 2500, 3150 |
||||||
|
Время термической реакции, с, не более: 30 – для диаметра защитной арматуры d = 10 мм; 20 – для диаметра защитной арматуры d = 8 мм. |
||||||
|
Масса, г, не более: М = (350 + 0,37×l) – для диаметра защитной арматуры d = 10 мм; М = (340 + 0,3×l) – для диаметра защитной арматуры d = 8 мм. |
||||||
|
|
НСХ |
Диаметр защитной арматуры d, мм |
Диапазон измеряемых температур, (номинальная температура применения), °С |
Минимальная длина монтажной части для верхнего предела температуры, мм |
Материал защитной арматуры |
Средняя наработка до отказа, часов |
|
100 М |
6 |
-50…+150 (130) |
100 |
12Х18Н10Т |
100 000 |
|
|
100 П |
-196…+200 (180) |
|||||
|
100 П |
-196…+500 (450) |
160 |
50 000 |
|||
|
Pt 100 |
||||||
|
Pt 100 |
-196…+200 (180) |
100 |
100 000 |
|||
|
ХА(К) |
3, 5, 6 |
-40…+800 (700) |
250 |
50 000 |
||
|
ХА(К) |
-40…+1050 (950) |
320 |
ХН78Т |
|||
|
Длина монтажной части l, мм: 100, 120, 160, 200, 250, 320, 400, 500, 630, 800, 1000 – для всех ПТИ 1107; 1250, 1600, 2000, 2500, 3150, 4000, 5000, 6300, 8000, 10000, 12500, 14000, 16000, 18000, 20000, 25000, 30000 – только для ПТИ 1107 с ПТ типа ХА(К). |
||||||
|
Время термической реакции, с, не более: 8 – для диаметра защитной арматуры d = 6 мм; 6 – для диаметра защитной арматуры d = 5 мм; 2,5 – для диаметра защитной арматуры d = 3 мм. |
||||||
|
Масса, г, не более: М = (350 + 0,17×l) – для диаметра защитной арматуры d = 6 мм; М = (350 + 0,11×l) – для диаметра защитной арматуры d = 5 мм; М = (350 + 0,04×l) – для диаметра защитной арматуры d = 3 мм. |
||||||
|
|
НСХ |
Диаметр защитной арматуры d, мм |
Диапазон измеряемых температур, (номинальная температура применения), °С |
Минимальная длина монтажной части для верхнего предела температуры, мм |
Материал защитной арматуры |
Средняя наработка до отказа, часов |
|
100 М |
8, 10 |
-50…+150 (130) |
160 |
12Х18Н10Т |
100 000 |
|
|
100 П |
-196…+200 (180) |
|||||
|
100 П |
-196…+500 (450) |
160 |
50 000 |
|||
|
Pt 100 |
||||||
|
Pt 100 |
-196…+200 (180) |
60 |
100 000 |
|||
|
ХА(К) |
-40…+800 (700) |
250 |
12Х18Н10Т 10Х17Н13М2Т |
50 000 |
||
|
ХА(К) |
-40…+1050 (950) |
320 |
10Х23Н18 |
|||
|
Длина монтажной части l, мм: 160, 200, 250, 320, 400, 500, 630, 800, 1000, 1250, 1600, 2000, 2500, 3150 |
||||||
|
Время термической реакции, с, не более: 30 – для диаметра защитной арматуры d = 10 мм; 20 – для диаметра защитной арматуры d = 8 мм. |
||||||
|
Масса, г, не более (для рис. 13): М = (330 + 0,37×l) – для диаметра защитной арматуры d = 10 мм; М = (320 + 0,3×l) – для диаметра защитной арматуры d = 8 мм. Масса, г, не более (для рис. 18): М = (360 + 0,37×l) – для диаметра защитной арматуры d = 10 мм; М = (350 + 0,3×l) – для диаметра защитной арматуры d = 8 мм. |
||||||
|
НСХ |
Диаметр защитной арматуры d, мм |
Диапазон измеряемых температур, (номинальная температура применения), °С |
Минимальная длина монтажной части для верхнего предела температуры, мм |
Материал защитной арматуры |
Средняя наработка до отказа, часов |
|
100 М |
6 |
-50…+150 (130) |
160 |
12Х18Н10Т |
100 000 |
|
|
100 П |
-196…+200 (180) |
|||||
|
100 П |
-196…+500 (450) |
200 |
50 000 |
|||
|
Pt 100 |
||||||
|
Pt 100 |
-196…+200 (180) |
160 |
100 000 |
|||
|
ХА(К) |
3, 5, 6 |
-40…+800 (700) |
320 |
50 000 |
||
|
ХА(К) |
-40…+1050 (950) |
400 |
ХН78Т |
|||
|
Длина монтажной части l, мм: 160, 200, 250, 320, 400, 500, 630, 800, 1000 – для всех ПТИ 1107; 1250, 1600, 2000, 2500, 3150, 4000, 5000, 6300, 8000, 10000, 12500, 14000, 16000, 18000, 20000, 25000, 30000 – только для ПТИ 1107 с ПТ типа ХА(К). |
||||||
|
Время термической реакции, с, не более: 8 – для диаметра защитной арматуры d = 6 мм; 6 – для диаметра защитной арматуры d = 5 мм; 2,5 – для диаметра защитной арматуры d = 3 мм. |
||||||
|
Масса, г, не более (для рис. 19): М = (365 + 0,17×l) – для диаметра защитной арматуры d = 6 мм; М = (365 + 0,11×l) – для диаметра защитной арматуры d = 5 мм; М = (365 + 0,04×l) – для диаметра защитной арматуры d = 3 мм. Масса, г, не более (для рис. 20): М = (305 + 0,17×l) – для диаметра защитной арматуры d = 6 мм; М = (305 + 0,11×l) – для диаметра защитной арматуры d = 5 мм; М = (305 + 0,04×l) – для диаметра защитной арматуры d = 3 мм. |
||||||
|
|
НСХ |
Диаметр защитной арматуры d, мм |
Диапазон измеряемых температур, (номинальная температура применения), °С |
Минимальная длина монтажной части для верхнего предела температуры, мм |
Материал защитной арматуры |
Средняя наработка до отказа, часов |
|
100 М |
10/8 |
-50…+150 (130) |
60 |
12Х18Н10Т |
100 000 |
|
|
100 П |
-196…+200 (180) |
|||||
|
100 П |
-196…+500 (450) |
160 |
50 000 |
|||
|
Pt 100 |
||||||
|
Pt 100 |
-196…+200 (180) |
60 |
100 000 |
|||
|
ХА(К) |
-40…+800 (700) |
250 |
50 000 |
|||
|
ХА(К) |
-40…+1050 (950) |
320 |
10Х23Н18 |
|||
|
Длина монтажной части l, мм: 160, 200, 250, 320, 400, 500, 630, 800, 1000, 1250, 1600, 2000, 2500, 3150 |
||||||
|
Время термической реакции не более 20 с. |
||||||
|
Масса, г, не более: М = 370 + 0,37×l |
||||||
|
|
НСХ |
Диаметр защитной арматуры d, мм |
Диапазон измеряемых температур, (номинальная температура применения), °С |
Минимальная длина монтажной части для верхнего предела температуры, мм |
Материал защитной арматуры |
Средняя наработка до отказа, часов |
|
100 М |
6 |
-50…+150 (130) |
125 |
12Х18Н10Т/Л63 |
100 000 |
|
|
100 П |
-50…+150 (180) |
|||||
|
Pt 100 |
||||||
|
Длина монтажной части l, мм: 125, 150, 170, 200, 215, 250, 275, 335 |
||||||
|
Время термической реакции не более 15 с. |
||||||
|
Масса, г, не более: М = 345 + 0,16×l |
||||||
|
Рис. |
НСХ |
Диаметр защитной арматуры d, мм |
Диапазон измеряемых температур, (номинальная температура применения), °С |
Минимальная длина монтажной части для верхнего предела температуры, мм |
Материал защитной арматуры |
Средняя наработка до отказа, часов, не менее |
Длина монтажной части l, мм |
Время термической реакции, с |
Масса, г, не более |
|
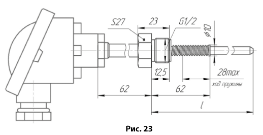
24 |
ХА(К) |
6 |
-40…+400 (380) |
60 |
12Х18Н10Т |
100 000 |
10, 32, 60, 80, 100, 120, 160, 200, 250, 320, 500 |
6,5 |
М = 350 + 0,17×l |
|
25 |
10/8,5 |
-40…+800 (700) |
12Х18Н10Т |
50 000 |
10, 20, 40, 60, 80, 100, 160, 200, 250, 320, 400, 500, 630, 800, 1000, 1250, 1600, 2000 |
М = 380 + 0,37×l |
|||
|
26 |
10 |
-40…+800 (700) |
100 |
12Х18Н10Т |
100 |
50 |
470 |
||
|
27 |
20 |
-40…+800 (700) |
320 |
12Х18Н10Т |
200, 250, 320, 400, 500, 630, 800, 1000, 1250, 1600, 2000, 2500, 3150 |
180 |
М = 330 + 1,14×l |
||
|
-40…+1050 (950) |
400 |
15Х25Т ХН78Т |
|||||||
|
28 |
-40…+800 (700) |
200 |
12Х18Н10Т |
200, 250, 320, 400, 500, 630, 800, 1000, 1250, 1600, 2000, 2500, 3150 |
М = 470 + 1,14×l |
||||
|
-40…+1050 (950) |
15Х25Т ХН78Т |
|
|||||||
|
29 |
12,5 |
-40…+1000 (900) |
800 |
нитрид кремния |
800, 1000, 1250, 1600, 2000, 2500 |
60 |
М = 520 + 0,3×l |
||
|
30 |
|
20; 15* |
-40…+1200 (1000) |
500 |
вакуумплотная керамика |
320, 400, 500, 800, 1000, 1250, 1600 |
90 |
М = 670 + 0,47×l |
|
|
31 |
|
20 |
-40…+1200 (1000) |
320 |
320, 400, 500, 800, 1000, 1250, 1600 |
М = 790 + 0,47×l |
|||
|
* В исполнениях с диаметром защитной арматуры 15 мм. используются съемные термовставки ДДШ 5.186.138 с одним или двумя чувствительными элементами. |
|||||||||


ПРИМЕР ЗАПИСИ ПРИ ЗАКАЗЕ:
ПТИ 1107 – 12 – 200 – 10 – 100П – 12Х18Н10Т – (0+500) – (4-20) мА – 0,5% У1 ТУ 4211-097-02566540-2012
1 2 3 4 5 6 7 8 9 10 11
1. Тип
2. Номер рисунка
3. Длина монтажной части l, мм
4. Диаметр монтажной части d, мм
5. НСХ
6. Материал защитной арматуры
7. Диапазон преобразования температуры, °С
8. Уровень и вид выходного сигнала
9. Величина основной приведенной погрешности
10. Обозначение ТУ
КОМПЛЕКТНОСТЬ:
|
Наименование |
Кол-во |
Примечания |
|
Преобразователь температуры интеллектуальный ПТИ 1107 |
1 шт. |
По спецификации заказа |
|
Паспорт МКСН.405261.021 ПС |
1 экз. |
|
|
Паспорт нормирующего преобразователя |
1 экз. |
|












