Основные технические характеристики
| Параметр | Значение для модели | ||
|---|---|---|---|
| РСМ-47-Р | РСМ-67-Р | РСМ-110-Р | |
| Диапазон рабочих давлений, МПа | 0…40 | 0…16 | -0,1…4 |
| Диапазон рабочих температур, оС | -50…+100 (-50…+200 — код Ф) | ||
| Максимальный вытесняемый объем, см3 | 0,24 | 1,1 | 4,5 |
| Внутренний объем, заполняемый жидкостью, см3 | 1,8 | 3,1 | 11 |
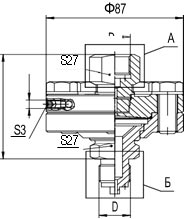
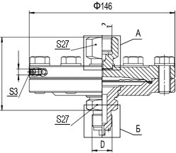
| Наружный диаметр D1, мм | 87 | 107 | 146 |
| Масса, кг | 1,78 | 2,2 | 3,7 |
Код резбового присоединение к процессу
| Код присоединения к процессу | D | Вид Б |
|---|---|---|
| M20 | М20×1,5-6g | ![]() |
| G1/2 | G1/2”-В | |
| 1/2NPT | 1/2-14 NPT | ![]() |
| K1/2 | K1/2” ГОСТ 6111–52 | |
| M20d | М20×1,5-6g | ![]() |
| G1/2d | G1/2”-В | |
| 1/2NPTf | 1/2–14 NPT | ![]() |
| K1/2f | K1/2” ГОСТ 6111-52 | |
| M20f | М20×1,5-7H | ![]() |
| G1/2f | G1/2”-В |
Код резбового присоединения к прибору
| Код присоединения к прибору | D1 | Вид A |
|---|---|---|
| M20f | М20×1,5-6g | ![]() |
| G1/2f | G1/2”-В | |
| 1/2NPTf | 1/2-14 NPT | ![]() |
| K1/2f | K1/2” |
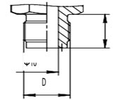
Габаритные и присоединительные размеры

Рис.1.1. РСМ-47-Р.

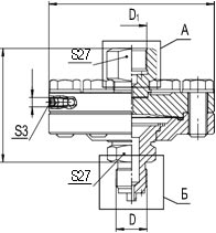
Рис.1.2.РСМ-67-Р.

Рис.1.3. РСМ-110-Р.
Код материла деталей
| Деталь | Материал | Код | Диапазон рабочихтемпературРСМ3),С° |
|---|---|---|---|
| Мембрана | сталь 10Х17Н13М2Т1) | 3 | |
| сталь 10Х17Н13М2Т1) с фторполимерным покрытием | 3F | ||
| Hastelloy C276 | 6 | ||
| Корпусные детали | сталь 12Х18Н10Т2) | 1 | |
| сталь 10Х17Н13М2Т1) | 3 | ||
| Уплотнительное кольцо | резина группы 3 по ГОСТ18829 | 1 | -50 … +100 |
| фторопласт | 2 | -50 … +200 |
1) Допускается применение сталей: AISI316, AISI316L, AISI316Тi.
2) Допускается применение сталей: 12Х18Н9Т, 08Х18Н10Т, AISI304.
3) Зависит от материала уплотнительного кольца.
Гарантийные обязательства
| Параметр | Значение |
|---|---|
| Гарантийный срок эксплуатации, месяцы | 36 со дня ввода в эксплуатацию, но не более 42 со дня изготовления |
Комплект поставки
| Наименование | Количество |
|---|---|
| Разделитель сред | 1 |
| Кольцо уплотнительное | 1 |
| Прокладка медная | 2 |
| Паспорт | 1 |
Обозначение при заказе
| РСМ-47-Р | 3 | 1 | 1 | М20 | М20f |
|---|---|---|---|---|---|
| 1 | 2 | 3 | 4 | 5 | 6 |
- Тип разделителя сред:
РСМ-47-Р;
РСМ-67-Р;
РСМ-110-Р - Материал мембраны:
3 – сталь 10Х17Н13М2Т 1);
3F – сталь 10Х17Н13М2Т 1) с фторполимерным покрытием;
6 – Hastelloy C276. - Материал корпусных деталей (корпус, штуцеры):
1 – сталь12Х18Н10Т;
3 – сталь AISI3161). - Материал уплотнительного кольца и наличие защитной мембраны:
1 – резина;
2 – фторопласт. - Резьбовое присоединение к процессу:
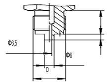
М20 – Наружная резьба М20х1,5 с проходным отверстием 3,5 мм;
G1/2 – Наружная резьба G1/2 с проходным отверстием 3,5 мм;
М20d – Наружная резьба М20х1,5 с проходным отверстием 10 мм;
G1/2d – Наружная резьба G1/2 с проходным отверстием 10мм;
К1/2 – Наружная резьба К1/2;
1/2NPT – Наружная резьба 1/2NPT;
М20f – Внутренняя резьба М20х1,5;
G1/2f – Внутренняя резьба G1/2
К1/2f – Внутренняя резьба К1/2
1/2NPTf – Внутренняя резьба 1/2NPT. - Резьбовое присоединение к прибору:
М20f – Внутренняя резьба М20х1,5;
G1/2f – Внутренняя резьба G1/2;
К1/2f – Внутренняя резьба К1/2;
1/2NPTf – Внутренняя резьба 1/2NPT.
Примечание
1) Допускается применение сталей: AISI 316L, AISI 316Тi; 10Х17Н13М2Т.
По специальному заказу разделитель сред поставляется в комплексе с измерительным устройством, капиллярной линией, а также с вакуумной заливкой одной из жидкостей: ПМС-5, ПЭФ-70/110, ПФМС-4.
















