Основные технические характеристики
| Параметр | Значение | |
|---|---|---|
| РСМ-34-С | РСМ-67-С | |
| Рабочий диапазон давлений, МПа | 0…40 | 0…10 |
| Диапазон рабочих температур, оС | −50…+350 | |
| Максимальный вытесняемый объем, см3 | 0,25 | 2,2 |
| Внутренний объем, заполняемый жидкостью, см3 | 0,5 | 3,5 |
| Масса, кг | 0,5 | 1,0 |
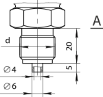
РСМ-34-C

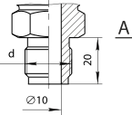
РСМ-67-С

Присоединение к процессу
| Код соединения | d вход среды (см. габаритные и присоединительные размеры) | D выход — прибор | |
|---|---|---|---|
| 00 | М20×1,5 | ![]() |
М20×1,5 |
| 01 | G1/2 | ||
| 02 | G1/2 | М20×1,5 | |
| 03 | G1/2 | ||
| 04 | М20×1,5 | ![]() |
М20×1,5 |
| 05 | G1/2 | ||
| 06 | G1/2 | М20×1,5 | |
| 07 | G1/2 | ||
Код материла деталей
| Деталь | Материал | Код | Диапазон рабочихтемператур РСМ,С° |
|---|---|---|---|
| Мембрана | сталь 10Х17Н13М2Т1) | 3 | -50 … +350 |
| Hastelloy C276 | 6 | ||
| Корпусныедетали | сталь 12Х18Н10Т2) | 1 | |
| сталь 10Х17Н13М2Т1) | 3 |
1) Допускается применение сталей: AISI316, AISI316L, AISI316Тi.
2) Допускается применение сталей: 12Х18Н9Т, 08Х18Н10Т, AISI304.
Гарантийные обязательства
| Параметр | Значение |
|---|---|
| Гарантийный срок эксплуатации, месяцы | 36 со дня ввода в эксплуатацию, но не более 42 со дня изготовления |
Комплект поставки
| Наименование | Количество |
|---|---|
| Разделитель сред | 1 |
| Прокладка медная | 2 |
| Паспорт | 1 |
Обозначение при заказе
| РСМ-34-С | 3 | 1 | М20 | М20f |
|---|---|---|---|---|
| 1 | 2 | 3 | 4 | 5 |
- Тип разделителя сред: РСМ-34-С и РСМ-67-С.
- Материал мембраны
- 3 – сталь AISI 316 1);
- 6 – Hastelloy C276.
- Материал корпусных деталей (корпус, штуцеры)
- 1 – сталь 12Х18Н10Т;
- 3 – сталь AISI 316 1) .
- Резьбовое присоединение к процессу
- М20 – Наружная резьба М20х1,5 с проходным отверстием 3,5 мм;
- G1/2 – Наружная резьба G1/2;
- М20d – Наружная резьба М20х1,5;
- G1/2d – Наружная резьба G1/2;
- К1/2 – Наружная резьба К1/2;
- 1/2NPT – Наружная резьба 1/2NPT;
- М20f – Внутренняя резьба М20х1,5;
- G1/2f – Внутренняя резьба G1/2;
- К1/2f – Внутренняя резьба К1/2;
- 1/2NPTf – Внутренняя резьба 1/2NPT.
- Резьбовое присоединение к прибору
- М20f – Внутренняя резьба М20х1,5;
- G1/2f – Внутренняя резьба G1/2;
- К1/2f – Внутренняя резьба К1/2;
- 1/2NPTf – Внутренняя резьба 1/2NPT.
1) Допускается применение сталей: AISI 316L, AISI316Тi; 10Х17Н13М2Т.
По специальному заказу разделитель сред поставляется в комплексе с измерительным устройством, капиллярной линией, а также с вакуумной заливкой одной из жидкостей: ПМС-5, ПЭФ-70/110, ПФМС-4.











