Скачать программное обеспечение
| ТУ 50-96 ДДШ 1.270.003 ТУ
Установка для поверки и градуировки датчиков температуры УПСТ-2М предназначена:
- для поверки (калибровки) и градуировки образцовых термоэлектрических преобразователей 2-го и 3-го разрядов и рабочих термоэлектрических преобразователей всех типов в диапазоне температур от 0 до 1200 °С двумя методами (прямого и поэлектродного сличения) в соответствии с ГОСТ8.338-2002, МИ 1744-87;
- для поверки (калибровки) и градуировки термопреобразователей сопротивления в диапазоне температур от 0 до 1200°С в соответствии с ГОСТ 8.461-2009.
Установка обеспечивает одновременную поверку и градуировку 8 преобразователей термоэлектрических и 10 термопреобразователей сопротивления.
Установка для поверки и градуировки датчиков температуры УПСТ-2М полностью заменяет серийно выпускаемые установки УПСТ-1, УПСТ-2 и УТТ-6 и обладает следующими преимуществами:
- возможностью поверки и градуировки термопреобразователей двумя методами прямого и поэлектродного сличения,
- возможностью поверки и градуировки образцовых термопреобразователей,
- меньшими по сравнению с УТТ-6 и УПСТ-2 габаритными размерами и массой блока управления,
- универсальностью (блочно-модульная конструкция дает возможность поставки в различной комплектации),
- каждое изделие, входящее в состав УПСТ-2М, может поставляться самостоятельно.
В качестве устройств воспроизведения температур в установке для поверки и градуировки датчиков температуры УПСТ-2М используются термостаты и печи. Поставляемые в составе термостатов (кроме нулевого и парового) и печей регуляторы температуры обеспечивают независимое задание и автоматическое поддержание заданных температурных режимов в печах или термостатах, что создает удобство при эксплуатации.
В качестве измерительного прибора используется измеритель В7-99.
При использовании измерителя В7-99 c программой автоматизации УПСТ поверка термоэлектрических преобразователей по ГОСТ 8.338-2002 проводится в полуавтоматическом режиме.
Программа автоматизации УПСТ формирует протокол поверки.
ОПИСАНИЕ АВТОМАТИЗАЦИИ ПРОГРАММЫ УПСТ (для В7-99):
Программа руководит действиями пользователя по коммутации входов БИ-1, снимает показания с измерителя В7-99, накапливает данные измерений при проведении поверки и формирует протокол поверки, сохраняя результаты в базе данных для последующего просмотра.
Наряду с прецизионным милливольтметром, печами и термостатами основными элементами установки для поверки и градуировки датчиков температуры УПСТ-2М являются блоки измерительные БИ-1 и БИ-2.
Блок измерительный БИ-1 предназначен для коммутации измерительных цепей при поверке и градуировке преобразователей термоэлектрических.
Блок измерительный БИ-2 предназначен для регулирования тока и коммутации измерительных цепей при поверке и градуировке термопреобразователей сопротивления.Для уменьшения перепада (градиента) температуры в рабочей зоне печь МТП-2МР-50-500 может использоваться совместно с никелевыми выравнивающими блоками. Предприятие может поставлять выравнивающие блоки, изготовленные по эскизу потребителя, либо блоки-заготовки, в которых потребитель может самостоятельно высверливать отверстия под конкретные датчики температуры.
| Характеристики | УПСТ-2М |
|
Диапазон воспроизводимых температур, °С |
в пределах 0…1200, зависит от термостатов и печей, входящих в состав конкретной УПСТ-2М |
| Применяемый прецизионный измеритель напряжения | измеритель В7-99* |
| Количество одновременно поверяемых (калибруемых, градуируемых) датчиков, шт.: | |
| – преобразователей термоэлектрических | до 8 |
| – термопреобразователей сопротивления | до 10 |
| Вид климатического исполнения по ГОСТ 15150-69 | УХЛ4.1 |
| Температура окружающего воздуха, °С | 20±5 |
| Питание | ~ 220 В; 50 Гц |
|
Габаритные размеры, масса и потребляемая мощность термостатов, печей, измеритель В7-99 и др. составных частей УПСТ-2М – см. соответствующие описание в разделе “МЕТРОЛОГИЧЕСКОЕ ОБОРУДОВАНИЕ” * при необходимости вместо В7-99 может использоваться любой тип вольтметра постоянного тока класса точности не более 0,01 на пределе измерения 100 мВ и с разрешающей способностью не более 1 мкВ |
|
| Характеристики | Блок измерительный | |
| БИ-1 | БИ-2 | |
| Вид климатического исполнения по ГОСТ 15150-69 | УХЛ4.1 | |
| Температура окружающего воздуха, °С | 20±5 | |
| Питание | не требует | ~ 220 В; 50 Гц |
| Потребляемая мощность**, Вт, не более | – | 10 |
| Габаритные размеры**, мм, не более | 242х132х470 | |
| Масса**, кг, не более | 5 | 6,5 |

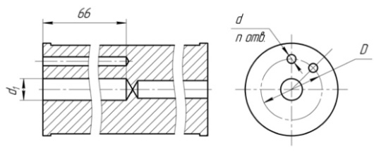
Рис.1 Блок выравнивающий

Рис.2 Остальное – см. рис.1
Устанавливает потребитель при заказе:
– размеры (d, d1),
– взаимное расположение (D),
– количество отверстий (n)


Рис.3
Остальное – см. рис.1
Рис.4 Блок выравнивающий МКСН.715131.014
Блок выравнивающий для печи МТП-2МР-70-1000 имеет длину 80 мм. и изготавливается в одном исполнении типа стакана МКСН.715131.014 (рис.4)
АО «НПП «Эталон» разрабатывает и выпускает установку УПСТ-2М для поверки и градуировки датчиков температуры.
Оборудование отличается точностью измерений, надежностью конструкции и простотой эксплуатации.
Мы обеспечиваем быструю доставку нашей продукции по всей территории России.
Основной комплект поставки:





Тип средства измерения зарегистрирован в Федеральном информационном фонде по обеспечению единства измерений под № 16173-02
Архив документов:
Декларация ТС No RU Д-RU.ME72.B.00021 о соответствии требованиям ТР ТС 004/2011 “О безопасности низковольтного оборудования”, ТР ТС 020/2011 “Электромагнитная совместимость технических средств”
Комплектность УПСТ-2М:
|
Наименование оборудования |
Кол-во |
Примечание |
|
Блок измерительный 1 (БИ-1) |
1 |
при работе с преобразователями термоэлектрическими |
|
Блок измерительный 2 (БИ-2) |
1 |
при работе с термопреобразователями сопротивления |
|
Универсальный измеритель В7-99* |
1 |
Диапазон измеряемых напряжений постоянного тока -300…+300 мВ |
|
Термостат нулевой ТН-1М |
1 |
Диапазон воспроизводимых температур 0 °С |
|
Термостат паровой ТП-2 |
1 |
Диапазон воспроизводимых температур 100 °С |
|
Печь МТП-2МР-50-500 |
2 |
Диапазон воспроизводимых температур +100…+1200 °С |
|
Преобразователь термоэлектрический эталонный ППО-2-1000 |
1 |
Диапазон измеряемых температур 300…1200 °С |
|
Термостат нулевой ДДШ 5.868.003 |
2 |
Для компенсации холодных концов |
|
Документация |
1 к-т |
|
|
Поставляется дополнительно (при необходимости) |
||
| Печь МТП-2МР-70-1000 | Диапазон воспроизводимых температур +100…+1200 °С | |
|
Преобразователь термоэлектрический эталонный ППО |
Диапазон измеряемых температур 300…1200 °С |
|
|
Криостат |
Диапазон воспроизводимых температур |
|
|
Термостат регулируемый ТР-1М-300, ТР-1М-500 |
Диапазон воспроизводимых температур +40…+200 °С |
|
|
Высокотемпературная печь ВТП 1600 |
Диапазон воспроизводимых температур +300…+1600 °С |
|
|
Преобразователь термоэлектрический эталонный ПРО |
Диапазон измеряемых температур 600… 1800 °С |
|
|
Эталонный термометры сопротивления ЭТС-100 |
Диапазон измеряемых температур |
|
|
Устройство дробления льда УДЛ-2 |
||
|
Выравнивающий блок для печи МТП-2МР-50-500, длина 140 мм. Конструктивное исполнение -02 (рис.3) |
с одним отверстием для ППО типа стакана |
|
|
* Возможно использовать измеритель В7-99 с расширенными функциями ПО. |
||
ПРИМЕР ЗАПИСИ ПРИ ЗАКАЗЕ:
“Установка УПСТ-2М в комплекте:
- блок измерительный БИ-1, БИ-2,
- милливольтметр В7-99,
- термостат нулевой ТН-1М,
- термостат паровой ТП-2,
- печь МТП-2МР-50-500 – 2 шт.
- термостат нулевой ДДШ 5.868.003 – 2шт.”
Программное обеспечение на УПСТ 2М
Паспорт УПСТ-2М
Методика поверки УПСТ-2МБолее сорока лет ФГУП «Всероссийский научно-исследовательский институт метрологии им.Д.И. Менделеева» тесно сотрудничает с ОАО «НПП «Эталон». За это время мы убедились, что ОАО «НПП «Эталон» является примером успешно работающего предприятия, имеющего сильный состав конструкторского бюро, создающего импортозамещающую высокотехнологическую продукцию.
Наше сотрудничество сыграло важную роль в создании государственных первичных и военных эталонов единиц теплофизических величин. Именно участие ОАО «НПП «Эталон» сыграло важную роль в модернизации Государственного первичного эталона единицы температуры ГЭТ 34-2021, Государственного первичного эталона единицы теплопроводности ГЭТ59-2007, Государственного первичного эталона единицы температурного коэффициента линейного расширения твердых тел ГЭТ 24-2007, а также осуществить модернизацию Военного эталона единицы энергетической яркости по инфракрасному излучению.
Мы надеемся, что наше плодотворное сотрудничество продолжится, и будет способствовать дальнейшему развитию отечественного приборостроения.
С уважением,
руководитель отдела эталонов и научных
исследований в области термодинамики А.И.Походун

От лица компании ООО “Самур” хочу выразить Вам благодарность и уважение. На протяжении всего периода взаимодействия и по настоящее время продукция компании отличалась высоким качеством, а поставки своевременностью,
Желаю дальнейших успехов и возлагаем надежды на дальнейшее взаимовыгодное совместное сотрудничество.
Директор ООО «САМУР» Носков Евгений Юрьевич






