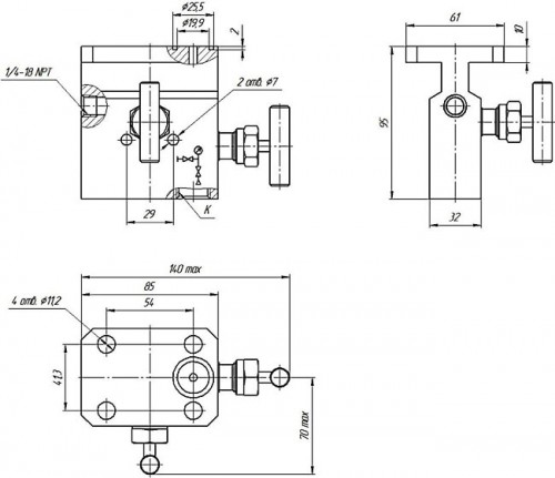
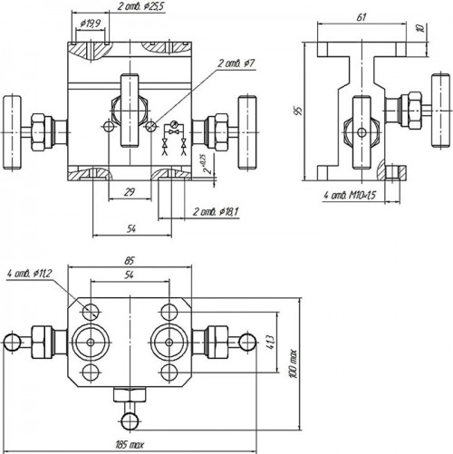
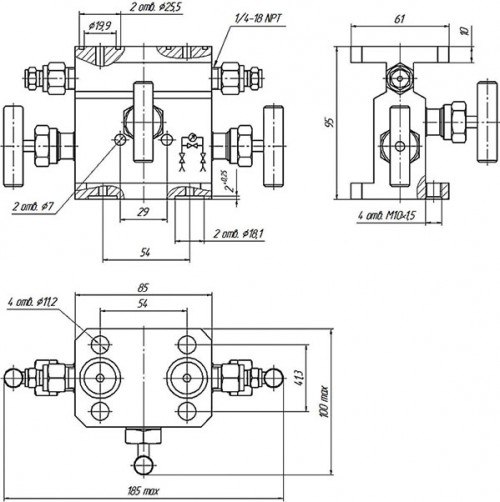
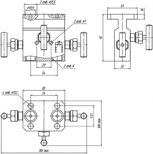
Основные технические характеристики
- Рабочая среда – жидкость, пар, газ.
- Номинальное давление рабочей среды до 40 МПа.
- Класс герметичности А по ГОСТ 9544-2015.
- Температурный диапазон рабочей среды от – 60 до + 400°С в зависимости от типа уплотнения:
Материал уплотнительных колец Максимальное рабочее давление, МПа Максимальная температура рабочей среды , ̊С Фторопласт 40 100 30 200 Графит 40 100 10 400
Материалы, контактирующие с рабочей средой
| Корпусные детали | Конусный золотник клапана | Сальниковое уплотнение штока |
|---|---|---|
| 12Х18Н10Т | 14Х17Н2 | фторопласт Ф-4 |
| графит |

Гарантийный срок
| Параметр | Значение |
|---|---|
| Гарантийный срок эксплуатации, месяцы | 36 со дня ввода в эксплуатацию, но не более 42 со дня изготовления |
Комплект поставки
| Наименование | Количество |
|---|---|
| Блок клапанный | 1 |
| Паспорт | 1 экз. |
| Руководство по эксплуатации | 1 экз. на партию в количестве 50 шт.
2 экз на партию более 50 шт. |
| Кольцо уплотнительное фторопластовое | 2 |
| Шайба 10 | 4 |
| Болт М10×45 | 4 |
Обозначение при заказе
| БКН | 3 | F | 2 | С | 1 | 1 | M1 | К |
| 1 | 2 | 3 | 4 | 5 | 6 | 7 | 8 | 9 |
- Наименование.
- Код количества вентелей:
- 2 – двухвентильный
- 3 – трехвентильный
- Код соединения с датчиком:
- F – Фланцевое
- Код исполнения по материалам корпуса:
- 2 – 12Х18Н10Т
- Код соединения с процессом:
- В – ½ NPT внутренняя
- D – К ½ внутренняя
- С – М20×1,5 наружная
- F – фланцевое, с помощью овальных фланцев
- Код материала уплотнения и температуры применения:
- 1 – фторопласт Ф4 (до 200°С)
- 2 – графит (до 400°С
- Код типа гидравлической схемы:
- 0 – без дренажа
- 1 – с дренажными клапанами (дренажная пробка)
- Болт:
- М1 – М10×1,5 (диаметр отверстия под болты Ø11,2), длина 25 мм
- U1 – 7/16 UNF, длина 25 мм
- Специальное исполнение:
- К – Кислородное
Примечание – в комплект поставки входит КМЧ (кольцо уплотнительное, шайба и болт). Дополнительное КМЧ можно заказать по отдельному заказу здесь.
Сертификаты
- БКН Декларация соответствия ТР ТС 010/2011 “О безопасности машин и оборудования” 31.05.2025 (RU)
- БКН Декларация соответствия ТР ТС 010/2011 “О безопасности машин и оборудования” по схеме декларирования 5д 01.06.2028 (RU)
- БКН Cертификат соответствии требованиям ГОСТ 30546.1-98; ГОСТ 30546.2-98; ГОСТ 30546.3-98 (исполнение сейсмостойкости 9 баллов по шкале MSK-64) 07.06.2026
















