
Цена по запросу.
Скачать полное описание
Технические характеристики
| Номинальный диаметр DN | 15–200 |
| Условное давление PN |
25 бар (DN15-80) / 16 бар (DN100-200) |
| Температура рабочей среды | От -10 °С до 150 °С |
| Рабочая среда | Вода, воздух, гликоли, а также другие среды, совместимые с материалами конструкции клапана |
| Характеристика регулирования | Линейная / равнопроцентная |
| Диапазон регулирования | 30:1 |
| Пропускная способность клапана, Kvs | 0,1–630 м3/ч |
| Компенсация давления | Неразгруженный по давлению (DN 15–50) |
| Разгруженный по давлению (DN 65–200) | |
| Класс герметичности | IV класс по ГОСТ 9544-2015 (уплотнение по затвору “металл-металл”) |
| VI класс по ГОСТ 9544-2015 (уплотнение по затвору PTFE) | |
| Тип присоединения | Фланцевый по ГОСТ 33259-2015, исп.В |
| Тип управления |
Электропривод |
Коэффициент начала кавитации Z
| DN | 15 | 20 | 25 | 32 | 40 | 50 | 65 | 80 | 100 | 125 | 150 | 200 |
| Z | 0,5 | 0,5 | 0,5 | 0,5 | 0,5 | 0,5 | 0,45 | 0,4 | 0,35 | 0,35 | 0,35 | 0,3 |
Пропускные способности клапана
|
DN |
Kvs, м3/ч |
|||||||||||||||||||||
|
0,1 |
0,16 |
0,25 |
0,4 |
0,6 |
1 |
1,6 |
2,5 |
4 |
6,3 |
10 |
16 |
25 |
40 |
63 |
80 |
125 |
160 |
200 |
250 |
400 |
630 |
|
|
Ход штока, мм |
||||||||||||||||||||||
|
15 |
10 |
10 |
10 |
10 |
10 |
10 |
10 |
10 |
10 |
– |
– |
– |
– |
– |
– |
– |
– |
– |
– |
– |
– |
– |
|
20 |
10 |
10 |
10 |
10 |
10 |
10 |
10 |
10 |
10 |
10 |
– |
– |
– |
– |
– |
– |
– |
– |
– |
– |
– |
– |
|
25 |
10 |
10 |
10 |
10 |
10 |
10 |
10 |
10 |
10 |
10 |
20 |
– |
– |
– |
– |
– |
– |
– |
– |
– |
– |
– |
|
32 |
– |
– |
– |
– |
– |
– |
– |
– |
– |
10 |
20 |
20 |
– |
– |
– |
– |
– |
– |
– |
– |
– |
– |
|
40 |
– |
– |
– |
– |
– |
– |
– |
– |
– |
– |
20 |
20 |
20 |
– |
– |
– |
– |
– |
– |
– |
– |
– |
|
50 |
– |
– |
– |
– |
– |
– |
– |
– |
– |
– |
– |
20 |
20 |
20 |
– |
– |
– |
– |
– |
– |
– |
– |
|
65 |
– |
– |
– |
– |
– |
– |
– |
– |
– |
– |
– |
– |
30 |
30 |
30 |
– |
– |
– |
– |
– |
– |
– |
|
80 |
– |
– |
– |
– |
– |
– |
– |
– |
– |
– |
– |
– |
– |
30 |
– |
30 |
30 |
– |
– |
– |
– |
– |
|
100 |
– |
– |
– |
– |
– |
– |
– |
– |
– |
– |
– |
– |
– |
– |
– |
30 |
30 |
30 |
– |
– |
– |
– |
|
125 |
– |
– |
– |
– |
– |
– |
– |
– |
– |
– |
– |
– |
– |
– |
– |
– |
50 |
– |
50 |
50 |
– |
– |
|
150 |
– |
– |
– |
– |
– |
– |
– |
– |
– |
– |
– |
– |
– |
– |
– |
– |
– |
– |
50 |
50 |
50 |
– |
|
200 |
– |
– |
– |
– |
– |
– |
– |
– |
– |
– |
– |
– |
– |
– |
– |
– |
– |
– |
– |
75 |
75 |
75 |
Примечание: по запросу доступны нестандартные значения Kvs.
Массогабаритные характеристики

|
DN |
L, мм |
H, мм |
Масса, кг* |
|||||
|
Электропривод ЭПР / ЭПА |
||||||||
|
0,6кН |
1,8кН |
4 кН |
10 кН |
14 кН |
25 кН |
|||
|
15 |
130 |
271 |
– |
– |
– |
– |
– |
3,2 |
|
20 |
150 |
266 |
– |
– |
– |
– |
– |
3,8 |
|
25 |
160 |
278 |
294 |
– |
– |
– |
– |
4,5 |
|
32 |
180 |
280 |
320 |
– |
– |
– |
– |
6,9 |
|
40 |
200 |
289 |
329 |
567 |
– |
– |
– |
9,6 |
|
50 |
230 |
283 |
323 |
573 |
– |
– |
– |
11,9 |
|
65 |
290 |
410 |
450 |
630 |
– |
– |
– |
21,0 |
|
80 |
310 |
– |
440 |
628 |
– |
– |
– |
28,0 |
|
100 |
350 |
– |
– |
637 |
– |
– |
– |
40,0 |
|
125 |
400 |
– |
– |
694 |
734 |
– |
– |
55,0 |
|
150 |
480 |
– |
– |
721 |
762 |
978 |
– |
75,0 |
|
200 |
600 |
– |
– |
– |
784 |
996 |
996 |
125,0 |
*- масса клапана указана без учета массы привода
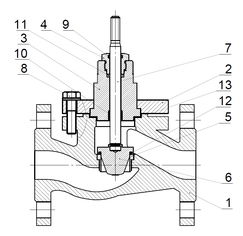
Спецификация материалов
![]() |
|
| DN 15-50 | DN 65-200 |
|
№ |
Наименование |
Материал |
|
|
DN15-50 |
DN65-200 |
||
|
1 |
Корпус |
Высокопрочный чугун ВЧ40 |
|
|
2 |
Крышка |
Сталь 20 |
|
|
3 |
Втулка сальника |
– |
Сталь 20Х13 |
|
4 |
Букса сальника |
– |
Сталь 20Х13 |
|
5 |
Седло |
Сталь 20Х13 |
|
|
6 |
Плунжер |
Сталь 20Х13 |
|
|
7 |
Шток |
Сталь 20Х13 |
|
|
8 |
Болт, шайба |
Углеродистая сталь, оцинковка |
|
|
9 |
Грязесъемник |
– |
EPDM |
|
10 |
Направляющая |
PTFE/Графит |
|
|
11 |
Сальник |
– |
EPDM + PTFE/Графит |
|
12 |
Уплотнение затвора* |
– |
PTFE/Графит |
|
13 |
Прокладка |
Графлекс |
|
* – при исполнении клапана с уплотнением по затвору “металл-металл” поз.12 отсутствует
Скачать

Скачать ТР ТС 010

Скачать ТР ТС 012

Скачать ТР ТС 032

Скачать гигиенический сертификат

Скачать СЕРТЭНЕРГО

Скачать сертификат сейсмостойкости
Информация о доставке
Скачать опросный лист для подбора клапана регулирующего с электроприводом






