30нж76нж задвижка
30нж76нж Ру63 задвижка из нержавеющей стали применяется в широком диапазоне рабочих температур с различной степенью агрессивности проводимых сред в жидком и газообразном состоянии. Исполнение УХЛ по ГОСТ 15150-69 разрешает применение запорного устройства в климатических условиях с повышенной влажностью, в условиях пониженных температур до -60°С. Отличительные особености задвижки – характеристика по условному давление сред (Ру) 63 кг/см2 и исполнение литой нержавеющей стали 12Х18Н9ТЛ. Задвижка имеет низкое гидравлическое сопротивление потоку в рабочем положении затвора «Открыто», что допускает её применение на нефтепроводах, в химической отрасли где не допустимо сужения сечения трубопроводной магистрали.
Задвижка фланцевая 30нж76нж по согласованию с заказчиком комплектуется КОФ и метизом, доставка производиться в любой регион РФ.
Таблица номенклатуры нержавеющих ЗКЛ Ру63
| Наименование нержавеющие ЗКЛ Ру63 | Материал корпусных деталей | Ру (кг/см2) / Pn (МПа) | Климатическое исполнение по ГОСТ 15150-69/ (t°C окружающей среды) | t°C рабочей среды | Тип присоединения |
| 30нж76нж Ду50 | 12Х18Н9ТЛ | 63 / 6,3 | УХЛ (От -60°С до +40°С) | От -60°С до +450°С | Фланцевое исполнение по ГОСТ 33259-2015, комплектуем КОФ |
| 30нж76нж Ду80 | |||||
| 30нж76нж Ду100 | |||||
| 30нж76нж Ду150 | |||||
| 30нж76нж Ду200 | |||||
| 30нж76нж Ду250 | |||||
| 30нж76нж Ду300 |
Цена 30нж76нж
На задвижки 30нж76нж цены оптовые и регулируются факторами количества, удалённости поставки и комплектации.
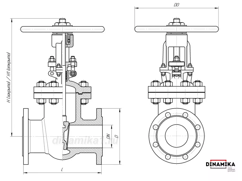
30нж76нж конструкция и размеры
По типу конструкции 30нж76нж задвижки выполняют только запорную функцию, т.е. затвор должен быть полностью либо открыт, либо закрыт. Управление ручное, поэтому конструкция проста и надёжна, поступательное вращение маховика передаёт вращение на выдвижной шпиндель с клиновым затвором, нержавеющий клин перекрывает перпендикуляно потоку полнопроходное сечение задвижки.

30с76нж размеры вес по чертежу
| Наименование | Размеры по чертежу* | |||||
| DN | L | H | H1 | D | D0 | |
| Задвижка 30нж76нж Ду50 | 50 | 270 | 443 | 513 | 175 | 220 |
| Задвижка 30нж76нж Ду80 | 80 | 321 | 539 | 639 | 210 | 280 |
| Задвижка 30нж76нж Ду100 | 100 | 359 | 625 | 745 | 250 | 350 |
| Задвижка 30нж76нж Ду150 | 150 | 447 | 999 | 1169 | 340 | 430 |
| Задвижка 30нж76нж Ду200 | 200 | 536 | 1020 | 1240 | 405 | 490 |
| Задвижка 30нж76нж Ду250 | 250 | 624 | 1218 | 1488 | 470 | 500 |
| Задвижка 30нж76нж Ду300 | 300 | 714 | 1356 | 1676 | 530 | 600 |
| Дополнительные размеры и вес 30с76нж задвижек уточняйте запросом в отдел продаж. | ||||||
Задвижки Ру63 Ду350 и Ду400 поставляются в комплектации с редуктором, либо с площадкой под установку электропривода, имеют соответствующие общепромышленные обозначения – 30нж576нж (с редуктором), 30нж976нж (под электропривод).
Характеристики 30нж76нж
По свойству коррозиестойкости к внешним и проводимым средам характеристики 3КЛ 30нж76нж имеют широкий диапазон параметров и как следствие, расширяют сферу промышленного применения.
Таблица характеристик 30нж76нж
| Задвижка нержавеющая клиновая Ру63 | 30нж76нж | |
| Изготовление и поставка | ТУ 3741-003-27844275-2014 | |
| Присоединения | фланцевое (по ГОСТ 33259-2015) | |
| Пропуск среды в затворе (класс) | «А» по ГОСТ Р 54808-2011 | |
| Управление затвором | Маховик (ручное) | |
| Условный проход, Ду (мм) | 50, 80, 100, 150, 200, 250, 300 | |
| Условное давление, Ру (кг/см2) | 63 | |
| Гидравлическое сопротивление не более | 0,3 | |
| Рабочие среды | Неагрессивные среды: вода, пар, газообразные смеси, нефтепродукты. | |
| Температура рабочей среды | От -60°С до +450°С | |
| Температура окружающей среды | От -60°С до +40°С | |
| Климатическое исполнение по ГОСТ 15150-69 | УХЛ | |
| Основные материалы исполнения | Корпусные детали | 12Х18Н9ТЛ |
| Клин | 12Х18Н9ТЛ | |
| Шпиндель | 12Х18Н9ТЛ / 08Х18Н10 | |
| Набивка сальника | ТРГ | |
| КОФ | 12Х18Н10Т | |
| Монтажное положение | на горизонтальном трубопроводе маховиком в верх, допустим наклон не более 45° | |
| Гарантия | 12 месяцев со дня ввода в эксплуатацию | |
| Средняя наработка на отказ | не менее 1500 циклов открытия / закрытия | |
| Установленный средний ресурс | Не менее 3000 | |
| Установленный, средний срок службы не менее | 10 лет. | |
| Отсутствующие в таблице данные предоставляются по запросу. | ||






