30с76нж задвижка Ру63
Задвижка 30с76нж с особенностью прекрытия жидких и газообразных потоков с давлением до 6,3 МПа на промышленных трубопроводах в нефте-газо-добывающей и переробатывающей отраслях. Изготовлена согласно ТУ 3741-003-27844275-2014 из литой стали 25Л в климатическом исполнении У1, для климатических условий по ХЛ1 предлагаем аналогичную по конструкции ЗКЛ 30лс76нж из стали 20ГЛ для применения в холодном климате до -60°С.
Продукция проходит выходной контроль на сертифицированном оборудовании с подтверждением класса герметичности «А», поставляется в комплектации с КОФ и крепежом в любой регион РФ и страны Таможенного Союза.
Таблица номенклатуры стальных клиновых задвижек Ру63
| Наименование стальные ЗКЛ Ру63 | Материал корпусных деталей | Наплавка на уплотнительных поверхностей: | Ру (кг/см2) / Pn (МПа) | Климатическое исполнение по ГОСТ 15150-69/ (t°C окружающей среды) | t°C рабочей среды | Тип присоединения |
| 30с76нж Ду50 | 20Л / 25Л | 07Х25Н13 / 20х13 | 63 / 6,3 | У1 (От -40°С до +40°С) | От -40°С до +450°С | Фланцевое исполнение по ГОСТ 33259-2015, комплектуем КОФ и метизом |
| 30с76нж Ду80 | ||||||
| 30с76нж Ду100 | ||||||
| 30с76нж Ду150 | ||||||
| 30с76нж Ду200 | ||||||
| 30с76нж Ду250 | ||||||
| 30с76нж Ду300 |
Таблица номенклатуры задвижек ХЛ Ру63
| Наименование хладостойкие ЗКЛ Ру63 | Материал корпусных деталей | Наплавка на уплотнительных поверхностей седла и клина | Ру (кг/см2) / Pn (МПа) | t°C рабочей среды | Климатическое исполнение по ГОСТ 15150-69 / (t°C окружающей среды) | Тип присоединения (КОФ) |
| 30лс76нж Ду50 | 20ГЛ | 07Х25Н13 | 63 / 6,3 | От -60°С до +450°С | ХЛ1 / (От -60°С до +40°С) | Фланцевое исполнение по ГОСТ 33259-2015, комплектуем КОФ и метизом |
| 30лс76нж Ду80 | ||||||
| 30лс76нж Ду100 | ||||||
| 30лс76нж Ду150 | ||||||
| 30лс76нж Ду200 | ||||||
| 30лс76нж Ду250 | ||||||
| 30лс76нж Ду300 |
Цена 30с76нж задвижки оптовая и устанавливается на момент согласования заявки от объёма и комплектации запорного трубопроводного устройства КОФ и крепежом. 
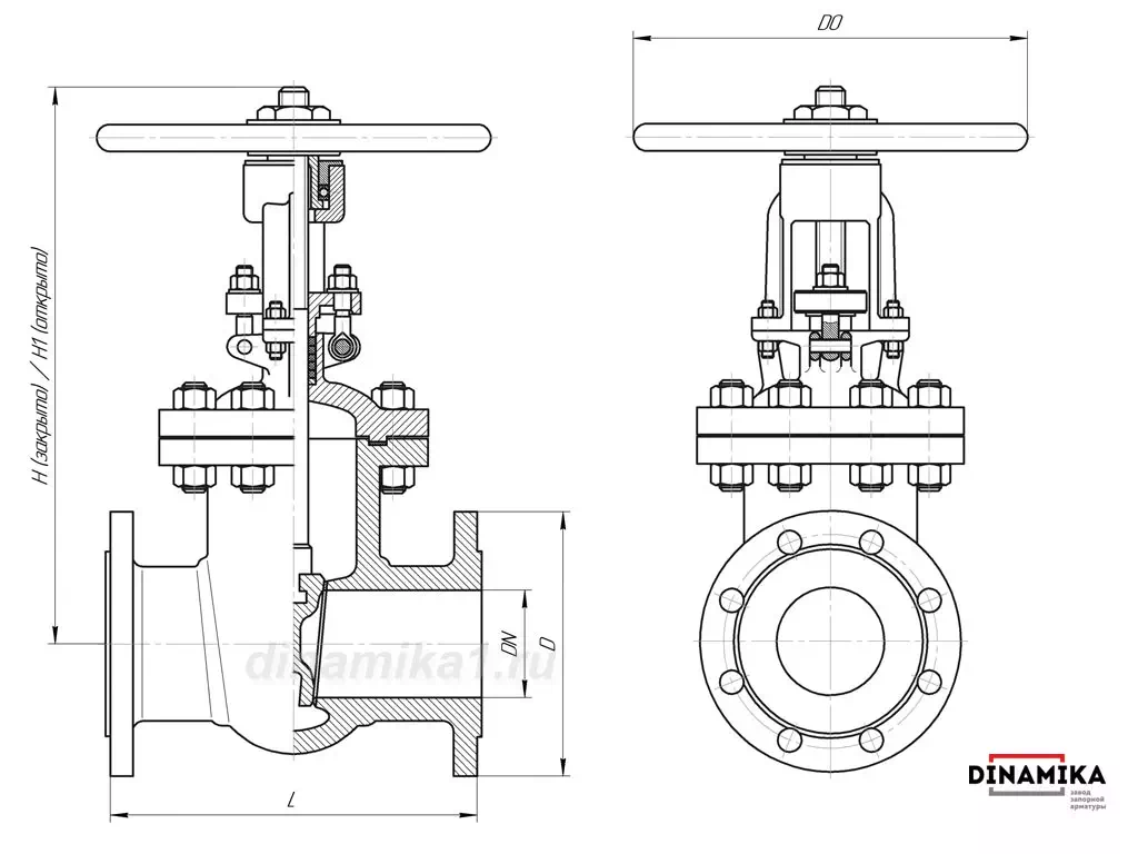
Размеры и вес ЗКЛ 30с76нж Ду50 – Ду300
| >Наименование | Размеры по чертежу* | |||||
| DN | L | H | H1 | D | D0 | |
| Задвижка 30с76нж Ду50 | 50 | 270 | 443 | 513 | 175 | 220 |
| Задвижка 30с76нж Ду80 | 80 | 321 | 539 | 639 | 210 | 280 |
| Задвижка 30с76нж Ду100 | 100 | 359 | 625 | 745 | 250 | 350 |
| Задвижка 30с76нж Ду150 | 150 | 447 | 999 | 1169 | 340 | 430 |
| Задвижка 30с76нж Ду200 | 200 | 536 | 1020 | 1240 | 405 | 490 |
| Задвижка 30с76нж Ду250 | 250 | 624 | 1218 | 1488 | 470 | 500 |
| Задвижка 30с76нж Ду300 | 300 | 714 | 1356 | 1676 | 530 | 600 |
| Дополнительные размеры и вес 30с76нж задвижек уточняйте запросом в отдел продаж. | ||||||
Задвижки Ру63 Ду350 и Ду400 поставляются в комплектации с редуктором, либо с площадкой под установку электропривода, имеют соответствующие общепромышленные обозначения – 30с576нж (с редуктором), 30с976нж (под электропривод).
Характеристики 30с76ж
Таблица характеристик 30с76нж
| Задвижка стальная клиновая Ру63 | 30с76нж | 30лс76нж | |
| Изготовление и поставка | ТУ 3741-003-27844275-2014 | ||
| Присоединения | фланцевое (по ГОСТ 33259-2015) | ||
| Пропуск среды в затворе (класс) | «А» по ГОСТ Р 54808-2011 | ||
| Управление затвором | Маховик (ручное) | ||
| Условный проход, Ду (мм) | 50, 80, 100, 150, 200, 250, 300 | ||
| Условное давление, Ру (кг/см2) | 63 | ||
| Гидравлическое сопротивление не более | 0,3 | ||
| Рабочие среды | Неагрессивные среды: вода, пар, газообразные смеси, нефтепродукты. | ||
| Температура рабочей среды | От -40°С до +450°С | От -60°С до +450°С | |
| Температура окружающей среды | От -40°С до +40°С | От -60°С до +40°С | |
| Климатическое исполнение по ГОСТ 15150-69 | У1 | ХЛ1 | |
| Основные материалы исполнения | Корпусные детали | 20Л / 25Л | 20ГЛ |
| Клин | 20Л / 25Л | 20ГЛ | |
| Наплавки уплотнительных поверхностей затвора: седло / клин | 07Х25Н13 / сталь по типу 20х13 | ||
| Шпиндель | 20х13 | 14Х17Н2 / 08Х18Н10 | |
| Набивка сальника | АГИ, ТРГ | ТРГ | |
| КОФ | Ст.20 | Ст.09Г2С | |
| Монтажное положение | на горизонтальном трубопроводе маховиком в верх, допустим наклон не более 45° | ||
| Гарантия | 12 месяцев со дня ввода в эксплуатацию | ||
| Наработка на отказ | не менее 1500 циклов | ||
| Установленный средний ресурс | Не менее 3000 циклов открытия / закрытия | ||
| Установленный, средний срок службы не менее | 10 лет. | ||
| Отсутствующие данные предоставляются по запросу. | |||
Аналогичные по конструкции нержавеющие задвижки клиновые 30нж76нж Ру63 с расширенными характеристиками для агрессивных сред.







