Характеристики
|
Электроприводы взрывозащищенные с маркировкой взрывозащиты 1ЕхdIIBТ4 применяются для управления работой дисковых затворов, шаровых кранов и другой арматуры с углом поворота рабочего органа на 90º. |
|
Параметры электропривода – ОФВ-К 24 В
|
![]() Четвертьоборотный взрывозащищенный электропривод ГЗ-ОФВ-80/21К 24В |
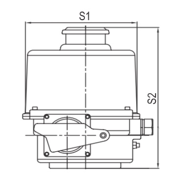
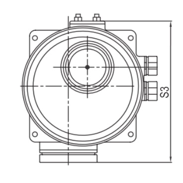
Габаритные и установочные
|
|
![]() Эскиз электропривода ОФВ-К 24 В вид спереди |
![]() Эскиз электропривода ОФВ-К 24 В вид сверху |
Электрическая схема подключения электропривода ОФВ-К 24 В |
|














