Скачать полное описание
Технические характеристики
|
Модель ЭПА |
202 |
204 |
210 |
314 |
325 |
||||
|
Тип управления |
Аналоговый 4–20 мА (0–10 В*) |
||||||||
|
Сигнал обратной связи |
4–20 мА (0–10 В*) |
||||||||
|
Скорость, мм/c |
0,735 |
1,0 |
1,11 |
||||||
|
Усилие, кН |
2 |
4 |
10 |
14 |
25 |
||||
|
Ход,мм |
50 |
60 |
100 |
||||||
|
Потребляемая мощность, Вт |
220В АС |
30 |
40 |
75 |
190 |
212 |
|||
| 380В АС |
30 |
40 |
75 |
160 |
205 |
||||
|
Напряжение, В |
220В АС, 380В АС; 24В АС, 24В DC* |
220В АС, 380В АС |
|||||||
|
Монтажное положение |
Любое, кроме приводом вниз |
||||||||
|
Кабельные вводы |
2 х M18*1,5 |
||||||||
|
Температура окружающей |
от -10 °С до 60 °С (от -30 до 60°С) |
||||||||
|
Степень защиты в соотв. |
IP65 (IP67*) |
||||||||
* – по запросу
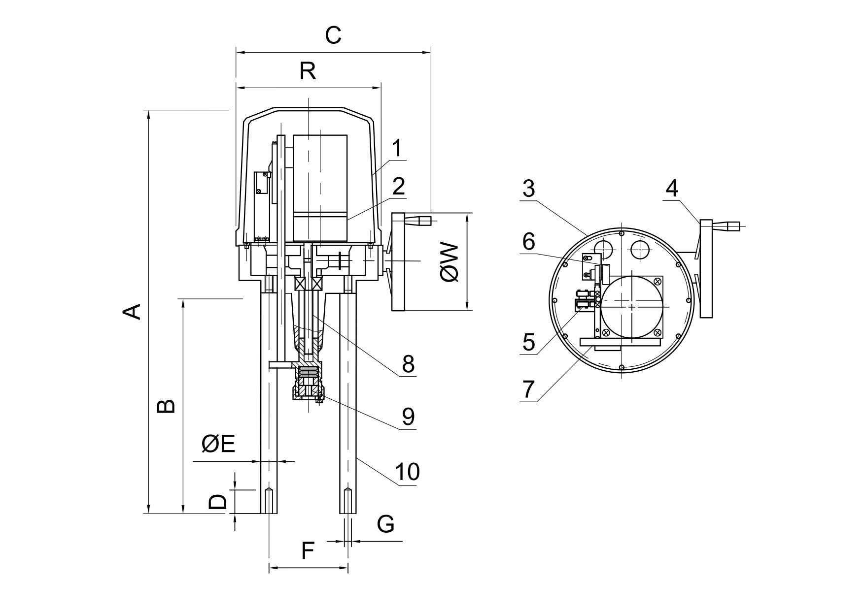
Конструкция привода
| № | Наименование |
| 1 | Крышка |
| 2 | Асинхронный двигатель |
| 3 | Плита привода |
| 4 | Ручной дублер |
| 5 | Концевые выключатели |
| 6 | Потенциометр обратной связи |
| 7 | Приборная панель |
| 8 | Шток привода |
| 9 | Присоединительная муфта |
| 10 | Стойка |
Массогабаритные характеристики
|
Модель ЭПА |
А, мм |
B, мм |
С, мм |
D, мм |
R, мм |
øE, мм |
F, мм |
G |
øW, мм |
Масса, кг |
|
202 |
485 |
240 |
275 |
25 |
186 |
20 |
100 |
М12х1,75 |
98 |
8 |
|
204 |
485 |
240 |
275 |
25 |
186 |
20 |
100 |
М12х1,75 |
98 |
8 |
|
210 |
530 |
270 |
300 |
25 |
198 |
20 |
100 |
М12х1,75 |
120 |
10 |
|
314 |
713 |
445 |
333 |
50 |
232 |
32 |
155 |
М16х2 |
120 |
24,5 |
|
325 |
713 |
445 |
333 |
50 |
232 |
32 |
155 |
М16х2 |
120 |
24,5 |
Скачать руководство по эксплуатации

Скачать ТР ТС 004, ТР ТС 020
Информация о доставке





