Купить электроприводы прямоходные ВЭП с трехпозиционным управлением и датчиком положения с токовым сигналом 4-20 мА
Такие прямоходные электроприводы ВЭП с трехпозиционным управлением и датчиком положения с токовым сигналом 4-20 мА модификации МА и ВА, применяются для управления двухходовыми и трехходовыми клапанами с номинальными диаметрами от DN15 до DN300. Климатическое исполнение электропривода — УХЛ 4 по ГОСТ 15150.
Отличительные особенности электроприводов ВЭП модификации МА (ВА)
- Низкий уровень шума (не более 35 дБ);
- Энергоэффективная схема управления двигателем производит автоматическую настройку усилия привода под фактическую нагрузку;
- Широкий диапазон скоростей, задаваемый пользователем;
- Два дополнительных регулируемых концевых выключателя;
- Режим работы S4 повторно-кратковременный реверсивный с частыми пусками ПВ 25% при максимальной нагрузке по ГОСТ 183, частота включений не более 630 в час;
- Датчик положения с активным выходом 4-20 мА (не требуется внешнего источника питания);
- Степень защиты IP65;
- Специальное исполнение шагового двигателя;
- Средний срок службы – не менее 10 лет;
- Гарантийный срок эксплуатации– 24 месяцев (2 года).
Применяемость электроприводов ВЭП модификации МА и ВА:
- Электроприводы серии ВЭП-111МА предназначены для управления клапанами ВКРП (для пара):
- Клапаны регулирующие ВКРП для пара (чугун);
- Клапаны регулирующие ВКРП для пара (сталь).
- Электроприводы серии ВЭП-115МА предназначены для управления двухходовыми клапанами ВКСР:
- Клапаны регулирующие проходные седельные ВКСР (чугун);
- Клапаны регулирующие проходные седельные ВКСР (сталь);
- Клапаны регулирующие проходные седельные муфтовые ВКСР DN15-DN50 (латунь);
- Клапаны регулирующие проходные седельные муфтовые ВКСР DN15-DN50 (нержавеющая сталь).
- Электроприводы серии ВЭП-118МА предназначены для управления трехходовыми клапанами ВКТР:
- Клапаны регулирующие трехходовые ВКТР (чугун);
- Клапаны регулирующие трехходовые муфтовые ВКТР DN15-DN50 (латунь);
- Клапаны регулирующие трехходовые муфтовые ВКТР DN15-DN50 (нержавеющая сталь).
ВАЖНО!
Данные электроприводы не предназначены для работы в средах, содержащих агрессивные пары, газы и вещества, вызывающие разрушение покрытия, изоляции и материалов, а также во взрывоопасных средах.
Примеры обозначение при заказе электропривода ВЭП:

- Механизм электрический исполнительный прямоходный ВЭП-111МА-700/50-20-220В,50Гц-IP65
Механизм исполнительный электрический прямоходный ВЭП, устанавливаемый на клапан регулирующий проходной ВКРП (для пара), с номинальным усилием 700Н, с номинальным временем полного хода 50 сек, с номинальным полным ходом 20 мм, с управляющим сигналом ~220В, 50 Гц и степенью защиты IP65. - Механизм электрический исполнительный прямоходный ВЭП-115МА-1600/50-20-220В,50Гц -IP65
Механизм исполнительный электрический прямоходный ВЭП, устанавливаемый на клапан регулирующий проходной ВКСР, с номинальным усилием 1600Н, с номинальным временем полного хода 50 сек, с номинальным полным ходом 20 мм, с управляющим сигналом ~220В, 50 Гц и степенью защиты IP65. - Механизм электрический исполнительный прямоходный ВЭП-118МА-3000/50-20-220В,50Гц -IP65
Механизм исполнительный электрический прямоходный ВЭП, устанавливаемый на клапан регулирующий проходной ВКТР, с номинальным усилием 3000Н, с номинальным временем полного хода 50 сек, с номинальным полным ходом 20 мм, с управляющим сигналом ~220В, 50 Гц и степенью защиты IP65.
Характеристики электроприводов прямоходных с трехпозиционным управлением
| Наименование параметров | Значение |
| Прибор |
ВЭП-111МА(ВА)/ВЭП-115МА(ВА)/ВЭП-118МА(ВА) |
|
Напряжение питающей сети |
220 В, 50 Гц. |
| Потребляемая мощность, Вт, не более |
6 (для усилия отключения 700Н/1600Н) 10 (для усилия отключения 2700Н) |
| Условия эксплуатации: -температура окружающей среды -относительная влажность воздуха |
от 1 °С до 50 °С |
| Уровень шума, дБ, не более |
35 |
| Степень защиты |
IP65 |
| Усилие отключения, Н |
700±10 % 1600±10 % 2700±10 % |
| Номинальный полный ход, мм |
20±10 % |
| Номинальное время полного хода, с (в зависимости от положения переключателей) |
50±10 % |
| Управление |
Трехпозиционное, 230В |
| Датчик положения:
— cигнал обратной связи (от внутреннего источника питания) |
4-20 мА |
| Регулируемые концевые выключатели, шт |
2 |
| Класс защиты от поражения электрическим током |
II |
| Масса, кг, не более |
1,8 |
| Режим работы |
Повторно-кратковременный с частыми |
| Средний срок службы |
Не менее 10 лет |
| Содержание драгоценных металлов в граммах на единицу изделия: — золото — серебро — палладий |
0,009318 0,016707 0,000480 |
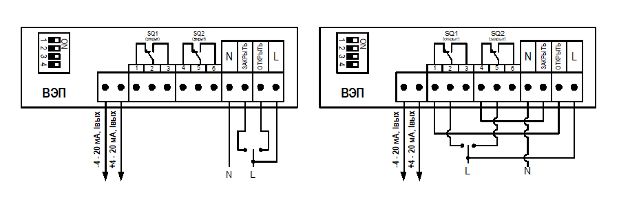
Схемы подключения электроприводов прямоходных ВЭП

а) при работе с полным рабочим ходом (отключение по усилию в крайних положениях).
б) при работе с ограничением рабочего хода.






