,

Электроприводы TSL

Теплосила

Электропривод управляется модулем управления (контроллером), который формирует трехпозиционный или аналоговый управляющий сигнал и служит для управления двух и трехходовыми регулирующими клапанами с поступательным перемещением штока.

Регулирующие клапаны с электроприводами устанавливают в системах отопления, вентиляции и горячего водоснабжения зданий, а также в системах автоматизации технологических процессов.

Электропривод TSL универсальный (имеет 4 скорости перемещения штока) и может использоваться в системах отопления и ГВС благодаря возможности настройки скорости перемещения штока на объекте.

Электропривод прямоходный TSL обладает следующими возможностями:

  • имеет функцию ручного регулирования;
  • позволяет визуально осуществлять индикацию положения;
  • имеет регулируемые концевые выключатели положения для регулировки хода штока;
  • оснащен встроенной электронной защитой от перегрузки по усилию для предотвращения поломки электропривода.         


В зависимости от размера заказа предоставляются скидки

Цена по запросу

Подберём решение под вашу задачу

Подготовим подбор по параметрам объекта, предложим совместимые варианты и отправим коммерческое предложение.

  • Подбор аналога по ТЗ и бюджету
  • Сверка совместимости перед поставкой
  • Консультация по срокам и комплектации

Категория: Приводная техника

Полезные материалы:

Оставить заявку на подбор

Технические характеристики электроприводов TSL с трехпозиционным управлением

НАИМЕНОВАНИЕ ПАРАМЕТРОВ,
ЕДИНИЦЫ ИЗМЕРЕНИЯ
ЗНАЧЕНИЯ ПАРАМЕТРОВ

Марка электропривода

TSL-1600-25-1-230-IP67

TSL-2200-25-1S-230-IP67

TSL-2200-40-1-230-IP67

TSL-3000-40-1S-230-IP67

TSL-3000-60-1-230-IP67

TSL-6000-60-1-230-IP67

Маркировка электропривода

при раздельной поставке

101-Н

101S-Н

110-Н

110S-Н

120-Н

130-Н

Климатическое исполнение

УЗ

Напряжение

230 VAC

230 VAC

230 VAC

230 VAC

230 VAC

230 VAC

Тип управления

Трехпозиционное

Рабочий ход, мм

25

40

60

Скорость управления,

мм/мин

25; 15; 10; 7,5

15; 10; 7,5; 6

Номинальная нагрузка, Н

1600

2200

3000

6000

Усилие отключения, Н

2000 ± 300

2700 ± 300

3600 ± 300

7000 ± 500

Потребляемая мощность, Вт

10

12

Степень защиты

IP 67

Ручное управление

есть

Местный указатель

положения

есть

Тип подключения

клеммная колодка

Выключение по усилию

электронное, бесконтактное

Выключатели положения

есть, регулируемые

Индикатор состояния

есть

Подключение

Кабельные зажимы 2,5 мм2 (кабельные вводы М16х1,5)

Масса, кг, не более

2,1

2,4

2,6

3,3

 

Технические характеристики электроприводов TSL с функцией безопасности

НАИМЕНОВАНИЕ ПАРАМЕТРОВ,
ЕДИНИЦЫ ИЗМЕРЕНИЯ
ЗНАЧЕНИЯ ПАРАМЕТРОВ

Марка электропривода

TSL-1600-25-1R-230-IP67

TSL-2200-40-1R-230-IP67

TSL-3000-40-1RS-230-IP67

TSL-1600-25-2AR-230-IP67

TSL-2200-40-2AR-230-IP67

TSL-1600-25-2AR-24-IP67

TSL-2200-40-2AR-24-IP67

Маркировка электропривода
при раздельной поставке

101R-Н

110R-Н

110RS-Н

302R-Н

312R-Н

303R-Н

313R-Н

Климатическое исполнение

УХЛ З.1 по ГОСТ 15150-69

Напряжение питания

230 VAC

24 VAC/DC

Тип управления

Трехпозиционное

Трехпозиционное;
Аналоговое 0(4)-20 мА и 0(2)-10 V;
RS-485 (Modbus RTU)

Рабочий ход, мм

25

40

40

25

40

25

40

Скорость управления, мм/мин (сек/мм)*

7,5 (8); 10 (6); 15 (4); 25 (2,4)

Номинальная нагрузка, Н

1600

2200

3000

1600

2200

1600

2200

Усилие отключения, Н

2000 ± 300

2700 ± 300

3600 ± 300

2000 ± 300

2700 ± 300

2000 ± 300

2700 ± 300

Потребляемая мощность, Вт

10

12

8

10

8

10

Степень защиты

IP 67

Ручное управление

есть

Местный указатель положения

есть

Тип подключения

клеммная колодка

Выключение по усилию

электронное, бесконтактное

Выключатели положения

есть, регулируемые

нет (ограничение хода программируется через RS-485)

Сигнал обратной связи*

нет

Аналоговое 0(4)-20 mА и 0(2)-10 VRS-485 (Modbus RTU)

Возврат в исходное положение

при отключении питания

есть

Возможность выбора исходного

положения «открыто» или «закрыто»

есть

Индикатор состояния

есть

Подключение

Кабельные зажимы 2,5 мм2 (кабельные вводы М16х1,5)

Масса, кг, не более

2,3

2,6

2,6

2,3

2,6

2,0

2,3

Примечания:

* – настраивается с помощью переключателей электропривода

 

Технические характеристики электроприводов TSL с аналоговым управлением

НАИМЕНОВАНИЕ ПАРАМЕТРОВ,
ЕДИНИЦЫ ИЗМЕРЕНИЯ
ЗНАЧЕНИЯ ПАРАМЕТРОВ

Марка электропривода

TSL-1600-25-2А-230-IP67

TSL-1600-25-2А-24-IP67

TSL-2200-25-2АS-230-IP67

TSL-2200-25-2АS-24-IP67

TSL-2200-40-2А-230-IP67

TSL-2200-40-2А-24-IP67

TSL-3000-40-2АS-230-IP67

TSL-3000-40-2АS-24-IP67

TSL-3000-60-2А-230-IP67

TSL-3000-60-2А-24-IP67

Маркировка электропривода
при раздельной поставке

302-Н

303-Н

302S-Н

303S-Н

312-Н

313-Н

312S-Н

313S-Н

322-Н

323-Н

Климатическое исполнение

УХЛ З.1 по ГОСТ 15150-69

Номинальная нагрузка, Н

1600

2200

3000

Усилие отключения, Н

2000 ± 300

2700 ± 300

3600 ± 300

Номинальный полный ход, мм

25

40

60

Напряжение, VAC/DC

230 VAC

24 VAC/DC

230 VAC

24 VAC/DC

230 VAC

24 VAC/DC

230 VAC

24 VAC/DC

230 VAC

24 VAC/DC

Потребляемая мощность, Вт

8

10

12

Тип управления*

Трехпозиционное; Аналоговое 0(4)-20 мА и 0(2)-10 V; RS-485 (Modbus RTU)

Скорость управления, мм/мин(сек/мм)*

7,5 (8); 10 (6); 15 (4); 25 (2,4)

Входное сопротивление длясигнала 0(2)-10 V

> 100 кОм

Входное сопротивление длясигнала 0(4)-20 mA

510 Ом

Сигнал обратной связи*

Аналоговое 0(4)-20 mА и 0(2)-10 V;

RS-485 (Modbus RTU)

Нагрузка для выходногосигнала 0(2)-10 V

> 2 кОм

Нагрузка для выходногосигнала 0(4)-20 mA

< 510 Ом

Чувствительность, %**

0,6

Степень защиты

IP 67

Ручное управление

есть

Местный указатель положения

есть

Подключения

кабельный вводы М16х1,5; клеммные зажимы 2,5 мм2

Выключение по усилию

электронное, бесконтактное

Ограничение хода**

есть

Индикатор состояния

есть

Масса, кг, не более

2,1

1,8

2,1

1,8

2,4

2,1

2,4

2,1

2,5

2,2

Примечания:

* – настраивается с помощью переключателей электропривода

** – программируется через интерфейс RS-485

 

Технические характеристики электроприводов TSL с трехпозиционным управлением и дополнительными возможностями по подключению концевых выключателей

НАИМЕНОВАНИЕ ПАРАМЕТРОВ,
ЕДИНИЦЫ ИЗМЕРЕНИЯ
ЗНАЧЕНИЯ ПАРАМЕТРОВ

Марка электропривода

TSL-1200-25-2-230-IP67

TSL-1200-25-2-24-IP67

TSL-1600-25-2-230-IP67

TSL-1600-25-2-24-IP67

TSL-2200-40-2-230-IP67

TSL-2200-40-2-24-IP67

TSL-3000-60-2-230-IP67

TSL-3000-60-2-24-IP67

Маркировка электропривода

при раздельной поставке

94-Н

95-Н

104-Н

105-Н

114-Н

115-Н

124-Н

125-Н

Климатическое исполнение

УЗ

Напряжение

230 VAC

24 VAC/DC

230 VAC

24 VAC/DC

230 VAC

24 VAC/DC

230 VAC

24 VAC/DC

Тип управления

Трехпозиционное

Рабочий ход, мм

25

40

60

Скорость управления,

мм/мин

6; 4; 2,5; 2

25; 15; 10; 7,5

Номинальная нагрузка, Н

1200

1600

2200

3000

Усилие отключения, Н

1500 ± 200

2000 ± 300

2700 ± 300

3600 ± 300

Потребляемая мощность, Вт

8

10

12

Степень защиты

IP 67

Ручное управление

есть

Местный указатель

положения

есть

Тип подключения

клеммная колодка

Выключение по усилию

электронное, бесконтактное

Выключатели положения

есть, регулируемые, с возможностью снятия сигнала

Индикатор состояния

есть

Подключение

Кабельные зажимы 2,5 мм2 (кабельные вводы М16х1,5)

Масса, кг, не более

2,1

1,8

2,1

1,8

2,4

2,1

2,6

2,3

 

Технические характеристики терморегулирующих электроприводов TSL-1T и TSL-2T

НАИМЕНОВАНИЕ ПАРАМЕТРОВ,
ЕДИНИЦЫ ИЗМЕРЕНИЯ
ЗНАЧЕНИЯ ПАРАМЕТРОВ

Марка электропривода

TSL-1600-25-2T-230-IP67

TSL-2200-40-2T-230-IP67

TSL-3000-60-2T-230-IP67

TSL-1600-25-1TR-230-IP67

TSL-2200-40-1TR-230-IP67

Маркировка электропривода

при раздельной поставке

401-Н

410-Н

420-Н

201R-Н

210R-Н

Климатическое исполнение

УЗ

Напряжение, VAC

230

Рабочий ход, мм

25

40

60

25

40

Скорость управления, мм/мин

25; 15; 10; 7,5

Номинальная нагрузка, Н

1600

2200

3000

1600

2200

Усилие отключения, Н

2000 ± 300

2700 ± 300

3600± 400

2000 ± 300

2700 ± 300

Количество каналов
измерения температуры

2

1

Тип датчика температуры

Pt 1000

Тип регулирования

СО или ГВ

ГВ

Диапазон регулированиятемпературы в системе ГВС*, ºС

10 – 99

Диапазон регулированиятемпературы в системе отопления*, ºС

10 – 150

Автонастройка полного хода

Да

Установка направленияперемещения штока*

Да

Индикатор режима

Да

Интерфейс связи RS-485

Да

Реле «Авария»**

Нет

Да

Функция безопасности
(возврат штока при пропадании
электропитания)

Нет

Да

Местный указатель положения

Да

Ручное управление

Да

Степень защиты

IP67

Масса, кг, не более

2,1

2,4

2,6

2,5

2,7

Подключение

Клеммные зажимы 2,5 мм2 (кабельные вводы М16х1,5)

Примечания:

*- настройка производится переключателями.

** – максимальные параметры релейного выхода “Авария”: 250 В, 50 Гц; 1 А (cos φ=1).

Маркировка и пример заказа электропривода TSL
TSL-X1-X2-X3-X4-IP67
где:

TSL – Условное обозначение привода;

X1 – Обозначение номинального усилия привода, Н;

X2 – Величина хода электропривода, мм;

X3 – Конструктивное исполнение:

1 – Исполнение с трехпозиционным управлением;

1S – Исполнение с трехпозиционным управлением и большим усилием

1R – Исполнение с трехпозиционным управлением и функцией безопасности;

1RS – Исполнение с трехпозиционным управлением, функцией безопасности и большим усилием;

2 – Исполнение с трехпозиционным управлением и дополнительными возможностями по подключению концевых выключателей;

2А – Исполнение с аналоговым управлением;

2AS – Исполнение с аналоговым управлением и большим усилием;

2AR – Исполнение с аналоговым управлением и функцией безопасности;

2T – Терморегулирующий привод для систем отопления и ГВС;

1TR – Терморегулирующий привод с функцией безопасности;

X4 – Напряжение питания привода, В;

IP67 – Класс защиты электропривода.

 

ПРИМЕР ЗАКАЗА:

TSL-1600-25-1-230-IP67 – электропривод прямоходный трехпозиционный TSL с номинальным усилием 1600 Н, величиной хода привода 25 мм стандартного исполнения с напряжением питания 230 В и степенью защиты IP67.

 Габаритные и присоединительные размеры электроприводов TSL

МОДИФИКАЦИЯ ЭЛЕКТРОПРИВОДА

МАРКИРОВКА ТИПА
ЭЛЕКТРОПРИВОДА

РАЗМЕРЫ, НЕ БОЛЕЕ, мм

А

В

В1

С

Н

h

TSL-1600-25-1-230-IP67

101-H

170

115

90

70

200

25

TSL-1600-25-1R-230-IP67

101R-H

170

115

90

70

200

25

TSL-2200-25-1S-230-IP67

101S-H

170

115

90

70

200

25

TSL-2200-40-1-230-IP67

110-H

170

115

130

110

215

40

TSL-2200-40-1R-230-IP67

110R-H

170

115

130

110

215

40

TSL-3000-40-1S-230-IP67

110S-H

170

115

130

110

215

40

TSL-3000-40-1RS-230-IP67

110RS-H

170

115

130

110

215

40

TSL-3000-60-1-230-IP67

120-H

170

115

130

110

245

60

TSL-6000-60-1-230-IP67

130-H

170

115

130

110

270

60

TSL-1200-25-2-230-IP67

94-H

170

115

90

70

200

25

TSL-1600-25-2-230-IP67

104-H

170

115

90

70

200

25

TSL-2200-40-2-230-IP67

114-H

170

115

130

110

215

40

TSL-3000-60-2-230-IP67

124-H

170

115

130

110

245

60

TSL-1200-25-2-24-IP67

95-H

170

115

90

70

200

25

TSL-1600-25-2-24-IP67

105-H

170

115

90

70

200

25

TSL-2200-40-2-24-IP67

115-H

170

115

130

110

215

40

TSL-3000-60-2-24-IP67

125-H

170

115

130

110

245

60

TSL-1600-25-2A-230-IP67

302-H

170

115

90

70

200

25

TSL-1600-25-2AR-230-IP67

302R-H

170

115

90

70

200

25

TSL-1600-25-2A-24-IP67

303-H

170

115

90

70

200

25

TSL-1600-25-2AR-24-IP67

303R-H

170

115

90

70

200

25

TSL-2200-25-2AS-230-IP67

302S-H

170

115

90

70

200

25

TSL-2200-25-2AS-24-IP67

303S-H

170

115

90

70

200

25

TSL-2200-40-2A-230-IP67

312-H

170

115

130

110

215

40

TSL-2200-40-2AR-230-IP67

312R-H

170

115

130

110

215

40

TSL-2200-40-2A-24-IP67

313-H

170

115

130

110

215

40

TSL-2200-40-2AR-24-IP67

313R-H

170

115

130

110

215

40

TSL-3000-40-2AS-230-IP67

312S-H

170

115

130

110

215

40

TSL-3000-40-2AS-24-IP67

313S-H

170

115

130

110

215

40

TSL-3000-60-2A-230-IP67

322-H

170

115

130

110

245

60

TSL-3000-60-2A-24-IP67

323-H

170

115

130

110

245

60

TSL-1600-25-2T-230-IP67

401-H

170

115

90

70

200

25

TSL-2200-40-2T-230-IP67

410-H

170

115

130

110

215

40

TSL-3000-60-2T-230-IP67

420-H

170

115

130

110

245

60

TSL-1600-25-1TR-24-IP67

201R-H

170

115

90

70

200

25

TSL-2200-40-1TR-24-IP67

210R-H

170

115

130

110

215

40

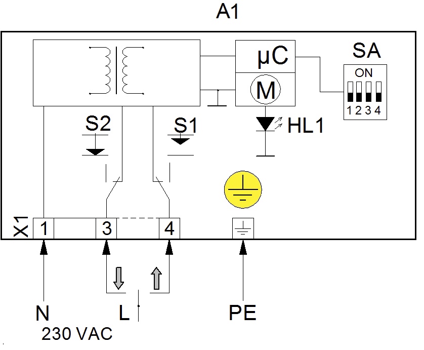
Схема подключения стандартных электроприводов TSL 

ТИП ЭЛЕКТРОПРИВОДА

TSL-1600-25-1-230-IP67 (тип электропривода 101-H)

TSL-2200-25-1S-230-IP67 (тип электропривода 101S-H)

TSL-2200-40-1-230-IP67 (тип электропривода 110-H)

TSL-3000-40-1S-230-IP67 (тип электропривода 110S-H)

TSL-3000-60-1-230-IP67 (тип электропривода 120-H)

TSL-1600-25-1R-230-IP67 (тип электропривода 101R-H)

TSL-2200-40-1R-230-IP67 (тип электропривода 110R-H)

TSL-3000-40-1RS-230-IP67 (тип электропривода 110RS-H)

TSL-1600-25-2А-230-IP67 (тип электропривода 302-H)

TSL-1600-25-2АR-230-IP67 (тип электропривода 302R-H)

TSL-2200-25-2АS-230-IP67 (тип электропривода 302S-H)

TSL-2200-40-2А-230-IP67 (тип электропривода 312-H)

TSL-2200-40-2АR-230-IP67 (тип электропривода 312R-H)

TSL-3000-40-2АS-230-IP67 (тип электропривода 312S-H)

TSL-3000-60-2А-230-IP67 (тип электропривода 322-H)

TSL-1600-25-2А-24-IP67 (тип электропривода 303-H)

TSL-1600-25-2АR-24-IP67 (тип электропривода 303R-H)

TSL-1600-25-2АS-24-IP67 (тип электропривода 303S-H)

TSL-2200-40-2А-24-IP67 (тип электропривода 313-H)

TSL-2200-40-2АR-24-IP67 (тип электропривода 313R-H)

TSL-2200-40-2АS-24-IP67 (тип электропривода 313S-H)

TSL-3000-60-2А-24-IP67 (тип электропривода 323-H)

TSL-6000-60-1-230-IP67 (тип электропривода 130-H)

TSL-1200-25-2-230-IP67 (тип электропривода 94-H)

TSL-1600-25-2-230-IP67 (тип электропривода 104-H)

TSL-2200-40-2-230-IP67 (тип электропривода 114-H)

TSL-3000-60-2-230-IP67 (тип электропривода 124-H)

TSL-1200-25-2-24-IP67 (тип электропривода 95-H)

TSL-1600-25-2-24-IP67 (тип электропривода 105-H)

TSL-2200-40-2-24-IP67 (тип электропривода 115-H)

TSL-3000-60-2-24-IP67 (тип электропривода 125-H)

TSL-1600-25-1TR-230-IP67(тип электропривода 201R-H), TSL-2200-40-1TR-230-IP67(тип электропривода 210R-H)

Условные обозначения:

μC – микропроцессор;

M – шаговый электродвигатель;

S1 – концевой позиционный выключатель “открыто“;

S2 – концевой позиционный выключатель “закрыто“;

БРП – блок резервного питания;

SA1 – переключатель функциональный;

SA2 – переключатель для установки заданной температуры («десятки»);

SA3 – переключатель для установки заданной температуры («единицы»);

SA4 – кнопка для автонастройки полного хода электропривода;

НL1 – индикатор состояния электропривода;

PE – заземляющий контакт;

Х1 – клеммная колодка для подключения электропитания 230 В, 50 Гц;

Х2 – клеммная колодка для подключения релейного аварийного выхода;

Х3* – клеммная колодка для подключения встроенного блока резервногоэлектропитания (только для модификации “TSL-XXXX-XX-1TR-230-IP67” с функцией безопасности);

Х4 – клеммная колодка для подключения датчика температуры Т1 (Pt1000)и интерфейса связи RS-485.

TSL-1600-25-2T-230-IP67(тип электропривода 401-H), TSL-2200-40-2T-230-IP67(тип электропривода 410-H),
TSL-3000-60-2T-230-IP67(тип электропривода 420-H)

Условные обозначения:

T1 – датчик температуры управляющий для ГВС или СО;

T2 – датчик температуры наружного воздуха для СО.
Может выполнять функции контрольного или ограничения теплоносителя
по месту установки датчика в системах ГВС и СО (только для схемы “тёплый пол”
и поддержания температуры в помещении);

МК – микроконтроллер;

M – шаговый электродвигатель;

S1 – концевой позиционный выключатель “открыто“;

S2 – концевой позиционный выключатель “закрыто“;

SA1 – переключатель «Режим»;

SA2 – переключатель для установки температуры ГВ / программы СО;

SA3 – переключатель для установки температуры ГВ / графика температуры СО;

SA4 – кнопка для автонастройки полного хода электропривода;

PE – заземляющий контакт;

Х1 – клеммная колодка для подключения электропитания 230 В, 50 Гц;

Х2 – клеммная колодка для подключения релейного аварийного выхода;

Х3 – клеммный разъём для подключения датчиков температуры Т1, Т2 с НСХ Pt1000 и интерфейса связи RS-485.

 

 

TSL-1600-25-1-230-IP67 + адаптер №1 

 

 

TSL-2200-40-1-230-IP67 + адаптер №2

 

 

 

Электроприводы TSL можно устанавливать на регулирующие клапаны других производителей с помощью специальных адаптеров.
Варианты замены электроприводов других производителей на привод TSL представлены в таблице.

 

 Таблица замены электроприводов других производителей на привод TSL

ПРОИЗВОДИТЕЛЬ

МАРКА
ЗАМЕНЯЕМОГО
ЭЛЕКТРОПРИВОДА

ХАРАКТЕРИСТИКИ ЗАМЕНЯЕМОГО
ЭЛЕКТРОПРИВОДА

МАРКА ЭЛЕКТРОПРИВОДА
ТЕПЛОСИЛА

ХАРАКТЕРИСТИКИ
ЭЛЕКТРОПРИВОДА
ТЕПЛОСИЛА


АДАПТЕРА

 

ARV 152
AMV 20

AC 230В, 3-х поз., 450 Н,
ход 10 мм, 15 сек/мм, IP54

TSL-1200-25-2-230-IP67 (94)

AC 230В, 3-х поз., 1200 Н,
ход 25 мм, 10/15/24/30 сек/мм, IP67

1

AC 24В, 3-х поз., 450 Н,
ход 10 мм, 15 сек/мм, IP54

TSL-1200-25-2-24-IP67 (95)

AC/DC 24В, 3-х поз., 1200 Н,
ход 25 мм, 10/15/24/30 сек/мм, IP67

ARV 153
AMV 30

AC 230В, 3-х поз., 450 Н,
ход 10 мм, 3 сек/мм, IP54

TSL-1600-25-1-230-IP67 (101)

AC 230В, 3-х поз., 1600 Н,
ход 25 мм, 2,4/4/6/8 сек/мм, IP67

AC 24В, 3-х поз., 450 Н,
ход 10 мм, 3 сек/мм, IP54

TSL-1600-25-2-24-IP67 (105)

AC/DC 24В, 3-х поз., 1600 Н,
ход 25 мм, 2,4/4/6/8 сек/мм, IP67

AMV 10

AC 230В, 3-х поз., 300 Н,
ход 5 мм, 14 сек/мм, IP54

TSL-1200-25-2-230-IP67 (94)

AC 230В, 3-х поз., 1200 Н,
ход 25 мм, 10/15/24/30 сек/мм, IP67

AC 24В, 3-х поз., 300 Н,
ход 5 мм, 14 сек/мм, IP54

TSL-1200-25-2-24-IP67 (95)

AC/DC 24В, 3-х поз., 1200 Н,
ход 25 мм, 10/15/24/30 сек/мм, IP67

AMV 130/H

AC 230В, 3-х поз., 200 Н,
ход 5,5 мм, 24 сек/мм, IP54

TSL-1200-25-2-230-IP67 (94)

AC 230В, 3-х поз., 1200 Н,
ход 25 мм, 10/15/24/30 сек/мм, IP67

AC 24В, 3-х поз., 200 Н,
ход 5,5 мм, 24 сек/мм, IP54

TSL-1200-25-2-24-IP67 (95)

AC/DC 24В, 3-х поз., 1200 Н,
ход 25 мм, 10/15/24/30 сек/мм, IP67

AMV 140/H

AC 230В, 3-х поз., 200 Н,
ход 5,5 мм, 12 сек/мм, IP54

TSL-1200-25-2-230-IP67 (94)

AC 230В, 3-х поз., 1200 Н,
ход 25 мм, 10/15/24/30 сек/мм, IP67

AC 24В, 3-х поз., 200 Н,
ход 5,5 мм, 12 сек/мм, IP54

TSL-1200-25-2-24-IP67 (95)

AC/DC 24В, 3-х поз., 1200 Н,
ход 25 мм, 10/15/24/30 сек/мм, IP67

AMV 150

AC 230В, 3-х поз., 250 Н,
ход 5 мм, 24 сек/мм, IP54

TSL-1200-25-2-230-IP67 (94)

AC 230В, 3-х поз., 1200 Н,
ход 25 мм, 10/15/24/30 сек/мм, IP67

AC 24В, 3-х поз., 250 Н,
ход 5 мм, 24 сек/мм, IP54

TSL-1200-25-2-24-IP67 (95)

AC/DC 24В, 3-х поз., 1200 Н,
ход 25 мм, 10/15/24/30 сек/мм, IP67

AMЕ 30

AC 24В, аналог. упр., 450 Н,
ход 10 мм, 3 сек/мм, IP54

TSL-1600-25-2A-24-IP67 (303)

AC/DC 24В, аналог. упр., 1600 Н,
ход 25 мм, 2,4/4/6/8 сек/мм, IP67

AMV 33

AC 230В, 3-х поз., 450 Н,
ход 10 мм, 3 сек/мм, IP54,
возвратная пружина

TSL-1600-25-1R-230-IP67 (101R)

AC 230В, 3-х поз., 1600 Н,
ход 25 мм, 2,4/4/6/8 сек/мм,
IP67, функция безопасности
(встроенный суперконденсатор)

AMV 435
(для клапанов DN15-80
серии VRG, VRB,
VL, VF)

AC 230В, 3-х поз., 400 Н,
ход 20 мм, 7,5/15 сек/мм, IP54

TSL-1200-25-2-230-IP67 (94)

AC 230В, 3-х поз., 1200 Н,
ход 25 мм, 10/15/24/30 сек/мм, IP67

3

AC 24В, 3-х поз., 400 Н,
ход 20 мм, 7,5/15 сек/мм, IP54

TSL-1200-25-2-24-IP67 (95)

AC/DC 24В, 3-х поз., упр., 1200 Н,
ход 25 мм, 10/15/24/30 сек/мм, IP67

AMЕ 445
(для клапанов DN15-80
серии VRG, VRB,
VL, VF)

AC 24В, аналог. упр., 400 Н,
ход 20 мм, 3 сек/мм, IP54

TSL-1600-25-2A-24-IP67 (303)

AC/DC 24В, аналог. упр., 1600 Н,
ход 25 мм, 2,4/4/6/8сек/мм, IP67

AME 655

AC 230В, 3-х поз., 2000 Н,
ход 50 мм, 2/6 сек/мм, IP54

TSL-3000-60-1-230-IP67 (120)

AC 230В, 3-х поз., 3000 Н,
ход 60 мм, 2,4/4/6/8 сек/мм, IP67

4

AC 24В, аналог. упр., 2000 Н,
ход 50 мм, 2/6 сек/мм, IP54

TSL-3000-60-2A-24-IP67 (323)

AC/DC 24В, аналог. упр., 3000 Н,
ход 60 мм, 2,4/4/6/8 сек/мм, IP67

AC 230В, аналог. упр., 2000 Н,
ход 50 мм, 2/6 сек/мм, IP54

TSL-3000-60-2A-230-IP67 (322)

AC/DC 230В, аналог. упр., 3000 Н,
ход 60 мм, 2,4/4/6/8 сек/мм, IP67

AME 658 SD
AME 658 SU

AC 230В, 3-х поз., 2000 Н,
ход 50 мм, 2/6 сек/мм, IP54,
возвратная пружина

TSL-2200-40-1R-230-IP67 (110R)

AC 230В, 3-х поз., 2200 Н,
ход 40 мм, 2,4/4/6/8 сек/мм, IP67,
функция безопасности
(встроенный суперконденсатор)

14

AMV 55

AC 230В, 3-х поз., 2000 Н,
ход 40 мм, 8 сек/мм, IP54

TSL-2200-40-1-230-IP67 (110)

AC 230В, 3-х поз., 2200 Н,
ход 40 мм, 2,4/4/6/8 сек/мм, IP67

AC 24В, 3-х поз., 2000 Н,
ход 40 мм, 8 сек/мм, IP54

TSL-2200-40-2-24-IP67 (115)

AC/DC 24В, 3-х поз., 2200 Н,
ход 40 мм, 2,4/4/6/8 сек/мм, IP67

AMV 56

AC 230В, 3-х поз., 1500 Н,
ход 40 мм, 4 сек/мм, IP54

TSL-2200-40-1-230-IP67 (110)

AC 230В, 3-х поз., 2200 Н,
ход 40 мм, 2,4/4/6/8 сек/мм, IP67

AC 24В, 3-х поз., 2000 Н,
ход 40 мм, 8 сек/мм, IP54

TSL-2200-40-2-24-IP67 (115)

AC/DC 24В, 3-х поз., 2200 Н,
ход 40 мм, 2,4/4/6/8 сек/мм, IP67

с адаптером для
клапанов VGU(F)

AMV 20

AC 24В, 3-х поз., 450 Н,
ход 10 мм, 15 сек/мм, IP54

TSL-1200-25-2-24-IP67 (95)

AC/DC 24В, 3-х поз., 1200 Н,
ход 25 мм, 10/15/24/30 сек/мм, IP67

25

AMV 30

AC 24В, 3-х поз., 450 Н,
ход 10 мм, 3 сек/мм, IP54

TSL-1600-25-2-24-IP67 (105)

AC/DC 24В, 3-х поз., 1600 Н,
ход 25 мм, 2,4/4/6/8 сек/мм, IP67

AME 30

AC 24В, аналог. упр., 450 Н,
ход 10 мм, 3 сек/мм, IP54

TSL-1600-25-2A-24-IP67 (303)

AC/DC 24В, аналог. упр, 1600 Н,
ход 25 мм, 2,4/4/6/8 сек/мм, IP67

AMV 33

AC 230В, 3-х поз., 450 Н,
ход 10 мм, 3 сек/мм, IP54,возвратная пружина

TSL-1600-25-1R-230-IP67 (101R)

AC 230В, 3-х поз., 1600 Н,
ход 25 мм, 2,4/4/6/8 сек/мм, IP67
функция безопасности
(встроенный суперконденсатор)

AMЕ 33

AC 24В, аналог. упр., 450 Н,
ход 10 мм, 3 сек/мм, IP54возвратная пружина

TSL-1600-25-2AR-24-IP67 (303R)

AC/DC 24В, аналог. упр., 1600 Н,
ход 25 мм, 2,4/4/6/8 сек/мм, IP67
функция безопасности
(встроенный суперконденсатор)

AVT

термостатический элемент,
применяющийся срезьбовыми клапанами VG
и фланцевыми VGF

TSL-1600-25-2T-230-IP67 (401)

AC 230В, 3-х поз., 1600 Н,
ход 25 мм, 2,4/4/6/8 сек/мм, IP67
тип датчика температуры
Pt1000 (1-99°С)

TSL-1600-25-1TR-230-IP67 (201R)

AC 230В, 3-х поз., 1600 Н,
ход 25 мм, 2,4/4/6/8 сек/мм, IP67
тип датчика температуры
Pt1000 (1-99°С)
функция безопасности
(встроенный суперконденсатор)

Siemens

SAX 31.00

AC 230В, 3-х поз., 800 Н,
ход 20 мм, 6 сек/мм, IP54

TSL-1600-25-1-230-IP67 (101)

AC 230В, 3-х поз., 1600 Н,
ход 25 мм, 2,4/4/6/8 сек/мм, IP67

5

SAX 31.03

AC 230В, 3-х поз., 800 Н,
ход 20 мм, 1,5 сек/мм, IP54

SKD 32.50

AC 230В, 3-х поз., 1000 Н,
ход 20 мм, 6 сек/мм, IP54

SKD 32.51

AC 230В, 3-х поз., 1000 Н,
ход 20 мм, 6 сек/мм, IP54,
возвратная пружина

TSL-1600-25-1R-230-IP67 (101R)

AC 230В, 3-х поз., 1600 Н,
ход 25 мм, 2,4/4/6/8 сек/мм,
IP67, функция безопасности
(встроенный суперконденсатор)

SKD 32.21

AC 230В, 3-х поз., 1000 Н,
ход 20 мм,
1,5 сек/мм (откр.)/0,5 сек/мм (закр.),
IP54, возвратная пружина

SKD 82.51

AC 230В, 3-х поз., 1000 Н,
ход 20 мм, 6 сек/мм, IP54,
возвратная пружина

SAX 81.00

AC/DC 24В, 3-х поз., 800 Н,
ход 20 мм, 6 сек/мм, IP54

TSL-1600-25-2-24-IP67 (105)

AC/DC 24В, 3-х поз., 1600 Н,
ход 25 мм, 2,4/4/6/8 сек/мм, IP67

SAX 81.03

AC/DC 24В, 3-х поз., 800 Н,
ход 20 мм, 1,5 сек/мм, IP54

SKD 82.50

AC/DC 24В, 3-х поз., 1000 Н,
ход 20 мм, 6 сек/мм, IP54

SAX 61.03

AC 24В, аналог. упр., 800 Н,
ход 20 мм, 1,5 сек/мм, IP54

TSL-1600-25-2А-24-IP67 (303)

AC 24В, аналог. упр., 1600 Н,
ход 25 мм, 2,4/4/6/8 сек/мм, IP67

SKD 60

AC 24В, аналог. упр., 1000 Н,
ход 20 мм,1,5 сек/мм (откр.)/
0,75 сек/мм (закр.), IP54

Sauter

AVM321F110

AC230В, 3-х поз., 1000 Н,
ход 8 мм, 6/12 сек/мм, IP54

TSL-1600-25-1-230-IP67 (101)

AC 230В, 3-х поз., 1600 Н,

ход 25 мм, 2,4/4/6/8 сек/мм, IP67

29

AVM321SF132

AC 230В (с модулем на 230В),
3-х поз., 1000 Н, ход 8 мм,
6/12 сек/мм, IP54

AVM322F120

AC 230В, 3-х поз., 1000 Н,
ход 20 мм, 6/12 сек/мм, IP54

5

AVM322SF132

AC 230В (с модулем на 230В),
3-х поз., 1000 Н, ход 8 мм,
6/12 сек/мм, IP54

AVF124F130

AC 230В, 3-х поз., 500 Н,
ход 8 мм, 7,5/15 сек/ мм,IP54,
возвратная пружина

TSL-1600-25-1R-230-IP67 (101R)

AC 230В, 3-х поз., 1600 Н,

ход 25мм, 2,4/4/6/8 сек/мм, IP67,

функция безопасности

(встроенный суперконденсатор)

AVF124F230

Belimo

NV230A-RE

AC 230В, 3-х поз., 1000 Н,
ход 20 мм, 7,5 сек/мм, IP54

TSL-1600-25-1-230-IP67 (101)

AC 230В, 3-х поз., 1600 Н,
ход 25 мм, 2,4/4/6/8 сек/мм, IP67

5

SV230A-RE

AC 230В, 3-х поз., 1500 Н,
ход 20 мм, 7,5 сек/мм, IP54

NVK230A-3-RE

AC 230В, 3-х поз., 1000 Н,
ход 20 мм, 7,5 сек/ мм, IP54,
функция безопасности
(встроенный суперконденсатор)

TSL-1600-25-1R-230-IP67 (101R)

AC 230В, 3-х поз., 1600 Н,
ход 25 мм, 2,4/4/6/8 сек/мм, IP67,
функция безопасности
(встроенный суперконденсатор)

Regada

ST mini 472.0 –
OxxAG/00

AC 230В, 3-х поз., 1000 Н,
ход 25 мм, 6 сек/мм, IP67

TSL-1600-25-1-230-IP67 (101)

AC 230В, 3-х поз., 1600 Н,

ход 25 мм, 2,4/4/6/8 сек/мм, IP67

9*

Schneider
Electric

M310

AC/DC 24В, аналог. упр., 300 Н,
ход 32 мм, IP54

TSL-1600-25-2A-24-IP67 (303)

AC/DC 24В, аналог. упр., 1600 Н,
ход 25 мм, 2,4/4/6/8 сек/мм, IP67

20

M400

AC/DC 24В, аналог. упр., 400 Н,
ход 32 мм, IP54

M800
(DN 65-100)

AC/DC 24В, аналог. упр., 800 Н,
ход 52 мм, IP54

TSL-2200-40-2A-24-IP67 (313)

AC/DC 24В, аналог. упр., 2200 Н,
ход 40 мм, 2,4/4/6/8 сек/мм, IP67

21

M1500
(DN 65-100)

AC/DC 24В, аналог. упр., 1500 Н,
ход 52 мм, IP54

Tiger

TW1001-
XD220-S.14

AC 230В, 3-х поз., 1000 Н,
ход 30 мм, 1/2 сек/мм, IP54

TSL-1600-25-1-230-IP67 (101)

AC 230В, 3-х поз., 1600 Н,ход 25 мм, 2,4/4/6/8 сек/мм, IP67

5

Ридан

ARV-1000R-220

AC/DC 220V, 3-х поз., 1000Н,
ход 22 мм, 3,9 с/мм

TSL-1600-25-1-230-IP67 (101)

AC 230В, 3-х поз., 1600 Н,ход 25 мм, 2,4/4/6/8 сек/мм, IP67

26

ARV-1000R-24

AC/DC 24V, 3-х поз., 1000Н,
ход 22 мм, 3,9 с/мм

TSL-1600-25-2-24-IP67 (105)

AC/DC 24В, 3-х поз., 1600 Н
ход 25 мм, 2,4/4/6/8 сек/мм, IP67

ARE-1000R-24

AC 24V, 0-10V/4-20mA, 1000Н,
ход 22 мм, 3,9 с/мм

TSL-1600-25-2А-24-IP67 (303)

AC/DC 24В, а. у. сигнал, 1600 Н
ход 25 мм, 2,4/4/6/8 сек/мм, IP67

AMV-1000R-24(муфтовый клапан)

AC/DC 24V, 3-х поз., 1000Н,
ход 22 мм, 3,9 с/мм

TSL-1600-25-2-24-IP67 (105)

AC/DC 24В, 3-х поз., 1600 Н
ход 25 мм, 2,4/4/6/8 сек/мм, IP67

5

AMV-1000R-220(муфтовый клапан)

AC/DC 220V, 3-х поз., 1000Н,
ход 22 мм, 3,9 с/мм

TSL-1600-25-1-230-IP67 (101)

AC 230В, 3-х поз., 1600 Н,
ход 25 мм, 2,4/4/6/8 сек/мм, IP67

AME-1000R-24(муфтовый клапан)

AC 24V, 0-10V/4-20mA, 1000Н,
ход 22 мм, 3,9 с/мм

TSL-1600-25-2А-24-IP67 (303)

AC/DC 24В, а. у. сигнал, 1600 Н
ход 25 мм, 2,4/4/6/8 сек/мм, IP67

AMV-1800R-220

AC 220V, 3-х поз., 1800Н,
ход 50 мм, 3,1 с/мм

TSL-2200-25-1S-230-IP67 (101S)

AC 230В, 3-х поз., 2200 Н
ход 25 мм, 2,4/4/6/8 сек/мм, IP67

26

AME-1800R-220

AC 220V, 0-10V/4-20mA, 1800Н,
ход 25 мм, 3,1 с/мм

TSL-2200-25-2AS-230-IP67 (302S)

AC 230В, а. у. сигнал, 2200 Н
ход 25 мм, 2,4/4/6/8 сек/мм, IP67

AMV-3000R-24

AC 24V, 3-х поз., 3000Н,
ход 50 мм, 3,1 с/мм

TSL-3000-60-2-24-IP67 (125)

AC/DC 24В, 3-х поз., 3000 Н
ход 60 мм, 2,4/4/6/8 сек/мм, IP67

28

AMV-3000R-230

AC 230V, 3-х поз., 3000Н,
ход 50 мм, 3,1 с/мм

TSL-3000-60-1-230-IP67 (120)

AC 230В, 3-х поз., 3000 Н,
ход 60 мм, 2,4/4/6/8 сек/мм, IP67

AME-3000R-220

AC 220V, 0-10V/ 4-20mA, 3000Н,
ход 50 мм, 3,1 с/мм

TSL-3000-60-2А-230-IP67 (322)

AC 230В, а. у. сигнал., 3000 Н
ход 60 мм, 2,4/4/6/8 сек/мм, IP67

AME-3000R-24

AC 24V, 0-10V/ 4-20mA, 3000Н,ход 50 мм, 3,1 с/мм

TSL-3000-60-2А-24-IP67 (323)

AC/DC 24В, а. у. сигнал., 3000 Н,
ход 60 мм, 2,4/4/6/8 сек/мм, IP67

AMV-6500R-220

AC 220V, 3-х поз., 6500Н,
ход 60 мм, 2,1 с/мм

TSL-6000-60-1-230-IP67 (130)

AC 230В, 3-х поз., 6000 Н,
ход 60 мм, 4/6/8/10 сек/мм, IP67

27

*для замены на клапанах, производства ГК “Теплосила” Примечание: данные о товарах, приведенные в таблице, носят исключительно информационный характер, не является рекламой, получены из открытых источников.
Информацию о товарах, представленную в таблице, рекомендум уточнять непосредственно у производителя товаров.

ПРИМЕР ЗАКАЗА:

TSL-1600-25-1-230-IP67+адаптер №1 – электропривод прямоходный трехпозиционный TSL с номинальным усилием 1600 Н, величиной хода привода 25 мм стандартного исполнения с напряжением питания 230 В и степенью защиты IP67 с адаптером №1.