Блоки предназначены для подключения пассивных датчиков с выходным токовым сигналом 4…20 мА, расположенных во взрывоопасной зоне и преобразования сигнала 4…20 мА в выходные сигналы 0…5, 0…20 мА, или без преобразования, в сигнал 4…20 мА. Передают токовый сигнал из взрывоопасной зоны в безопасную. Блоки обеспечивают питание датчика и цепи выходного сигнала (нагрузки).
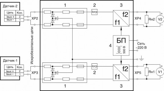
Функциональная схема блока питания
Блок состоит из:
- Датчик 1, 2— пассивные датчики с выходным токовым сигналом 4…20 мА;
- 1 — барьеры искрозащиты, ограничивающие электрическую мощность, подаваемую во взрывоопасную зону по цепям связи с электрооборудованием;
- 2 — ограничители тока, для защиты плавких предохранителей барьеров искрозащиты при коротком замыкании цепей подключения датчиков;
- 3 — преобразователей тока, преобразующих сигнал 4…20 мА в выходные сигналы 0…5, 0…20 мА, или без преобразования;
- 4 — источник питания, предназначенный для преобразования сетевого напряжения 220 В в стабилизированное напряжение постоянного тока;
- Rн1, Rн2 — сопротивления нагрузки;
- V1, V2— вольтметры.
Основные технические характеристики
| Параметр | Значение |
|---|---|
| Диапазон напряжений питания переменного тока, В | 187…242 |
| Частота напряжения питания переменного тока, Гц | 49…51 |
| Потребляемая мощность, В×А | не более 6,0 |
| Количество каналов (по заказу) | 1 или 2 |
| Возможные варианты унифицированных токовых сигналов на входе искробезопасных цепей, мА | 4…20 |
| Возможные варианты выходных унифицированных токовых сигналов, мА, (по заказу) | 0…5, 0…20, 4…20 |
| Искробезопасные цепи рассчитаны на работу с нагрузками, Ом, с учетом сопротивления линии связи | не более 650 |
| Выходные цепи рассчитаны на работу с нагрузками, Ом, для сигнала 0…20, 4…20 мA с учётом сопротивления линии связи | не более 750* |
| Выходные цепи рассчитаны на работу с нагрузками, кОм, для сигнала 0…5 мA с учётом сопротивления линии связи | не более 2,5* |
| Напряжение холостого хода искробезопасных цепей, В | не более 25,2 |
| Напряжение на входах искробезопасных цепей при токе нагрузки 20 мА, В | не менее 17,2 |
| Изменение значения выходного напряжения постоянного тока, вызванного изменением температуры окружающего воздуха в пределах от -10 до +50 °С не должно превышать, %, при максимальном токе нагрузки на каждые 10 °С | ±0,1 |
| Наибольшее допустимое значение пульсации напряжения на искробезопасном входе не должно превышать, %, Uизм | 0,2 |
| Конструктивное исполнение (по заказу) | пластмассовый корпус с установкой на рейку DIN или на стену (исполнение DIN)
пластмассовый корпус с металлической лицевой панелью и соединениями клеммными зажимами с установкой в щит (исполнение 01К) пластмассовый корпус с металлической лицевой панелью и соединениями разъемами 2РМ с установкой в щит (исполнение 01Р) |
| Масса блоков, кг
щитового исполнения для монтажа на DIN-рейке или на стене |
не более 0,6
не более 0,5 |
* — при эксплуатации блока с неиспользуемыми токовыми выходами требуется подключение резисторов к клеммам ХР4, ХР5 в качестве нагрузки.
Искробезопасные цепи
Входные искробезопасные цепи блоков в соответствии с требованиями ГОСТ 31610.0, ГОСТ 31610.11 имеют уровень взрывозащиты «ia – особовзрывобезопасный» или «ib – взрывобезопасный» с параметрами, представленными в таблице для взрывозащищенного электрооборудования подгрупп IIB и IIC. Предельные параметры внешних искробезопасных электрических цепей блоков не должны превышать значений, приведенных ниже.
| Подгруппа взрывозащищенного электрооборудования | |||||||||||
|---|---|---|---|---|---|---|---|---|---|---|---|
| IIB | IIC | ||||||||||
| Um, В | Cо, мкФ | Lо, мГн | Uo, В | Io, мА | Po, Вт | Um, В | Cо, мкФ | Lо, мГн | Uo, В | Io, мА | Po, Вт |
| 250 | 0,41 | 6,0 | 25,2 | 100 | 0,6 | 250 | 0,05 | 1,5 | 25,2 | 100 | 0,6 |
| Примечания:
— Um — максимальное напряжение, которое может быть приложено к соединительным устройствам искроопасных цепей связанного электрооборудования без нарушения искробезопасности; |
|||||||||||
Блоки питания в соответствии с требованиями ГОСТ 31610.0, ГОСТ 31610.11 устанавливаются вне взрывоопасных зон.
| Параметр | Значение |
|---|---|
| Предел допускаемой основной приведенной погрешности, выраженный в процентах от диапазона изменения выходного сигнала, % | не более ±0,1 |
| Изменение значения выходного сигнала, вызванное изменением напряжения питания, %, от диапазона изменения выходного сигнала | не более ±0,1 |
| Наибольшее допустимое значение пульсации выходного сигнала, %, диапазона изменения выходного сигнала | 0,2 |
БПДМ-Ех исполнение DIN
1 — клеммники DG128-5.0-02P для подключения искробезопасных цепей;
2 — светодиоды индикации работы каналов;
3 — клеммник DG128-5.0-03P для подключения сетевого напряжения питания;
4 — клеммник DG128-5.0-02P заземления;
5 — клеммники DG128-5.0-02P для подключения выходных цепей;
6 — гарантийная этикетка;
7 — DIN-рейка.
БПДМ-Ех исполнение 01К
1 — светодиоды индикации работы каналов;
2 — гарантийная этикетка;
3 — клеммники DG128-5.0-02P для подключения искробезопасных цепей;
4 — клеммники DG128-5.0-02P для подключения выходных цепей;
5 — разъем 2РМ14КПН4Ш1В1 для подключения сетевого напряжения питания;
6 — болт заземления;
7 — щит.
БПДМ-Ех исполнение 01Р
1 — светодиоды индикации работы каналов;
2 — гарантийная этикетка;
3 — разъемы 2РМ14КПН4Ш1В1 для подключения искробезопасных цепей;
4 — разъемы 2РМ14КПН4Г1В1 для подключения выходных цепей;
5 — разъем 2РМ14КПН4Ш1В1 для подключения сетевого напряжения питания;
6 — болт заземления;
7 — щит.
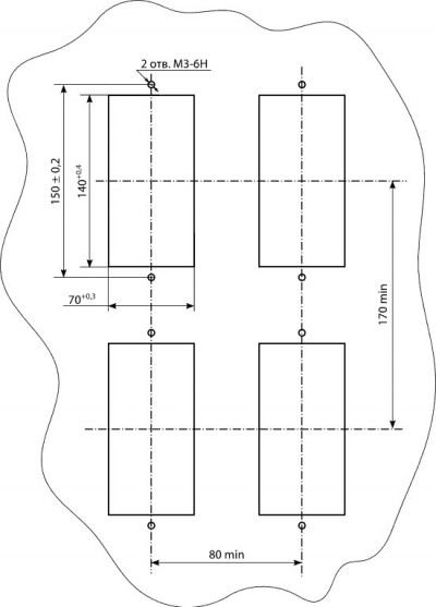
Вырез в щите
БПДМ-Ех исполнение DIN
Датчик 1, 2 — пассивные датчики с выходным токовым сигналом 4…20 мА;
V1, V2 — вольтметры;
Rн1 — сопротивление нагрузки первого канала;
Rн2 — сопротивление нагрузки второго канала.
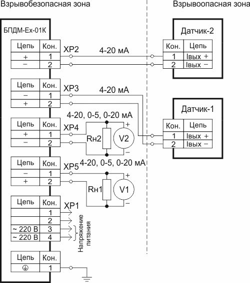
Схема подключения БПДМ-Ех исполнение 01К

Датчик 1, 2 — пассивные датчики с выходным токовым сигналом 4…20 мА;
V1, V2 — вольтметры;
Rн1 — сопротивление нагрузки первого канала;
Rн2 — сопротивление нагрузки второго канала.
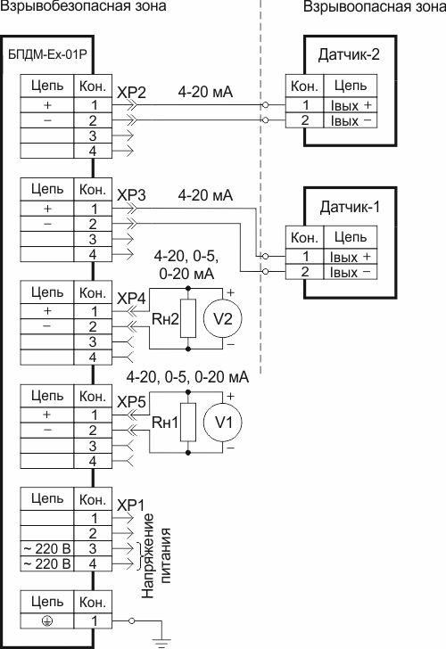
Схема подключения БПДМ-Ех исполнение 01Р

Датчик 1, 2 — пассивные датчики с выходным токовым сигналом 4…20 мА;
V1, V2 — вольтметры;
Rн1 — сопротивление нагрузки первого канала;
Rн2 — сопротивление нагрузки второго канала.
Нумерация контактов разъемов XP4, ХР5 для подключения выходных цепей (исполнение 01Р)

Нумерация контактов разъемов XP1, для подключения напряжения питания (исполнение 01Р, 01К) и XP2, XP3 для подключения выходных цепей (исполнение 01Р)

| Параметр | Значение |
|---|---|
| Температура окружающего воздуха, °С | -10…+50 |
| По устойчивости к климатическим воздействиям при эксплуатации соответствует группе исполнения, по ГОСТ Р 52931–2008 |
С3 |
| По устойчивости к механическим воздействиям при эксплуатации соответствует группе, по ГОСТ Р 52931–2008 |
L3 |
| Степень защиты от пыли и влаги, по ГОСТ 14254 | исполнение DIN: IP20 исполнения 01К, 01Р: IP30 |
Гарантийные обязательства
| Параметр | Значение |
|---|---|
| Гарантийный срок эксплуатации, месяцы | 36 со дня ввода в эксплуатацию, но не более 42 со дня изготовления |
Комплект поставки
| Наименование | Обозначение | Количество | Примечание |
|---|---|---|---|
| Блок питания датчиков БПДМ-Ех | ЭИ.70.00.000 ЭИ.80.00.000 ЭИ.89.00.000 |
1 | соответственно заказу |
| Паспорт | ЭИ.70.00.000ПС | 1 | |
| Руководство по эксплуатации | ЭИ.70.00.000РЭ | по 1 экземпляру на 30 блоков, поставляемых в один адрес |
|
| ХS1 — розетка | 2РМ 14КПН4Г1В1 | 1 | для исполнений 01К, 01Р |
| ХS4, ХS5 — вилка | 2РМ 14КПН4Ш1В1 | 2 | для исполнений 01Р |
| ХS2, ХS3 — розетка | 2РМ 14КПН4Г1В1 | 2 | |
| Рейка DIN | NS357,5 | по заказу |
Обозначение при заказе
| БПДМ-Ех | ia | IIC | 005 | 1 | 01K | 360 |
|---|---|---|---|---|---|---|
| 1 | 2 | 3 | 4 | 5 | 6 | 7 |
- Наименование.
- Вид взрывозащиты:
- ia — особовзрывобезопасный;
- ib — взрывобезопасный.
- Подгруппа электрооборудования:
- IIC;
- IIВ.
- Диапазон выходного сигнала:
- 005 — 0…5 мА;
- 420 — 4…20 мА;
- 020 — 0…20 мА.
- Количество каналов:
- 1 — один канал;
- 2 — два канала.
- Конструктивное исполнение:
- DIN — исполнение DIN;
- 01К — исполнение 01К;
- 01Р — исполнение 01Р.
- Дополнительная технологическая наработка 360 часов.














