Цена по запросу.
Скачать полное описание
Технические характеристики
| Номинальный диаметр DN | 15-200 |
| Условное давление PN | 16 бар |
| Температура рабочей среды | От -10 °С до 250 °С ( в кратковременном режиме до +300 °С) |
| Рабочая среда | Вода, пар, воздух и другие газы и жидкости, совместимые с материалами конструкции клапана |
| Давление открытия | 0,1 бар |
| Тип присоединения | Фланцевый по ГОСТ 33259-2015 |
Ограничения применения
| Давление рабочей среды | Максимальная температура рабочей среды |
| 9,6 бар | 300 °С |
| 11,2 бар | 250 °С |
| 12,8 бар | 200 °С |
| 14,4 бар | 150 °С |
| 16 бар | 100 °С |
Спецификация материалов

| № | Наименование | Материал |
| 1 | Корпус | Серый чугун GG25 |
| 2 | Седло | Нержавеющая сталь 20Х13 |
| 3 | Диск | Нержавеющая сталь 20Х13 |
| 4 | Пружина | Пружинная сталь |
| 5 | Уплотнение корпуса | Графит |
| 6 | Крышка | Серый чугун GG25 |
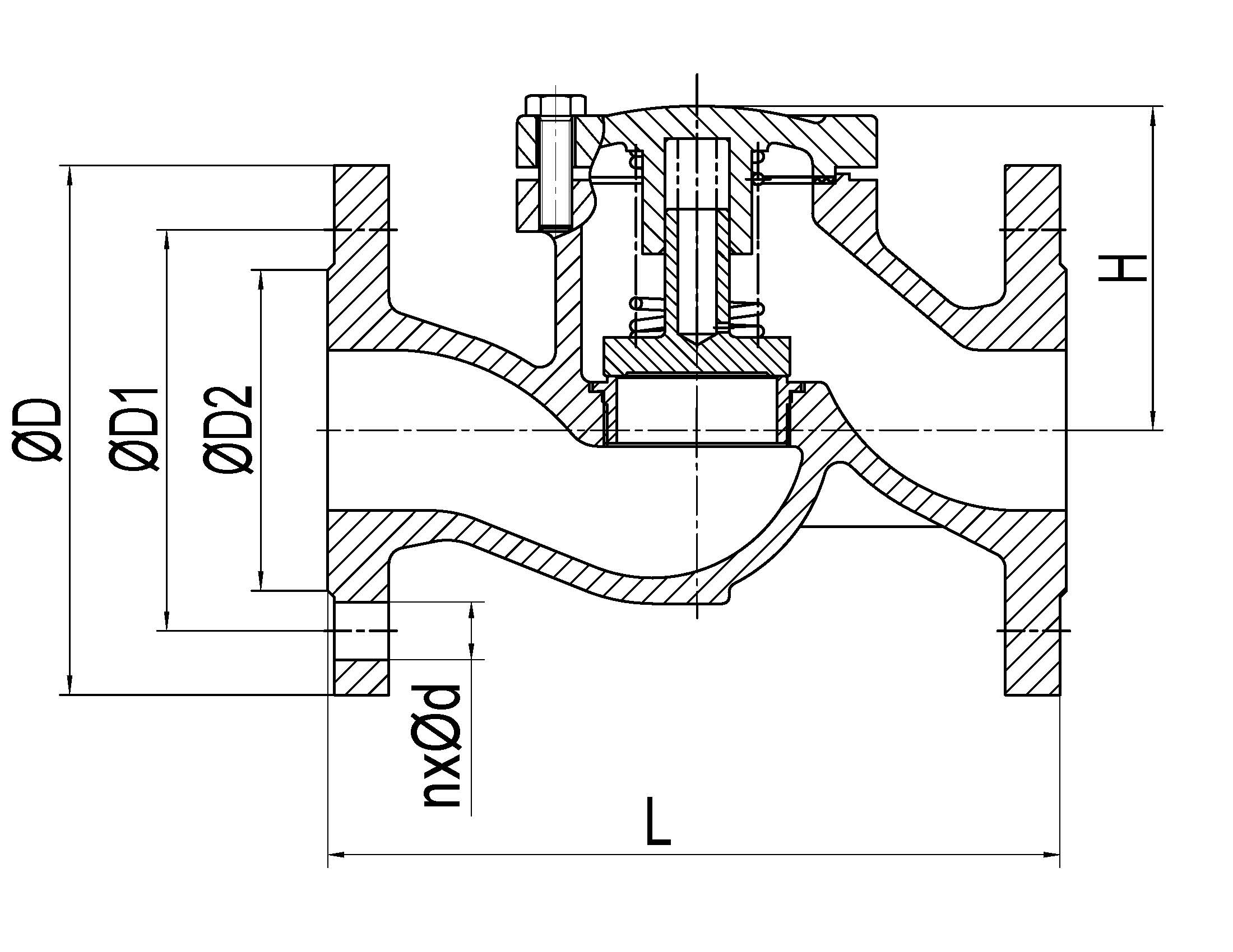
Массогабаритные характеристики
| DN | L, мм | H, мм | ØD, мм | ØD1, мм | ØD2, мм | n х Ød, мм | Kvs, м3/ч | Масса, кг |
| 15 | 130 | 57 | 95 | 65 | 46 | 4х14 | 4,6 | 2,30 |
| 20 | 150 | 57 | 105 | 75 | 56 | 4х14 | 8,2 | 2,97 |
| 25 | 160 | 67 | 115 | 85 | 65 | 4х14 | 13 | 3,84 |
| 32 | 180 | 81 | 140 | 100 | 76 | 4х19 | 21 | 6,51 |
| 40 | 200 | 83 | 150 | 110 | 84 | 4х19 | 34 | 7,70 |
| 50 | 230 | 93 | 165 | 125 | 99 | 4х19 | 53 | 12,16 |
| 65 | 290 | 114 | 185 | 145 | 118 | 4х19 | 90 | 17,38 |
| 80 | 310 | 127 | 200 | 160 | 132 | 8х19 | 141 | 23,25 |
| 100 | 350 | 142 | 220 | 180 | 156 | 8х19 | 223 | 39,20 |
| 125 | 400 | 168 | 250 | 210 | 184 | 8х19 | 355 | 58,31 |
| 150 | 480 | 190 | 285 | 240 | 211 | 8х23 | 511 | 68,27 |
| 200 | 600 | 235 | 340 | 295 | 266 | 12х23 | 823 | 108,20 |
Скачать
Скачать ТР ТС 010
Скачать ТР ТС 032
Информация о доставке





