Цена по запросу.
Скачать полное описание
Технические характеристики
|
Номинальный диаметр, DN |
15 – 100 |
|
Номинальное давление, PN |
16 бар |
|
Температура рабочей среды, °С |
От -40°С до 200°С |
|
Рабочая среда |
Вода, пар, воздух, кислоты, щелочи и другие среды, совместимые с материалами конструкции клапана |
|
Максимальная кинематическая вязкость рабочей среды |
600 мм2/с |
|
Характеристика регулирования |
Линейная (для клапанов DN10, кроме резьбового типа присоединения, – отсечная) |
|
Пропускная способность клапана, Kvs |
4,2 – 125 м3/ч |
|
Положение безопасности |
Нормально-закрытое / нормально-открытое* / двойного действия* |
|
Направление потока рабочей среды |
Под седло (жидкие и газообразные среды) |
|
На седло (газообразные среды) |
|
|
Класс герметичности |
VI по ГОСТ 9544-2015
|
|
Тип присоединения |
Фланцевый по ГОСТ 33259-2015, под приварку, резьбовой G, tri-clamp* |
*- по запросу
Максимальный перепад давления на клапане ΔРmax и значения пропускной способности Kvs для нормально-закрытого клапана
|
DN, мм |
15 |
20 |
25 |
32 |
40 |
50 |
65 |
80 |
100 |
|
|
Привод, мм |
ø50 |
ø50 |
ø63 |
ø80 |
ø80 |
ø100 |
ø100 |
ø125 |
ø125 |
|
|
ΔРmax, бар |
Под седло |
16 |
11 |
11 |
14 |
9 |
7,2 |
5,2 |
7,5 |
– |
|
На седло |
16 |
16 |
16 |
16 |
16 |
16 |
15 |
13 |
13 |
|
|
Kvs, м3/ч |
4,2 |
8,5 |
18 |
27 |
38 |
55 |
90 |
110 |
125 |
|
Управляющее давление Рупр (для нормально-закрытого привода, поток – под седло), бар*
|
DN, мм |
Привод, мм |
Рупр min, бар |
Рупр max, бар |
|
15 |
50 |
4,5 |
10 |
|
20 |
50 |
4,5 |
|
|
25 |
63 |
5,0 |
|
|
32 |
80 |
5,5 |
|
|
40 |
80 |
5,5 |
|
|
50 |
100 |
5,7 |
|
|
65 |
100 |
5,7 |
|
|
80 |
125 |
5,5 |
|
|
100 |
125 |
5,5 |
*- другие по запросу
Спецификация материалов

|
№ |
Наименование |
Материал |
|
1 |
Корпус |
Нержавеющая сталь AISI 304/AISI 316* |
|
2 |
Плунжер |
Нержавеющая сталь AISI 304/AISI 316* |
|
3 |
Уплотнение плунжера |
PTFE |
|
4 |
Уплотнение корпуса клапана |
PTFE |
|
5 |
V-образное уплотнение |
RPTFE |
|
6 |
Крышка клапана |
Нержавеющая сталь AISI 304/316* |
|
7 |
Шток |
Нержавеющая сталь AISI 304/316* |
|
8 |
Крышка индикатора |
Полиамид (PA) |
|
9 |
Крышка привода |
Полиамид (PA) |
|
10 |
Пружина |
Сталь 65Г |
|
11 |
Корпус привода |
Полиамид (PA) |
|
12 |
Поршень |
Полиамид (PA) |
|
13 |
Втулка |
Полиамид (PA) |
|
14 |
Уплотнение поршня |
VITON |
|
15 |
Уплотнительное кольцо |
NBR |
|
16 |
Пружина |
Сталь 65Г |
|
17 |
Уплотнение штока |
FPM |
*- по запросу
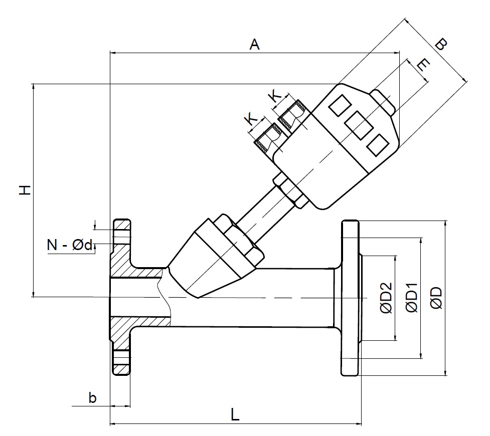
Массогабаритные характеристики
Тип присоединения – фланцевый

|
DN, мм |
Привод, мм |
L, |
Н, |
А, |
В, |
D, |
D1, мм |
D2, мм |
b, |
N x ød, |
Е, |
K |
Масса, кг |
|
|
15 |
ø50 |
120 |
154 |
182 |
64 |
95 |
65 |
40 |
14 |
4х14 |
М26х1,5 |
1/4’’ |
1,9 |
|
|
20 |
ø50 |
130 |
155 |
185 |
64 |
105 |
75 |
50 |
14 |
4х14 |
2,4 |
|||
|
25 |
ø63 |
140 |
186 |
212 |
80 |
115 |
85 |
60 |
14 |
4х14 |
3,5 |
|||
|
32 |
ø80 |
150 |
210 |
242 |
100 |
135 |
100 |
70 |
16 |
4х18 |
5,6 |
|||
|
40 |
ø80 |
180 |
212 |
260 |
100 |
145 |
110 |
80 |
16 |
4х18 |
6,5 |
|||
|
50 |
ø100 |
195 |
286 |
314 |
126 |
160 |
125 |
92 |
16 |
4х18 |
М35х2,0 |
1/4’’ |
10,4 |
|
|
65 |
ø100 |
230 |
303 |
355 |
126 |
185 |
145 |
115 |
18 |
4х18 |
13,6 |
|||
|
80 |
ø125 |
250 |
335 |
390 |
156 |
195 |
160 |
130 |
18 |
8х18 |
17,8 |
|||
|
100 |
ø125 |
280 |
355 |
410 |
156 |
215 |
180 |
150 |
18 |
8х18 |
22,5 |
|||
Тип присоединения – под приварку

|
DN, мм |
Привод, мм |
L, |
Н, |
А, |
В, |
С, мм |
D, мм |
Е, |
K |
Масса, кг |
|
15 |
ø50 |
100 |
149 |
174 |
64 |
19 |
16 |
М26х1,5 |
1/4’’ |
0,9 |
|
20 |
ø50 |
120 |
151 |
182 |
64 |
23 |
20 |
1,1 |
||
|
25 |
ø63 |
140 |
184 |
210 |
80 |
29 |
26 |
1,8 |
||
|
32 |
ø80 |
150 |
208 |
240 |
100 |
35 |
32 |
2,9 |
||
|
40 |
ø80 |
170 |
211 |
260 |
100 |
41 |
38 |
3,2 |
||
|
50 |
ø100 |
190 |
285 |
318 |
126 |
53 |
50 |
М35х2,0 |
1/4’’ |
6,7 |
|
65 |
ø100 |
230 |
300 |
347 |
126 |
70 |
66 |
8,7 |
||
|
80 |
ø125 |
250 |
340 |
385 |
158 |
85 |
80 |
11,5 |
||
|
100 |
ø125 |
280 |
365 |
400 |
158 |
104 |
100 |
15,9 |
Тип присоединения – резьбовой

|
DN, мм |
Привод, мм |
L, |
Н, |
А, |
В, |
G |
Е, |
K |
Масса, кг |
|
15 |
ø50 |
85 |
139 |
166 |
64 |
1/2’’ |
М26х1,5 |
1/4’’ |
1,0 |
|
20 |
ø50 |
95 |
145 |
178 |
64 |
3/4’’ |
1,2 |
||
|
25 |
ø63 |
105 |
177 |
213 |
80 |
1’’ |
1,9 |
||
|
32 |
ø80 |
120 |
199 |
241 |
100 |
1 1/4’’ |
3,0 |
||
|
40 |
ø80 |
130 |
205 |
248 |
100 |
1 1/2’’ |
3,1 |
||
|
50 |
ø100 |
150 |
264 |
322 |
126 |
2’’ |
М35х2,0 |
1/4’’ |
4,5 |
|
65 |
ø100 |
185 |
288 |
346 |
126 |
2 1/2’’ |
8,3 |
||
|
80 |
ø125 |
210 |
331 |
392 |
158 |
3’’ |
11,4 |
Скачать

Скачать ТР ТС 010

Скачать ТР ТС 032

Скачать гигиенический сертификат

Скачать СЕРТЭНЕРГО

Скачать сертификат сейсмостойкости
Информация о доставке





