Цена по запросу.
Скачать полное описание
Среда: вода, светлые нефтепродукты и другие неагрессивные жидкости и воздух, нейтральные газы, не ставятся на агрессивные жидкости и газы
Функция безопасности: нормально-закрытый (НЗ) – серия ЭСК 110 и нормально-открытый (НО) – серия ЭСК 111
Количество ходов: 2/2 (портов/позиций)
Диапазоны давлений: 0–10 бар (Серия ЭСК110), 0–6 бар (Серия ЭСК111)
Температура среды: -10 °С – +80 °С
Температура окружающей среды: -20 °С – +70 °С
Время открытия/закрытия: 200мс – 1500мс / 500мс – 2000мс
Максимальная вязкость: 38cSt или мм2/с
Максимально допустимое давление: 15 бар (Серия ЭСК110), 9 бар (Серия ЭСК111)
Не требует минимального перепада давления, внутренняя выпускная система (Серия ЭСК111)
Уплотнение клапана: кольца круглого сечения
Напряжение: AC, DC
Перестановка катушки без демонтажа клапана (независимо AC, DC)
Установка в любом положении, но наиболее оптимально катушкой вверх
Перед клапаном среду необходимо фильтровать
Расход (Q) может быть рассчитан, исходя из значений давления, плотности и коэффициента расхода
В соответствии с 97/23/ЕС Директива на оборудование, работающее под давлением (PED), 2006/95/EEC директива на низковольтное оборудование (LVD), 2004/108/ЕС Директива по электромагнитной совместимости (EMC)
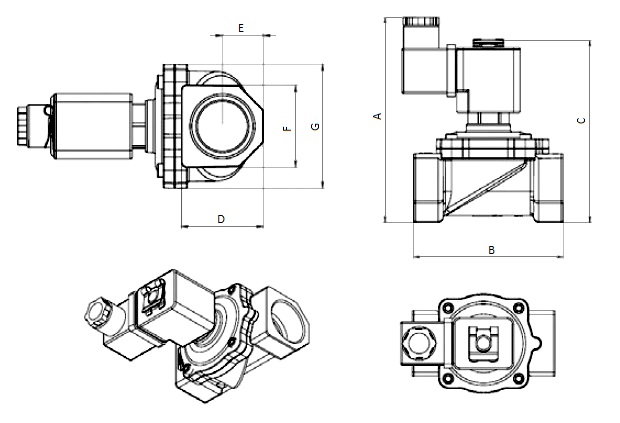
Габаритные характеристики

| A | B | C | D | E | F | G | |
| 1/8′ | 105,4 | 69 | 86,2 | 26,8 | 13,4 | 26,9 | 44 |
| 1/4′ | 105,4 | 69 | 86,2 | 26,8 | 13,4 | 26,9 | 44 |
| 3/8′ | 105,4 | 69 | 86,2 | 26,8 | 13,4 | 26,9 | 44 |
| 1/2′ | 105,4 | 69 | 86,2 | 26,8 | 13,4 | 26,9 | 44 |
| 3/4′ | 111,7 | 81 | 98,5 | 31,8 | 15,3 | 31,9 | 53,8 |
| 1′ | 122,3 | 89 | 108,6 | 40,8 | 20,4 | 41 | 62 |
Скачать
Скачать ТР ТС 010
Информация о доставке

Скачать опросный лист для соленоидных клапанов





