
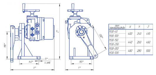
МЭО-350/133-0,63 -IIBT4Gb
Механизм исполнительный электрический однооборотный рычажные типа МЭО во взрывозащищенном исполнении. Номинальный крутящий момент на выходном валу 350 ньютон-метров, номинальное время полного хода выходного вала 133 секунд, номинальное значение полного хода выходного вала 0,63 оборотов, потребляемая мощьность 150 вольт-ампер, масса 39 килограмм, напряжение питания вольт, частота герц, степень защиты IP54, блок сигнализации положения 1Ex d IIB T6 Gb.
Цена по запросу
Подберём решение под вашу задачу
Подготовим подбор по параметрам объекта, предложим совместимые варианты и отправим коммерческое предложение.
- Подбор аналога по ТЗ и бюджету
- Сверка совместимости перед поставкой
- Консультация по срокам и комплектации
Категория: МЭО 350 IIB T4 Gb
Полезные материалы:
| Наименование параметра | Значение |
|---|---|
| Номинальный крутящий момент на выходном валу, Н м | 350 |
| Номинальное время полного хода выходного вала, с | 133 |
| Номинальное значение полного хода выходного вала, об | 0.63 |
| Потребляемая мощьность, В А | 150 |
| Масса, кг | 39 |
| Напряжение питания, В | 0 |
| Частота питания, Гц | |
| Степень защиты | 0 |
| Блок сигнализации положения | |
| Режим работы механизма – S4 | частота включений до в час при повторном включении до % |
| Максимальная частота включении | до в час при повторном включении до % |





