Многооборотный электропривод ГЗ-А.100/24, 380 В

ГЗ ЭЛЕКТРОПРИВОД

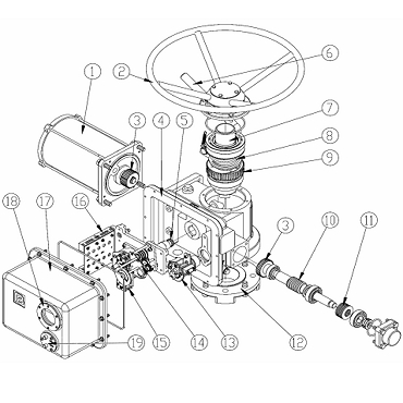
Устройство:

1 Электродвигатель
2 Вал маховика ручного дублера
3 Прямозубая цилиндрическая шестерня
4 Основной корпус
5 Переходной вал ограничителя хода
6 Рычаг переключения режимов
7 Выходной вал
8 Пружина полуавтоматической муфты
9 Червячное колесо
10 Червячный вал
11 Набор тарельчатых пружин муфты
12 Монтажный фланец
13 Двухсторонняя муфта ограничения крутящего момента
14 Ограничитель хода выходного вала
15 Индикатор положения затвора арматуры
16 Клеммные колодки контактных соединений
17 Передняя крышка корпуса
18 Окошко индикатора положения затвора арматуры
19 Кнопки местного управления
ОТКРЫТЬ (open),
ЗАКРЫТЬ (close)
В зависимости от размера заказа предоставляются скидки

Цена по запросу

Подберём решение под вашу задачу

Подготовим подбор по параметрам объекта, предложим совместимые варианты и отправим коммерческое предложение.

  • Подбор аналога по ТЗ и бюджету
  • Сверка совместимости перед поставкой
  • Консультация по срокам и комплектации

Категория: Многооборотные электроприводы

Полезные материалы:

Оставить заявку на подбор

Характеристики

  • Применение: для многооборотной запорной арматуры.
  • Климатическое исполнение: по ГОСТ 15150-69; (У1, УХЛ1, Т1).
  • Рабочая температура:

    • от -30º до +70º С. (У1);
    • от -40° до +60° С (У1);
    • от -60° до +60° С (УХЛ1);
    • от -10° до +65° С (Т1).
  • Производство: Россия.
  • Вес: 32,0 кг.

Основные характеристики:

  • Напряжение питания: трехфазный, 380В/50 Гц.
  • Относительная влажность (верхнее значение) 100% при 25° С.
  • Защита корпуса по IP65.
  • Тип присоединения к арматуре по ОСТ 26-07-763-73: А.
  • Номинальный крутящий момент на выходном валу: 100 Нм / 10 кгс*м.
  • Частота вращения вала, об/мин.: 24 (стандарт), 12, 18, 36 (заказ).
  • Настраиваемое число оборотов выходного вала, необходимое для закрытия (открытия) арматуры, об.: мин. 1 / макс. 300.
Многооборотный электропривод ГЗ-А.100/24, 380В

Устройство:

1 Электродвигатель
2 Вал маховика ручного дублера
3 Прямозубая цилиндрическая шестерня
4 Основной корпус
5 Переходной вал ограничителя хода
6 Рычаг переключения режимов
7 Выходной вал
8 Пружина полуавтоматической муфты
9 Червячное колесо
10 Червячный вал
11 Набор тарельчатых пружин муфты
12 Монтажный фланец
13 Двухсторонняя муфта ограничения крутящего момента
14 Ограничитель хода выходного вала
15 Индикатор положения затвора арматуры
16 Клеммные колодки контактных соединений
17 Передняя крышка корпуса
18 Окошко индикатора положения затвора арматуры
19 Кнопки местного управления
ОТКРЫТЬ (open),
ЗАКРЫТЬ (close)
Чертеж Многооборотный электропривод ГЗ-А.100/24, 380В