МКСН.405124.009 ТУ
ТПП 2101 имеет маркировку взрывозащиты «0Ех ia IIC T5 Ga X» и предназначен для применения в соответствии с ГОСТ 31610.0-2019, ГОСТ 31610.26-2016, руководством по эксплуатации МКСН.405124.009 РЭ во взрывоопасных зонах помещений и наружных установок, в которых возможно образование взрывоопасных сред категорий IIA, IIB, IIC.
ТП по уровню взрывозащиты относится к особовзрывобезопасному оборудованию (Ga).
Средняя наработка до отказа:
- при температуре верхнего предела рабочего диапазона температур – 100 ч.
- при температуре применения не выше номинального значения – 8000 ч.
По отдельной заявке ТПП 2101 может поставляться с КМЧ МКСН.635632.004…007 (с. 202 каталога).


|
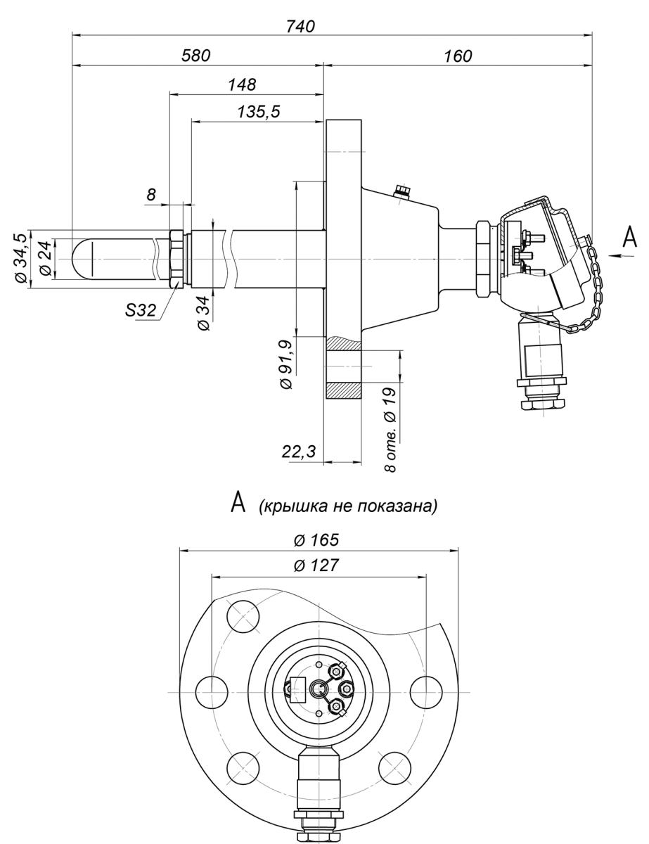
ТЕХНИЧЕСКИЕ ХАРАКТЕРИСТИКИ |
ТПП 2101 |
|
диапазон измеряемых температур, °C |
0…+ 1450 |
|
номинальная температура применения, °С |
+1300 |
|
номинальная статическая характеристика |
ПП(S) |
|
класс допуска |
2 |
|
степень защищенности от пыли и воды |
IР66 |
|
показатель тепловой инерции, с |
1000 |
|
диапазон условных давлений, МПа условное давление по ГОСТ 356-80, Ру, МПа |
3,5 |
|
материал термоэлектродов |
(+)Пр-10 Ø 0.5 (-)ПлТ Ø 0.5 |
|
устойчивость к вибрации (по ГОСТ Р 52931-2008) |
группа исп. N3 |
|
материал металлической части защитной арматуры |
10Х17Н13М2Т |
|
материал защитной арматуры |
вакуумплотная керамика |
|
вид климатического исполнения |
У2 |
|
исполнение рабочего спая |
изолирован |
|
тип присоединительного фланца по ГОСТ 33259-2015 |
50-63-11-В12Х18Н10Т-IV |
|
маркировка взрывозащиты по ГОСТ 31610.0-2019 |
0Ex ia IIC Т5 Ga X |
|
масса, кг, не более |
6,5 |
|
рабочие условия эксплуатации: |
|
|
– температура окружающей среды, °С |
от -50 до +85 |
|
– относительная влажность (при температуре окружающего воздуха +40 °С), % |
до 100 |
Сертификат соответствия № ЕАЭС RU С-RU.МГ07.В.00334/23 требованиям технического регламента Таможенного союза ТР ТС 012/2011 «О безопасности оборудования для работы во взрывоопасных средах»
Приложение. Описание типа ТПП 2101Тип средства измерения зарегистрирован в Федеральном информационном фонде по обеспечению единства измерений под № 89319-23
ПРИМЕР ЗАПИСИ ПРИ ЗАКАЗЕ:
«Преобразователь термоэлектрический ТПП 2101»
Руководство по эксплуатации ТПП 2101





Задайте свой вопрос