
|
ТЕХНИЧЕСКИЕ ХАРАКТЕРИСТИКИ |
ТХА 1303 |
ТХК 1303 |
ТХК 1303 |
|
диапазон измеряемых температур, °C |
-40…+350* * см. таблицы для рисунков 1-4 |
||
|
номинальная статическая характеристика |
ХА(К) |
ХК(L) |
ЖК(J) |
|
класс допуска |
2 |
||
|
степень защиты от пыли и воды |
IP50 |
||
|
материал защитной арматуры |
Ст.12Х18Н10Т |
||
|
материал корпуса головки |
алюминий |
||
|
исполнение рабочего спая |
изолированный (рис 1-3) не изолированный (рис 4) |
||
|
устойчивость к вибрации |
группа исп. N3 |
||
|
вид климатического исполнения |
У3, Т3 |
||

При заказе уточняйте — с адаптером байонетным или без него.
При заказе уточняйте — с адаптером байонетным или без него.
|
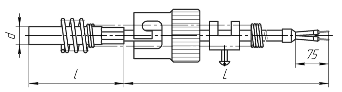
Рис.1 |
||||
|
|
||||
|
Диапазон измеряемых температур: -40…+350°C Время термической реакции, с: 8 для d=4 мм; 4,5 мм; 10 для d=5 мм |
||||
|
Тип |
d, мм |
Длина монтажной части l, мм |
Длина кабеля L, м |
Гайка байонетная |
|
ТХА ТЖК |
4; 4,5 5 |
6; 8; 10; 11 14; 16; 20; 25 |
от 0,5 до 20 |
ГБ12; ГБ15 |
|
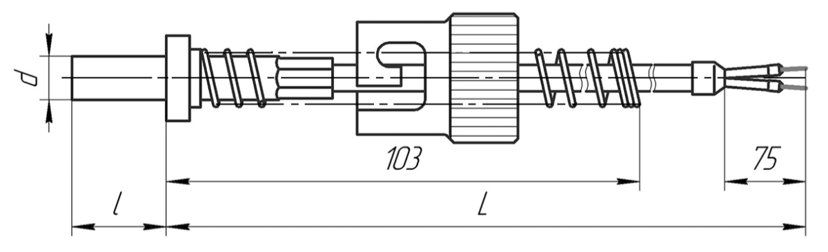
Рис.3 |
||||
|
|
||||
|
Диапазон измеряемых температур: -40…+250°C Время термической реакции, с: 10 для d=5 мм; 6 мм; |
||||
|
Тип |
d, мм |
Длина монтажной части l, мм |
Длина кабеля L, м |
Гайка байонетная |
|
ТХА ТХК ТЖК |
5; 6 |
6; 8; 10; 11 14; 16; 20; 25 |
от 0,5 до 20 |
ГБ12; ГБ15 |
Гайка байонетная
|
|
Наименование |
D, мм |
D1 , мм |
H, мм |
|
ГБ12 |
12,2 |
16 |
20 |
|
|
ГБ15 |
15,2 |
20 |
20 |
|
Рис.2 |
||||
|
|
||||
|
Диапазон измеряемых температур: -40…+250°C Время термической реакции, с: 10 для d=5 мм; 6 мм; 15 для d=8 мм |
||||
|
Тип |
d, мм |
Длина монтажной части l, мм |
Длина кабеля L, м |
Гайка байонетная |
|
ТХА ТХК ТЖК |
5; 6 |
10; 12; 16; 20; 25; 32; 40; 50; 60 |
от 0,5 до 20 |
ГБ12; ГБ15 |
|
8 |
ГБ15 |
|||
Адаптер байонетный
|
|
||||
|
Исполнение |
L, мм |
N, мм |
D, мм |
Ответная гайка |
|
-00 |
30 |
М12х1,5 |
12 |
ГБ12 |
|
-01 |
40 |
|||
|
-02 |
60 |
|||
|
-03 |
50 |
М14х1,5 |
15 |
ГБ15 |
|
-04 |
60 |
|||
|
-05* |
60 |
|||
|
* Для рисунка 2, с диаметром монтажной части 8 мм |
||||
|
Рис.4 |
|||||
|
|
|||||
|
Общая длина L = (l + Lk ), мм Время термической реакции: не более 4 с Тип спай — не изолированный Масса М, кг, не более: М = 0,05 + 0,17l + 0,03Lk |
|||||
|
Тип |
Диапазон измеряемых температур, °C |
d, мм |
Длина монтажной части l, мм |
Длина кабеля L, м |
Гайка байонетная |
|
ТХА ТЖК |
-40…+350 |
4; 5; 6 |
6; 8; 10; 11 14; 16; 20; 25 |
от 0,5 до 20 |
ГБ12; ГБ15 |
|
ТХК |
-40…+250 |
||||
ПРИМЕР ЗАПИСИ ПРИ ЗАКАЗЕ:
«ТХА 1303-2-6-25-1,5-ГБ12-(-40…+250)»
При заказе уточняйте — с адаптером байонетным или без него.
ПОРЯДОК ЗАПИСИ ПРИ ЗАКАЗЕ:
«ТХХ 1303 – Х – Х – Х – Х – Х – (Х…Х)»
1 2 3 4 5 6 7
1. Тип
2. Номер рисунка конструкции (1, 2, 3, 4)
3. Диаметр монтажной части d, мм
4. Длина монтажной части l, мм
5. Длина кабеля L, м
6. Гайка байонетная (ГБ12 или ГБ15)
7. Диапазон измеряемых температур, °С











