Расходомеры-счетчики электромагнитные ВИРС-М (электромагнитный расходомер) предназначены для измерения объемного расхода и объема жидкости в заполненном трубопроводе и преобразования его в нормированный импульсный и токовый выходные сигналы , протекающей в закрытом трубопроводе, и преобразования его в нормированный импульсный и токовый выходные сигналы.
Счетчики ВИРС-М внесены в Госреестры СИ:
— РБ №03 07 8094 21;
— РФ №84820-22 от 03.03.2022;
Счетчики соответствуют ГОСТ ЕN 1434, СТБ ISO-4064.
Счетчики могут применяться для измерения количества горячей и холодной воды, в том числе питьевой воды, теплоносителя, сточных вод, в т.ч. акустически непрозрачных, с содержанием механических примесей, либо электропроводных технологических жидкостей.
Отличительные особенности расходомеры-счетчики электромагнитные ВИРС-М
- материалы электродов в стандартно — AISI 316L, опционально — Тантал (Ta), Титан (Ti), Хастеллой;
- материал футеровки — фторопласт (Ф-4), PFA, полипропилен, полиуретан;
- фланцевое и бесфланцевое исполнение расходомера;
- незначительные потери давления, назначительные прямые участки до и после расходомера;
- низкая восприимчивость к свойствам измеряемой среды ( плотность, вязкость, температура);
- выходные сигналы: импульсный, токовый (4-20 мА), интерфейсный (RS-485), реверс;
- режим автодиагностики светодиодами;
- питание счетчика: 24 VDC;
- степень защиты оболочек IP65, IP67, IP68;
- номинальное давление 1,6 МПа, 2,5 МПа, 4,0 МПа;
- температура измеряемой среды от 0° до 150° С;
- температура окружающей среды от -30°С до 55°С;
- возможность исполнения без индикации и с индикацией.
Технические характеристики ВИРС-М
Расходомеры выпускаются в сериях 1ххх соответствующая ГОСТ ISO4064-1-2017 «Счетчики воды» и 2ххх соответствующая ГОСТ EN1434-2018 «Теплосчетчики», ГОСТ 28723-75 «Расходомеры».
| Серия | Диапазон измерения расхода, % | Погрешность измерения расхода, % |
| 1000Р | 1:1000 | 2,0 |
| 1000 | 1:500 | 2,0 |
| 1100 | 1:250 | 1,0 |
| 1300 | 1:100 | 0,5 |
| 1500 | 1:25 | 0,25 |
Типоразмеры расходомера-счетчика воды ВИРС-М
Номинальные диаметры (DN) расходомеров-счетчиков, соответствующие им максимальные (Qмакс) значения расхода, масса, падение давления, вес импульса.
|
DN, мм |
Qмакс, м3/ч |
ΔPn при 0,7Qмакс, кПа |
Вес импульса, л/имп |
Масса с/без КМЧ, не более, кг |
|
4 |
0,40 |
8 |
0,001-0,1 |
1,5/1 |
|
10 |
3,15 |
8 |
0,001-0,1 |
1,5/1 |
|
15 |
6,3 |
8 |
0,01/0,1/1/10 |
2,5/1,5 |
|
20 |
10 |
8 |
0,01/0,1/1/10 |
2,5/1,6 |
|
25 |
15 |
8 |
0,01/0,1/1/10 |
3/1,8 |
|
32 |
25 |
8 |
0,01/0,1/1/10 |
4/2,5 |
|
40 |
40 |
8 |
0,1/1/10 |
6/4,0 |
|
50 |
65 |
8 |
0,1/1/10 |
6,5/4,0 |
|
65 |
100 |
8 |
0,1/1/10 |
15/11 |
|
80 |
150 |
8 |
0,1/1/10 |
17/13,5 |
|
100 |
250 |
8 |
0,1/1/10 |
21,5/17 |
|
125 |
400 |
8 |
0,1/1/10 |
33/25 |
|
150 |
630 |
8 |
1/10/100 |
43/35 |
|
200 |
1000 |
8 |
1/10/100 |
45/36 |
Требования к прямолинейным участкам для ВИРС-М серий 1000, 2000 Значения в скобках — серий 1100, 2100
| Тип гидравлического сопротивления | Минимальная длина прямого участка, DN | |
| До | После | |
| Полностью открытый полнопроходный шаровый кран | 0 | 0 |
| Диффузор и конфузор с конусностью до 8о | 0 | 0 |
| Отводы 2D (не более 2 отводов в одной плоскости) | 3(5) | 1(2) |
| Отводы 3D (2 и более отводов в разных плоскостях) | 3(5) | 1(2) |
| Диффузор и конфузор с конусностью 30о | 3(5) | 1(2) |
| Гильза ТС, фильтр — грязевик | 5(5) | 3(3) |
| Открытая задвижка (не шаровая) | 5(5) | 3(3) |
| Насос, частично открытая задвижка | 10(15) | 5(5) |
| Клапан регулирующий, тройник (смешение потоков с Δt≥10оС), совмещенные сопротивления | 5(10) | 1(2) |
Требования к прямолинейным участкам для серии 1300, 2300
|
Тип гидравлического сопротивления |
Минимальная длина прямого участка, DN |
|
| До | После | |
| Полностью открытый полнопроходный шаровый кран | 0 |
0 |
| Диффузор и конфузор с конусностью до 8о |
0 |
0 |
| Отводы 2D (не более 2 отводов в одной плоскости) |
5 |
2 |
| Отводы 3D (2 и более отводов в разных плоскостях) |
5 |
2 |
| Диффузор и конфузор с конусностью 30о |
5 |
2 |
| Гильза ТС, фильтр — грязевик |
5 |
3 |
|
Открытая задвижка (не шаровая) |
5 |
3 |
|
Насос, частично открытая задвижка |
15 |
2 |
|
Клапан регулирующий, тройник (смешение потоков с Δt≥10оС), совмещенные сопротивления |
10 |
2
|
Продольные сварные швы электросварных труб в прямых участка местным сопротивлением не считаются.
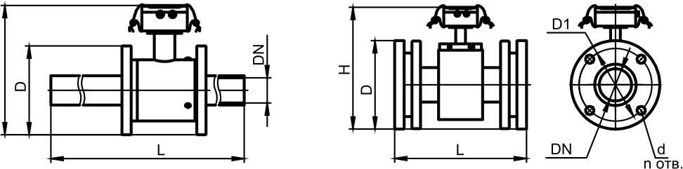
Габаритные и установочные размеры ВИРС-М
Габаритные и установочные размеры расходомеров ВИРС-М серий 1000Р, 1000, 1100, 2000, 2100 без монтажного комплекта
- Резьбовое исполнение

| DN | L, мм | H, мм | D1 | D, мм |
| 15 | 130 | 160 | 3/4″ | 70 |
| 20 | 130 | 160 | 1″ | 70 |
| 25 | 150 | 166 | 1 1/4″ | 76 |
| 32 | 180 | 179 | 1 1/2″ | 89 |
| 40 | 160 | 198 | 2″ | 108 |
2. Межфланцевое исполнение

| DN | L, мм | D, мм | H, мм |
| 15 | 95 | 70 | 157 |
| 20 | 95 | 70 | 157 |
| 25 | 100 | 76 | 164 |
| 32 | 125 | 89 | 178 |
| 40 | 110 | 100 | 189 |
| 50 | 110 | 108 | 197 |
| 65 | 175 | 130 | 220 |
| 80 | 185 | 140 | 230 |
| 100 | 200 | 160 | 250 |
3. Фланцевое исполнение

| DN | L, мм | D, мм | D1, мм | H, мм | n | d, мм |
| 15 | 150 | 95 | 65 | 168 | 4 | 14 |
| 20 | 150 | 105 | 75 | 173 | 4 | 14 |
| 25 | 150 | 115 | 85 | 182 | 4 | 18 |
| 32 | 200 | 135 | 100 | 207 | 4 | 18 |
| 40 | 200 | 145 | 110 | 221 | 4 | 18 |
| 50 | 200 | 162 | 125 | 230 | 4 | 18 |
| 65 | 200 | 180 | 145 | 251 | 4 | 18 |
| 80 | 250 | 195 | 160 | 270 | 4 | 18 |
| 100 | 250 | 215 | 180 | 291 | 8 | 18 |
| 125 | 300 | 245 | 210 | 328 | 8 | 18 |
| 150 | 300 | 280 | 240 | 346 | 8 | 22 |
| 200 | 350 | 335 | 295 | 382 | 12 | 22 |
Габаритные и установочные размеры расходомеров ВИРС-М cерий 1000Р, 1000, 1100, 2000, 2100 с монтажным комплектом

- Межфланцевое исполнение
серии 1000Р, 1000, 2000
| DN | L, мм | D, мм | H, мм |
| 15 | 160 | 115 | 180 |
| 20 | 180 | 115 | 180 |
| 25 | 205 | 115 | 184 |
| 32 | 260 | 135 | 200 |
| 40 | 275 | 145 | 210 |
| 50 | 315 | 160 | 222 |
| 65 | 440 | 180 | 243 |
| 80 | 510 | 195 | 256 |
| 100 | 605 | 215 | 276 |
2. Межфланцевое исполнение
серии 1100, 2100
| DN | L, мм | D, мм | H, мм |
| 15 | 205 | 115 | 180 |
| 20 | 240 | 115 | 180 |
| 25 | 280 | 115 | 184 |
| 32 | 355 | 135 | 200 |
| 40 | 395 | 145 | 210 |
| 50 | 465 | 160 | 222 |
| 65 | 635 | 180 | 243 |
| 80 | 750 | 195 | 256 |
| 100 | 905 | 215 | 276 |
3. Фланцевое исполнение
серии 1000Р, 1000, 1100, 2000, 2100
| DN | L, мм | D, мм | D1, мм | H, мм | n | d, мм |
| 15 | 180 | 95 | 65 | 168 | 4 | 14 |
| 20 | 185 | 105 | 75 | 173 | 4 | 14 |
| 25 | 190 | 115 | 85 | 182 | 4 | 18 |
| 32 | 240 | 135 | 100 | 207 | 4 | 18 |
| 40 | 240 | 145 | 110 | 221 | 4 | 18 |
| 50 | 245 | 160 | 125 | 230 | 4 | 18 |
| 80 | 30 | 195 | 160 | 270 | 4 | 18 |
| 100 | 305 | 215 | 180 | 291 | 8 | 18 |
| 125 | 355 | 245 | 210 | 328 | 8 | 18 |
| 150 | 355 | 280 | 240 | 346 | 8 | 22 |
| 200 | 410 | 335 | 295 | 382 | 12 | 22 |








