Расходомеры-счетчики электромагнитные ВИРС-М исполнения ПРОМ, предназначены для измерения объема и объемного расхода жидкости, протекающей через заполненную проточную часть расходомера, индицирования и преобразования в унифицированные частотный, импульсный, токовый и интерфейсные электрические сигналы.
Типы электропроводящих жидкостей
Не вызывающие коррозию проточной части расходомера, в том числе акустически непрозрачные, с содержанием механических примесей:
- горячая и холодная вода, в том числе питьевая воды;
- различные жидкостей и растворы, в том числе агрессивные (кислотные, щелочные), взвеси, пульпы, сточные воды;
- фармацевтические среды, непищевые и пищевые продукты (молоко, соки, сиропы и т.п.);
- жидкости с электропроводностью до 5∙10-6 Смм.
Функциональность ВИРС-М ПРОМ
- измерение объема и объемного расхода в прямом и реверсном направлениях потока, контроль заполнения трубопровода жидкостью;
- вычисление объема нарастающим итогом для прямого и реверсного направлений потока, ведение архива данных;
- дозирование заданного объема в режиме «старт — стоп»;
- контроль, индицирование, архивирование ошибок измерения;
- передачу измерительной и диагностической информации на внешние устройства через имеющиеся выходы и интерфейсы.
Отрасли применения
- Производство стройматериалов;
- Химическая промышленность;
- Пищевая промышленность;
- Теплоэнергетика.
Отличительные особенности
- Точность измерения расхода – 2%, 1%, 0,5% и 0,25%;
- Степень защиты оболочек — ППР (IP65, IP68, категория 2), электронный модуль – IP65, IP67;
- Температура измеряемой среды: -30°С — +150 °С;
- Температура окружающей среды: -40°С — +70°С;
- Типы интерфейсов: RS-485, HART;
- Компоновка – компактная (-30°С — +130°С) и раздельная (-30°С — +150°С).
Технические характеристики
|
Параметры |
1000 Р |
1100 |
1300 |
1500 |
|
|
Типоразмеры |
Резьбовое, диаметр 10 — 40 мм |
G3/4-G2 (10-40) |
G3/4-G2(15-40) |
||
|
Муфта молочная (SMS, DIN 11851), DN |
15-100 |
||||
|
Сэндвич, DN |
10-100 |
||||
|
Фланец, DN |
10-300 |
||||
|
Погрешность, % |
2 |
1 |
0,5 |
0,25 |
|
|
Диапазон измерения с нормированной относительной погрешностью, Q3/Q2 |
1:1000 |
||||
|
Количество точек калибровки |
5 точек плюс калибровка нуля |
||||
|
Температурный диапазон измерений жидкости, 0С |
от — 30 до +150 (фторопласт) от -5 до +70 (полиуретан) |
||||
|
Температурный диапазон окружающей среды, 0С |
от — 40 до + 70 |
||||
|
PN, МПа |
Сэндвич |
1,6 (2,5) |
|||
|
Фланец |
1,6 (2,5; 4,0; 6,3) |
||||
|
Резьбовое |
1,6 (2,5) |
||||
|
Муфта молочная (SMS, DIN 11851) |
1,6 |
||||
|
Выходной сигнал |
Импульсный (частотный) до 10000 Гц |
||||
|
Токовый выход (с HART), мА |
4-20 |
||||
|
Дискретный выход (программируемый) |
2 выхода |
||||
|
Измерение реверсного потока |
+ |
||||
|
Степень защиты (IP) по ГОСТ 14254 |
67, 68 |
||||
|
Индикация |
Индикатор ЖКИ, размер видимой области 105х24 мм |
||||
|
Архив количество |
65 000 |
||||
|
Расчёт массового расхода |
+ |
||||
|
Контроль заполнения трубопровода |
+ |
||||
|
Режим дозирования |
+ |
||||
Серии расходомеров-счетчиков ВИРС-М ПРОМ
Расходомеры выпускаются в сериях 1ххх соответствующая ГОСТ ISO4064-2017 «Счетчики воды» и 2ххх соответствующая ГОСТ EN1434-2018 «Теплосчетчики»
| Серия | Диапазон измерения расхода, % | Погрешность измерения расхода, % |
| 1000Р | 1:1000 | 2,0 |
| 1100 | 1:250 | 1,0 |
| 1300 | 1:100 | 0,5 |
| 1500 | 1:25 | 0,25 |
Отличительные особенности:
- материалы электродов в стандартно — AISI 316L, опционально — Тантал (Ta), Титан (Ti), Хастеллой;
- материал футеровки — PTFE (полиуретан);
- исполнение расходомера — сэндвич, фланец, муфтовое, clamp (DIN 32676), муфта молочная (SMS, DIN 11851);
- незначительные потери давления, назначительные прямые участки до и после расходомера;
- низкая восприимчивость к свойствам измеряемой среды ( плотность, вязкость, температура);
- выходные сигналы: импульсный, токовый (4-20 мА), интерфейсный (RS-485), реверс;
- питание счетчика: 24 VDC;
- степень защиты: электронный модуль — IP67 (по ГОСТ 14254-2015), ППР — IP65, IP68, категория 2;
- номинальное давление 1,0 МПа, 1,6 МПа, 2,5 МПа, 4,0 МПа;
- температура измеряемой среды от 0° до 150° С;
- температура окружающей среды от -40°С до 55°С.
Требования к прямолинейным участкам для ВИРС-М ПРОМ. Значения в скобках — при реверсном потоке.
| Тип гидравлического сопротивления | Минимальная длина прямого участка, DN | |
| До | После | |
| Серии 1300, 2300 | ||
| Полностью открытый полнопроходный шаровый кран | 0 | 0 |
| Диффузор и конфузор с конусностью до 8о | 0 | 0 |
| Отводы 2D (не более 2 отводов в одной плоскости) | 3 | 1(3) |
| Отводы 3D (2 и более отводов в разных плоскостях) | 3 | 1(3) |
| Диффузор и конфузор с конусностью 30о | 3 | 1(3) |
| Гильза ТС, фильтр — грязевик | 5 | 3(5) |
| Открытая задвижка (не шаровая) | 5 | 3(5) |
| Насос, частично открытая задвижка | 15 | 5(15) |
| Клапан регулирующий, тройник (смешение потоков с Δt≥10оС), совмещенные сопротивления | 15 | 5(15) |
| Серии 1500, 2500 | ||
| Полностью открытый полнопроходный шаровый кран | 0 | 0 |
| Диффузор и конфузор с конусностью до 8о | 0 | 0 |
| Отводы 2D (не более 2 отводов в одной плоскости) | 5 | 2(5) |
| Отводы 3D (2 и более отводов в разных плоскостях) | 5 | 2(5) |
| Диффузор и конфузор с конусностью 30о | 5 | 2(5) |
| Гильза ТС, фильтр — грязевик | 5 | 2(5) |
| Открытая задвижка (не шаровая) | 5 | 2(5) |
| Насос, частично открытая задвижка | 15 | 5(15) |
| Клапан регулирующий, тройник (смешение потоков с Δt≥10оС), совмещенные сопротивления | 15 | 5(15) |
Продольные сварные швы электросварных труб в прямых участка местным сопротивлением не считаются.
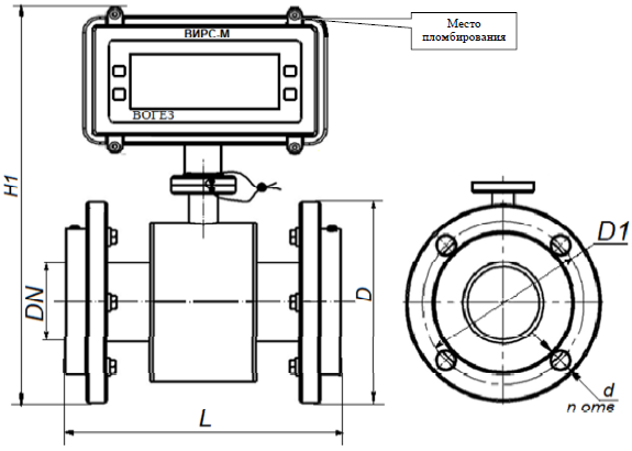
Габаритные, присоединительные и установочные размеры расходомеров ВИРС-М ПРОМ
-
Исполнение «сэндвич»


2. С резьбовым присоединением

3. Фланцевое исполнение










