| № п.п | Параметры | РСМ-5319 | РСМ-5320 | РСМ-5321 | РСМ-5322 |
| 1 | Диапазон рабочих давлений, МПа | -0,1…6 | 0…60 | ||
| 2 | Минимальный верхний предел измерений, кПа | 60 | 1 000 | ||
| 3 | Диапазон рабочих температур, ºС | -40…+200 | |||
| 4 | Внутренний объем, см3 | 7,3 | 7,3 | 2,3 | 2,3 |
| 5 | Максимальный вытесняемый объем, см3 | 6,3 | 6,3 | 0,25 | 0,25 |
| № п.п | Параметры | РСМ-5319 | РСМ-5320 | РСМ-5321 | РСМ-5322 | |
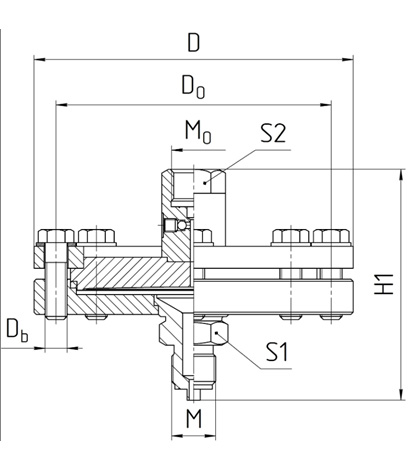
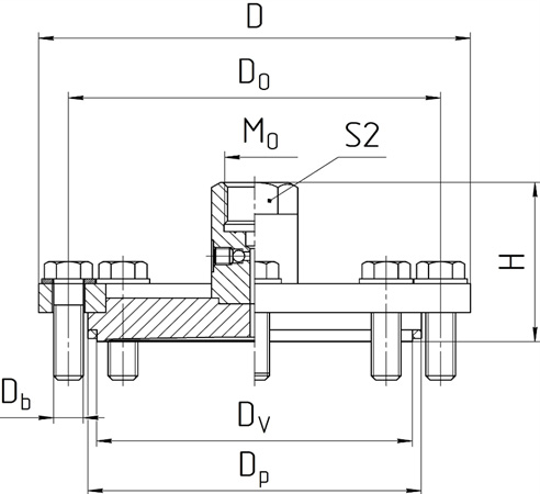
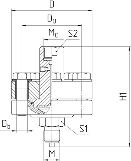
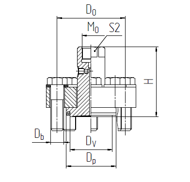
| 1 | Диаметр фланца D, мм | Ø145 | Ø145 | Ø98 | Ø98 | |
| 2 | Диаметр по центрам отверстий D0, мм | Ø125 | Ø125 | Ø74 | Ø74 | |
| 3 | Посадочный диаметр Dp, мм | – | Ø112 | – | Ø36 | |
| 4 | Внутренний диаметр Dv, мм | – | Ø106,7 | – | Ø54 | |
| 5 | Диаметр Db/ число болтов, мм | М10х1,5/8 | М10х1,5/8 | М14х1,5/8 | М14х1,5/8 | |
| 6 | Размер под ключ S1/S2 | 27 | ||||
| 7 | Высота, мм | 110 (H1) | 60 (H) | 130(H1) | 80(H) | |
| 8 | Масса прибора, кг | 3,6 | 2,1 | 2,7 | 1,8 | |
Габаритные размеры РСМ-5319

Габаритные размеры РСМ-5320

Габаритные размеры РСМ-5321

Габаритные размеры РСМ-5322

Код материла деталей
| Деталь | Материал | Код | Диапазон рабочихтемпературРСМ5),С° |
|---|---|---|---|
| Мембрана | сталь 10Х17Н13М2Т1) | 3 | |
| сталь 10Х17Н13М2Т1) с фторполимерным покрытием | 3F | ||
| Hastelloy C276 | 6 | ||
| Накидной фланец | сталь 12Х18Н10Т2) | 1 | -40 … +200 |
| сталь 203) 4) | 10 | -20 … +200 | |
| Детали, контактирующие с измеряемой средой | сталь 12Х18Н10Т2) | 1 | |
| сталь 10Х17Н13М2Т1) | 3 |
1) Допускается применение сталей: AISI316, AISI316L, AISI316Тi.
2) Допускается применение сталей: 12Х18Н9Т, 08Х18Н10Т, AISI304.
3) С покрытием Ц 12.хр.
4) Допускается применение сталей: 25, 30.
5) Зависит от материала накидного фланца.
Гарантийные обязательства
Таблица 4
| Параметр | Значение |
| Гарантийный срок эксплуатации, месяцы | 36 со дня ввода в эксплуатацию, но не более 42 со дня изготовления |
Комплект поставки
Таблица 5
| Наименование | Количество |
| Разделитель сред | 1 |
| Кольцо уплотнительное | 1 |
| Прокладка медная
для моделей РСМ-5319, 5321 для моделей РСМ-5320, 5322 |
2
1 |
| Паспорт | 1 |
| Руководство по эксплуатации | 1 |
Обозначение при заказе
| РСМ | -5319 | 3 | 0 | 1 | К1/2 | М20f | ТУ |
| 1 | 2 | 3 | 4 | 5 | 6 | 7 | 8 |
- Тип разделителя сред
- Модель:
5319;
5320;
5321;
5322. - Материал мембраны:
3 – 10Х17Н13М2Т1);
3F – сталь 10Х17Н13М2Т1) с фторполимерным покрытием;
6 – Hastelloy C276. - Материал накидного фланца:
0 – сталь Ст20 оцинкованная;
1 – сталь 12Х18Н10Т. - Материал деталей, контактирующих с измеряемой средой (корпус, фланец со штуцером):
1 – сталь 12Х18Н10Т;
3 – сталь AISI 3161). - Резьбовое соединение на входе среды (подключение к процессу)2) :
М20 – наружная резьба М20х1,5 с проходным отверстием 3,5 мм;
G1/2 – наружная резьба G1/2 с проходным отверстием 3,5 мм;
М20d – наружная резьба М20х1,5 с проходным отверстием 10 мм;
G1/2d – наружная резьба G1/2 с проходным отверстием 10 мм;
К1/2 – наружная резьба К1/2;
1/2NPT – наружная резьба 1/2NPT;
М20f – внутренняя резьба М20х1,5;
G1/2f – внутренняя резьба G1/2;
К1/2f – внутренняя резьба К1/2
1/2NPTf – внутренняя резьба 1/2NPT. - Резьбовое соединение на выходе среды (подключение прибора):
М20f – внутренняя резьба М20х1,5;
G1/2f – внутренняя резьба G1/2;
К1/2f – внутренняя резьба К1/2;
1/2NPTf – внутренняя резьба 1/2NPT. - Обозначение технических условий.
Пример: РСМ-5319-3-1-1-К1/2-М20f ТУ 4212-001-59541470-2008 Разделитель сред разборный 5319, мембрана из стали 316L, накидной фланец из стали 12Х18Н10Т, детали, контактирующие с окружающей средой из стали 12Х18Н10Т, присоединение к процессу по наружной резьбе К1/2, присоединение прибора по внутренней резьбе М20






