-
- Сосуды относятся к группе В, С по НП-089-15.
- Категории сейсмостойкости I, II, III по НП-031-01. Сочетания «класс безопасности – категория сейсмостойкости» представлены в таблице 3.
- Номинальное давление, расчетные давление и температура, давление гидроиспытаний приведены в таблице 1.
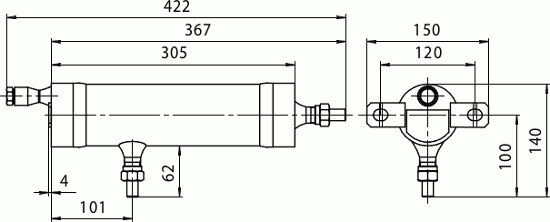
- Массы сосудов и внутренние размеры приведены в таблице 2.
- Материал, контактирующий с рабочей средой – 08Х18Н10Т ГОСТ 5632.
- Патрубки и ниппеля под приварку трубок 14х2.
| Условное обозначение | Номинальное давление, МПа | Расчетное давление, МПа | Расчетная температура, °С | Давление гидроиспытаний, МПа |
|---|---|---|---|---|
| БСУ12,5-38 | 12,5 | 11 | 300 | 17 |
| БСУ12,5-38Р | ||||
| БСУ12,5-312 | ||||
| БСУ12,5-312Р | ||||
| БСУ25-38 | 25 | 20 | 32 | |
| БСУ25-38Р | ||||
| БСУ25-312 | ||||
| БСУ25-312Р |
Массы сосудов и внутренние размеры
| Условное обозначение | Масса, кг | Объем сосуда, дм3 | Объем воды, дм3 | Площадь зеркала, см2 | ||
|---|---|---|---|---|---|---|
| Положение сосуда: Г — горизонтальное, В — вертикальное | ||||||
| Г | В | Г | В | |||
| БСУ12,5-38 | 2,55±0,25 | 0,65 | 0,26 | 0,31 | 120 | 35 |
| БСУ12,5-38Р | 3,65±0,25 | |||||
| БСУ12,5-312 | 3,35±0,35 | 1,00 | 0,41 | 0,67 | 190 | |
| БСУ12,5-312Р | 4,45±0,35 | |||||
| БСУ25-38 | 3,45±0,3 | 0,55 | 0,21 | 0,25 | 110 | 30 |
| БСУ25-38Р | 3,55±0,3 | |||||
| БСУ25-312 | 4,7±0,4 | 0,85 | 0,34 | 0,57 | 170 | |
| БСУ25-312Р | 4,8±0,4 | |||||
Сочетания «класс безопасности — категория сейсмостойкости»
| Условное обозначение | Группа оборудования | |||||
|---|---|---|---|---|---|---|
| В | С | |||||
| БСУ12,5-38, БСУ12,5-312, БСУ25-38, БСУ25-312 | 2-I | 3-I | – | 4-I | – | 4-III |
| БСУ12,5-38Р, БСУ12,5-312Р, БСУ25-38Р, БСУ25-312Р | – | – | 3-II | – | 4-II | 4-III |
БСУ12,5-38, БСУ25-38

БСУ12,5-312, БСУ25-312

БСУ12,5-38Р, БСУ25-38Р

БСУ12,5-312Р, БСУ25-312Р

Гарантийные обязательства
| Параметр | Значение |
|---|---|
| Гарантийный срок эксплуатации, месяцы | 36 со дня ввода в эксплуатацию, но не более 42 со дня изготовления |
Комплект поставки
| Наименование | Количество |
|---|---|
| Сосуд | 1 |
| Комплект дополнительных уплотнительных прокладок | 1 (в комплект входят 3 прокладки, по требованию заказчика количество прокладок может быть увеличено) |
| Паспорт | 1 |
| Эскиз сосуда с указанием клейм сварщиков | 1 на каждый сосуд 2 и 3 классов безопасности |
| План качества | 1 на партию сосудов 2 и 3 классов безопасности |
| Выписка из расчета на прочность | |
| Руководство по эксплуатации (РЭ) | 1 на партию сосудов (по требованию заказчика количество экземпляров РЭ может быть увеличено) |
| Чертежи оборудования | 1 комплект |
| Таблицы контроля качества металла | 1 комплект |
| Сертификаты на примененные материалы | 1 комплект |
Обозначение при заказе
| Сосуд уравнительный | БСУ12,5-312Р | 3 | II | ТУ 4212-005-59541470-2010 |
|---|---|---|---|---|
| 1 | 2 | 3 | 4 | 5 |
- Наименование.
- Условное обозначение.
- Класс безопасности.
- Категория сейсмостойкости.
- Обозначение технических условий.








