Основные технические характеристики
| № п.п | Параметры | РСМ-310-2,5 | РСМ-310-6 | РСМ-310-25 | РСМ-310-60 |
| 1 | Диапазон рабочих давлений, МПа | -0,1…2,5 | -0,1…6 | 0…25 | 0…60 |
| 2 | Минимальный верхний предел измерений, кПа | 25 | 50 | 250 | 1000 |
| 3 | Диапазон рабочих температур, ºС | -60…+200 | |||
| 4 | Внутренний объем, см3 | 20 | 3,7 | 1,9 | 0,75 |
| 5 | Максимальный вытесняемый объем, см3 | 10 | 3 | 0,4 | 0,15 |
| № п.п | Параметры | РСМ-310-2,5 | РСМ-310-6 | РСМ-310-25 | РСМ-310-60 |
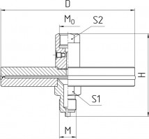
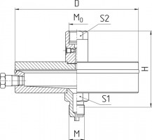
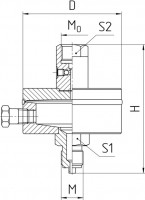
| 1 | Диаметр D, мм | Ø160 | Ø90 | Ø60 | Ø45 |
| 2 | Высота H, мм | 100 | 98 | 98 | 88 |
| 3 | Высота H (с промывочным отверстием), мм | 122 | 118 | 124 | 100 |
| 4 | Размер под ключ S1 | 27 | 27 | 27 | 27 |
| 5 | Размер под ключ S2 | 27 | 27 | 27 | 27 |
| 6 | Диаметр dm, мм | 160 | 88 | 52 | 35 |
| 7 | Масса прибора, кг | 3,6 | 1,7 | 1,1 | 0,9 |
| 8 | Масса прибора с промывочным отверстием, кг | 4,4 | 2,2 | 1,35 | 1,15 |
Габаритные размеры РСМ-310-2,5
Габаритные размеры РСМ-310-6
Габаритные размеры РСМ-310-25
Габаритные размеры РСМ-310-60
Код материла деталей
| Деталь | Материал | Код | Диапазон рабочихтемпературРСМ,С° |
|---|---|---|---|
| Мембрана | сталь 10Х17Н13М2Т1) | 3 | -60 … +350 |
| Hastelloy C276 | 6 | ||
| Детали, контактирующие с измеряемой средой | сталь 12Х18Н10Т2) | 1 | |
| сталь 10Х17Н13М2Т1) | 3 |
1) Допускается применение сталей: AISI316, AISI316L, AISI316Тi.
2) Допускается применение сталей: 12Х18Н9Т, 08Х18Н10Т, AISI304.
Гарантийные обязательства
| Параметр | Значение |
| Гарантийный срок эксплуатации, месяцы | 36 со дня ввода в эксплуатацию, но не более 42 со дня изготовления |
Комплект поставки
| Наименование | Количество |
| Разделитель сред РСМ-310 | 1 |
| Прокладка медная | 2 |
| Паспорт | 1 |
| Руководство по эксплуатации | 1 |
Обозначение при заказе
| РСМ-310 | 2,5 | 1 | 1 | 1 | К1/2 | М20f | ТУ |
| 1 | 2 | 3 | 4 | 5 | 6 | 7 | 8 |
- Тип разделителя сред
- Модель:
2,5;
6;
25;
60. - Материал мембраны:
3 – сталь AISI 3161);
6 – Hastelloy C276 - Материал деталей, контактирующих с измеряемой средой (корпус, фланец со штуцером):
1 – сталь 12Х18Н10Т2);
3 – сталь 10Х17Н13М2Т1). - Промывочное отверстие в штуцере
1 – без промывочного отверстия
2 – с промывочным отверстием - Резьбовое соединение на входе среды (подключение к процессу) :
М20 – наружная резьба М20х1,5 с проходным отверстием 3,5 мм;
G1/2 – наружная резьба G1/2 с проходным отверстием 3,5 мм;
М20d – наружная резьба М20х1,5 с проходным отверстием 10 мм;
G1/2d – наружная резьба G1/2 с проходным отверстием 10 мм;
К1/2 – наружная резьба К1/2;
1/2NPT – наружная резьба 1/2NPT;
М20f – внутренняя резьба М20х1,5;
G1/2f – внутренняя резьба G1/2;
К1/2f – внутренняя резьба К1/2;
1/2NPTf – внутренняя резьба 1/2NPT. - Резьбовое соединение на выходе среды (подключение прибора):
М20f – внутренняя резьба М20х1,5;
G1/2f – внутренняя резьба G1/2:
К1/2f – внутренняя резьба К1/2;
1/2NPTf – внутренняя резьба 1/2NPT. - Обозначение технических условий.
2) Допускается применение сталей: 12Х18Н9Т, 08Х18Н10Т, AISI304.
Пример
Разделитель сред сварной для работы на избыточном давлении 6 МПа, мембрана из стали 316L, детали, контактирующие с окружающей средой из стали 12Х18Н10Т, без промывочного отверстия, присоединение к процессу по наружной резьбе К1/2, присоединение прибора по внутренней резьбе М20
РСМ-310-6-3-1-1-К1/2-М20f ТУ 4212-001-59541470-2008














