Скачать полное описание
Технические характеристики
|
Номинальный диаметр, DN |
10 – 25 (3/8” – 1”) |
|
Номинальное давление, PN |
40 бар |
|
Максимальное рабочее давление, Pmax |
32 бар |
|
Максимальная температура рабочей среды |
350 °С |
|
Минимальное давление на входе Р1 |
1 бар |
|
Максимальное противодавление |
0,6Р1 |
|
Рабочая среда |
Водяной пар, воздух |
|
Расположение на трубопроводе |
Горизонтально, вертикально |
|
Тип присоединения |
Резьбовой G (внутренняя) |
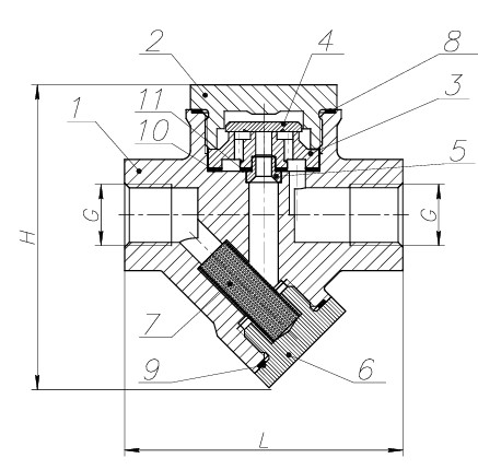
Спецификация материалов
|
№ |
Наименование |
Материал |
|
1 |
Корпус |
Сталь 20Л |
|
2 |
Крышка |
Сталь 20 |
|
3 |
Седло |
Нержавеющая сталь 20Х13 |
|
4 |
Диск |
Нержавеющая сталь 20Х13 |
|
5 |
Втулка |
Нержавеющая сталь 12Х18Н10Т |
|
6 |
Пробка |
Сталь 20 |
|
7 |
Фильтр |
Нержавеющая сталь 12Х18Н10Т |
|
8 |
Уплотнение крышки |
Сталь AISI 304 + графит |
|
9 |
Уплотнение пробки |
Сталь AISI 304 + графит |
|
10 |
Уплотнение седла |
Сталь AISI 304 + графит |
|
11 |
Уплотнение втулки |
Сталь AISI 304 + графит |

Массогабаритные характеристики
|
DN |
G” |
L,мм |
H,мм |
Масса,кг |
|
10 |
3/8” |
95 |
105 |
1,4 |
|
15 |
1/2” |
95 |
105 |
1,4 |
|
20 |
3/4” |
95 |
105 |
1,4 |
|
25 |
1” |
95 |
105 |
1,5 |
Пропускная способность
|
DN |
Перепад давления, бар |
||||||||||||
|
1 |
3 |
5 |
7 |
9 |
12 |
15 |
18 |
21 |
24 |
30 |
35 |
40 |
|
|
3/8’’ – DN10 |
180 |
250 |
320 |
380 |
430 |
500 |
550 |
590 |
630 |
670 |
730 |
770 |
800 |
|
1/2 ’’ – DN15 |
180 |
250 |
320 |
380 |
430 |
500 |
550 |
590 |
630 |
670 |
730 |
770 |
800 |
|
3/4 ’’ – DN20 |
180 |
250 |
320 |
380 |
430 |
500 |
550 |
590 |
630 |
670 |
730 |
770 |
800 |
|
1 ’’ – DN25 |
180 |
250 |
320 |
380 |
430 |
500 |
550 |
590 |
630 |
670 |
730 |
770 |
800 |
Скачать
Информация о доставке




