Купить электроприводы универсальные ВЭП с автоматически изменяемой потребляемой мощностью
Универсальные безрелейные электроприводы ВЭП с автоматически изменяемой потребляемой мощностью, в соответствии с фактической нагрузкой, в диапазоне от 400Н до 1300Н, применяются для управления двухходовыми и трехходовыми клапанами с номинальными диаметрами от DN15 до DN50. Климатическое исполнение — УХЛ 4 по ГОСТ 15150. Электропривод выполнен на базе шагового электродвигателя. Питание и управление осуществляется от платы управления.
Отличительные особенности безрелейного электропривода:
- Низкий уровень шума (не более 35дБ);
- Энергоэффективная схема управления двигателем производит автоматическую настройку усилия привода под фактическую нагрузку; *
- Отсутствие электромеханических реле;
- Режим работы S4 повторно-кратковременный реверсивный с частыми пусками ПВ 60% частота включений не более 630 в час;
- Степень защиты IP65;
- Специальное исполнение шагового двигателя;
- Средний срок службы – не менее 10 лет;
Гарантийный срок эксплуатации– 36 месяцев (3 года).
* График зависимости потребляемой мощности от развиваемого усилия.
Применяемость безрелейных электроприводов ВЭП:
- Электроприводы серии ВЭП-111М предназначены для управления клапанами ВКРП (для пара):
- Клапаны регулирующие ВКРП для пара (чугун);
- Клапаны регулирующие ВКРП для пара (сталь).
2. Электроприводы серии ВЭП-115М предназначены для управления двухходовыми клапанами ВКСР:
- Клапаны регулирующие проходные седельные ВКСР (чугун);
- Клапаны регулирующие проходные седельные ВКСР (сталь);
- Клапаны регулирующие проходные седельные муфтовые ВКСР DN15-DN50 (латунь);
- Клапаны регулирующие проходные седельные муфтовые ВКСР DN15-DN50 (нержавеющая сталь).
3. Электроприводы серии ВЭП-118М предназначены для управления трехходовыми клапанами ВКТР:
- Клапаны регулирующие трехходовые ВКТР (чугун);
- Клапаны регулирующие трехходовые муфтовые ВКТР DN15-DN50 (латунь);
- Клапаны регулирующие трехходовые муфтовые ВКТР DN15-DN50 (нержавеющая сталь).
ВАЖНО! Данные электроприводы не предназначены для работы в средах, содержащих агрессивные пары, газы и вещества, вызывающие разрушение покрытия, изоляции и материалов, а также во взрывоопасных средах
Примеры обозначение при заказе электропривода ВЭП с автоматически изменяемой потребляемой мощностью:
1. Универсальный электропривод ВЭП-111М-1300/50-20-220В,50Гц-IP65
Механизм исполнительный электрический прямоходный ВЭП, устанавливаемый на клапан регулирующий проходной ВКРП (для пара), с номинальным усилием 1300Н, с номинальным временем полного хода 50 сек, с номинальным полным ходом 20 мм, с управляющим сигналом ~220В, 50 Гц и степенью защиты IP65.
2. Универсальный электропривод ВЭП-115М-1300/50-20-220В,50Гц -IP65
Механизм исполнительный электрический прямоходный ВЭП, устанавливаемый на клапан регулирующий проходной седельный ВКСР, с номинальным усилием 1300Н, с номинальным временем полного хода 50 сек, с номинальным полным ходом 20 мм, с управляющим сигналом ~220В, 50 Гц и степенью защиты IP65.
3. Универсальный электропривод ВЭП-118М-1300/50-20-220В,50Гц -IP65
Механизм исполнительный электрический прямоходный ВЭП, устанавливаемый на клапан регулирующий трехходовой ВКТР, с номинальным усилием 1300Н, с номинальным временем полного хода 50 сек, с номинальным полным ходом 20 мм, с управляющим сигналом ~220В, 50 Гц и степенью защиты IP65.
| Наименование параметров | Значение |
| Прибор |
ВЭП-111М/ВЭП-115М/ВЭП-118М |
|
Напряжение питающей сети |
220 В, 50 Гц. |
| Потребляемая мощность, Вт, не более* |
8 |
| Условия эксплуатации: -температура окружающей среды -относительная влажность воздуха |
от 1 °С до 50 °С |
| Уровень шума, дБ, не более |
35 |
| Степень защиты |
IP65 |
| Номинальное усилие, Н |
1300±10 % |
| Номинальный полный ход, мм |
20(22max) |
| Номинальное время полного хода, с (задается переключателем) |
50±10 % |
| Класс защиты от поражения электрическим током |
II |
| Масса, кг, не более |
2,0 |
| Режим работы |
Повторно-кратковременный с частыми |
| Средний срок службы |
Не менее 10 лет |
| Содержание драгоценных металлов в граммах на единицу изделия: — золото — серебро — палладий |
0,0044892 0,041800 0,000300 |
* Потребляемая мощность в таблице приведена для максимальной нагрузки.
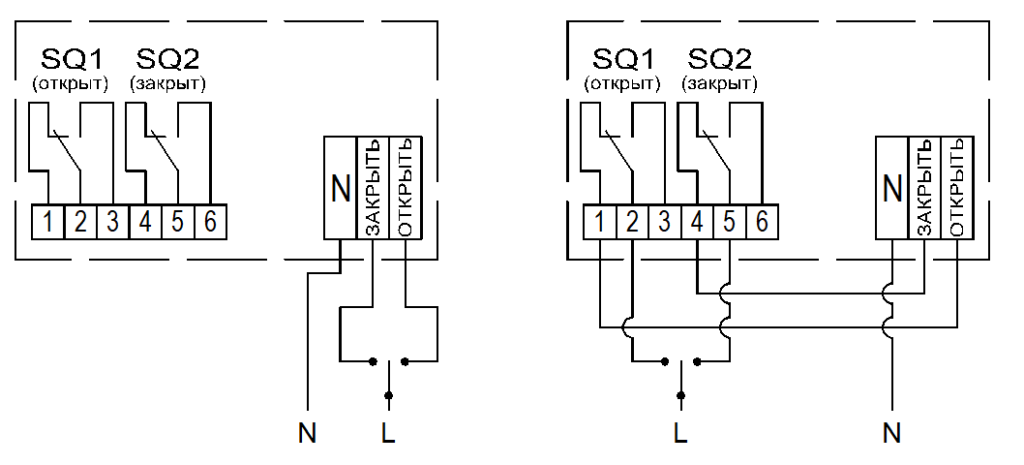
Схемы подключения:
а) при работе с полным рабочим ходом (отключение по усилию в крайних положениях).
б) при работе с ограничением рабочего хода.








