Цена по запросу.
Скачать полное описание
Технические характеристики
| Номинальный диаметр DN | 15 – 300 |
| Номинальное давление PN | 40 бар |
| Температура рабочей среды | От -40 °С до 400 °С |
| Рабочая среда | Пар, вода, воздух, нефтепродукты и другие среды, совместимые с материалами конструкции вентиля |
| Присоединение | Фланцевое согласно ГОСТ 33259-2015 |
| Тип управления | Электропривод |
Ограничения применения
|
Давление рабочей среды |
Максимальная температура рабочей среды |
|
23,8 бар |
400 °С |
|
27,6 бар |
300 °С |
|
33,3 бар |
200 °С |
|
37,1 бар |
100 °С |
|
40 бар |
50 °С |
Спецификация материалов


| № | Наименование | Материал |
| 1 | Корпус | Углеродистая сталь GS-C25+13Cr |
| 2 | Плунжер | Нержавеющая сталь 20X13 |
| 3 | Шток | Нержавеющая сталь 20X13 |
| 4 | Уплотнение корпуса | Графит |
| 5 | Сильфон | Нержавеющая сталь 08X18H10 |
| 6 | Уплотнение штока | Графит |
| 7 | Крышка корпуса | Углеродистая сталь GS-C25+13Cr |
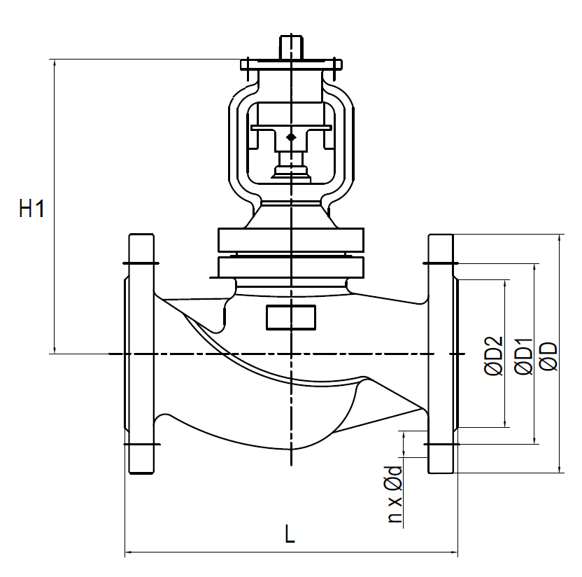
Массогабаритные характеристики
| DN | L, мм | H, мм | H1, мм | ØW, мм | ØD, мм | ØD1, мм | ØD2, мм | n х Ød, мм | ISO фланец | Kvs, м3/ч | Масса, кг |
| 15 | 130 | 200 | 180 | 140 | 95 | 65 | 45 | 4х14 | F10 | 4,1 | 4,5 |
| 20 | 150 | 200 | 180 | 140 | 105 | 75 | 58 | 4х14 | F10 | 7,3 | 5,0 |
| 25 | 160 | 215 | 195 | 160 | 115 | 85 | 68 | 4х14 | F10 | 11,4 | 5,8 |
| 32 | 180 | 215 | 195 | 180 | 140 | 100 | 78 | 4х18 | F10 | 18,7 | 7,5 |
| 40 | 200 | 230 | 210 | 180 | 150 | 110 | 88 | 4х18 | F10 | 29,3 | 10,0 |
| 50 | 230 | 230 | 210 | 200 | 165 | 125 | 102 | 4х18 | F10 | 47,1 | 11,5 |
| 65 | 290 | 280 | 260 | 200 | 185 | 145 | 122 | 8х18 | F10 | 70,2 | 18,5 |
| 80 | 310 | 280 | 260 | 250 | 200 | 160 | 138 | 8х18 | F10 | 104,9 | 23,0 |
| 100 | 350 | 370 | 370 | 280 | 235 | 190 | 162 | 8х22 | F14 | 186,7 | 38,5 |
| 125 | 400 | 400 | 400 | 300 | 270 | 220 | 188 | 8х26 | F14 | 279,4 | 53,0 |
| 150 | 480 | 500 | 500 | 350 | 300 | 250 | 218 | 8х26 | F14 | 400,2 | 81,0 |
| 200 | 600 | 630 | 630 | 400 | 375 | 320 | 285 | 12х30 | F16 | 690,6 | 144,0 |
| 250 | 730 | 680 | 680 | 450 | 450 | 385 | 345 | 12х33 | F16 | 1038,0 | 230,0 |
| 300 | 850 | 720 | 970 | 500 | 515 | 450 | 410 | 16х33 | F25 | 1496,6 | 450,0 |
| 350 | 980 | 1020 | 1020 | 600 | 580 | 510 | 465 | 16х36 | F25 | 1827,1 | 690,0 |
| 400 | 1100 | 1165 | 1165 | 650 | 660 | 585 | 535 | 16х39 | F25 | 2409,5 | 850,0 |
| 500 | по запросу | ||||||||||
|
По вопросам подбора электропривода и предоставления дополнительной технической информации – обращайтесь к нашим специалистам. |
Скачать
Скачать ТР ТС 010
Скачать ТР ТС 032
Скачать СЕРТЭНЕРГО
Скачать сертификат сейсмостойкости
Информация о доставке





