Шунт-диодные барьеры искрозащиты, или пассивные барьеры (иногда их называют «барьеры на зенеровских диодах») — это барьеры искробезопасности, состоящие из шунтирующих стабилитронов, последовательно включенных токоограничивающих резисторов и плавких предохранителей.
Данные барьеры являются самыми простыми устройствами. После короткого замыкания выхода или подачи на вход барьера высокого напряжения перегорает плавкий предохранитель, и барьер необходимо заменить.
Принцип действия пассивных барьеров искрозащиты

Рисунок 1 — Работа барьера в штатном режиме
При нормальной работе напряжение на стабилитроне VD не превышает напряжения стабилизации (искроопасного значения), стабилитрон находится в закрытом состоянии и практически не пропускает ток (рисунок 1). В данном случае ток идет через нагрузку (зеленые стрелки).
В случае возникновения аварийной ситуации (попадания на вход барьера искроопасного напряжения) стабилитрон открывается и ограничивает напряжение на выходе барьера при изменении тока, протекающего через него (рисунок 2). Если на вход барьера подается напряжение, вызывающее протекание тока свыше допустимого, то предохранитель FUперегорает и отключает защищаемые искробезопасные цепи от аварийной цепи. Для ограничения тока через стабилитрон в момент попадания высокого напряжения на вход барьера устанавливается токоограничительный резистор R2, сохраняющий целостность стабилитрона на время перегорания плавкого предохранителя. Балластный резистор R1 ограничивает ток короткого замыкания на выходе барьера.

Рисунок 2 — Работа барьера в аварийном режиме
Таким образом поддерживаются искробезопасные значения тока, напряжения и электрической мощности при которых не может произойти искрение во взрывоопасной зоне.
Барьеры в зависимости от типа содержат искробезопасные электрические цепи, выполненные с уровнем взрывозащиты «ib» — «взрывобезопасный» или «ia» — «особовзрывобезопасный». Барьеры с искробезопасной цепью уровней «ia», «ib» соответствуют требованиям ГОСТ 30852.0–2002, ГОСТ 30852.10–2002 для подгрупп IIB, IIC.
Барьеры предназначены для размещения вне взрывоопасной зоны. Для барьеров с уровнем взрывозащиты «ia — особовзрывобезопасный» должно быть выполнено обязательное требование подключения их к специальной (отдельной) низкоомной шине заземления с сопротивлением не более 1 Ом. Для барьеров с уровнем взрывозащиты «ib — взрывобезопасный» допускается подключение к глухозаземленной нейтрали с сопротивлением шины заземления не более 4 Ом.
Преимущества пассивных барьеров искробезопасности:
- простота конструкции;
- невысокая стоимость;
- отсутствие необходимости в источнике питания;
- передача сигналов без искажений.
Модельный ряд шунт-диодных барьеров искрозащиты
| Пассивные (шунт-диодные) барьеры ЭнИ-БИС-100-Ex |
||||||
| ЭнИ-БИС-106-Ex 2 канала термосопротивления, 4-х проводная схема, диодное ограничение полярности U0=12,8 В [Ex ia Ga] IIC/IIB |
![]() |
Подключение термо- сопротивлений |
![]() |
Передача напряжения питания, сигналов интерфейсов RS-232 или RS-485 | ![]() |
ЭнИ-БИС-113-Ex 1 канал – питание до 50 мА 2 канал – интерфейс RS-485 [Ex ib Gb] IIB |
| ЭнИ-БИС-107-Ex 2 канала термосопротивления, 4-х проводная схема, тензодатчики U0=12,8 В [Ex ia Ga] IIC/IIB |
![]() |
![]() |
![]() |
ЭнИ-БИС-115-Ex 2 канала интерфейс RS-485 [Ex ib Gb] IIB |
||
| ЭнИ-БИС-108-Ex 2 канала термосопротивления, 4-х проводная схема U0=25,2 В [Ex ia Ga] IIC/IIB |
![]() |
![]() |
![]() |
ЭнИ-БИС-116-Ex 1 канал интерфейс RS-232 [Ex ib Gb] IIC/IIB |
||
| ЭнИ-БИС-109-Ex 1 канал термосопротивления, 3-х проводная схема U0=9,3 В [Ex ia Ga] IIC/IIB |
![]() |
![]() |
Передача токовых сигналов 4-20, 0-20, 0-5 мА | ![]() |
ЭнИ-БИС-108-Ex 2 канала U0=25,2 В [Ex ia Ga] IIC/IIB |
|
| ЭнИ-БИС-101-Ex 1 канал U0=8,0 В [Ex ia Ga] IIC/IIB |
![]() |
Дискретные сигналы | ![]() |
![]() |
ЭнИ-БИС-110-Ex 2 канала U0=25,2 В [Ex ib Gb] IIC/IIB |
|
| ЭнИ-БИС-102-Ex 1 канал U0=12,8 В [Ex ia Ga] IIC/IIB |
![]() |
![]() |
![]() |
ЭнИ-БИС-112-Ex 5 каналов U0=29,0 В [Ex ia Ga] IIB |
||
| ЭнИ-БИС-103-Ex 2 канала U0=6,5 В [Ex ib Gb] IIC/IIB |
![]() |
![]() |
![]() |
ЭнИ-БИС-114-Ex 5 каналов U0=29,0 В [Ex ib Gb] IIB |
||
| ЭнИ-БИС-104-Ex 2 канала U0=12,6 В [Ex ib Gb] IIC/IIB |
![]() |
![]() |
![]() |
ЭнИ-БИС-117-Ex 2 канала U0=27,0 В [Ex ia Ga] IIC/IIB |
||
| ЭнИ-БИС-105-Ex 2 канала U0=12,6 В [Ex ia Ga] IIC/IIB |
![]() |
Подключение потенцио- метров |
![]() |
Передача напряжения питания для датчиков, расходомеров и т.д. | ![]() |
ЭнИ-БИС-111-Ex 1 канал питание до 50 мА U0=25,2 В [Ex ib Gb] IIB |
![]() |
ЭнИ-БИС-113-Ex 1 – канал питание до 50 мА 2 – канал интерфейс RS-485 U0=25,5 В [Ex ib Gb] IIB |
|||||
![]() |
ЭнИ-БИС-118-Ex 1 канал питание до 50 мА U0=25,5 В [Ex ib Gb] IIB |
|||||
Предельные параметры внешних искробезопасных электрических цепей барьеров
| Наименование | Количество каналов | Маркировка | Uвх.max, В | Iпр, мА | Rмax, Oм | Rвв мах, Ом | Rнв мах, Ом | Um, В | Uо, В | Iо, мА | Pо, Вт | Со, мкФ | Lо, мГн | ||
| IIС | IIB | IIC | IIB | ||||||||||||
| ЭнИ-БИС-101-Ex | 1 | [Ех ia Ga] IIC/IIВ | 5,0 | 40 | 260 | 130 | 130 | 250 | 8,0 | 60 | 0,12 | 4,0 | 40,0 | 7,0 | 25,0 |
| ЭнИ-БИС-102-Ex | 1 | [Ех ia Ga] IIC/IIВ | 9,3 | 40 | 320 | 160 | 160 | 12,8 | 65 | 0,21 | 0,5 | 3,4 | 7,0 | 25,0 | |
| ЭнИ-БИС-103-Ex | 2(=) | [Ех ib Gb] IIC/IIВ | 4,5 | 40 | 130 | 130 | 0 | 6,5 | 100 | 0,17 | 4,0 | 50,0 | 1,5 | 10,0 | |
| ЭнИ-БИС-104-Ex | 2(=) | [Ех ib Gb] IIC/IIВ | 9,8 | 40 | 190 | 190 | 0 | 12,6 | 100 | 0,32 | 0,6 | 3,7 | 1,5 | 10,0 | |
| ЭнИ-БИС-105-Ex | 2(≠) | [Ех ia Ga] IIC/IIВ | 9,8 | 40 | 190 | 190 | 0 | 12,6 | 100 | 0,32 | 0,6 | 3,7 | 1,5 | 10,0 | |
| ЭнИ-БИС-106-Ex | 2(≠) | [Ех ia Ga] IIC/IIВ | 9,3 | 40 | 260 | 130 | 130 | 12,8 | 100 | 0,32 | 0,5 | 3,4 | 1,5 | 10,0 | |
| ЭнИ-БИС-107-Ex | 2(=) | [Ех ia Ga] IIC/IIВ | 9,3 | 40 | 260 | 130 | 130 | 12,8 | 100 | 0,32 | 0,5 | 3,4 | 1,5 | 10,0 | |
| ЭнИ-БИС-108-Ex | 2(=) | [Ех ia Ga] IIC/IIВ | 24,0 | 40 | 380 | 190 | 190 | 25,2 | 100 | 0,63 | 0,05 | 0,4 | 0,5 | 5,0 | |
| ЭнИ-БИС-109-Ex | 1 | [Ех ia Ga] IIC/IIВ | 7,5 | 40 | 94,5 | 47,25 | 47,25 | 9,3 | 220 | 0,52 | 1,0 | 10,0 | 0,5 | 2,0 | |
| ЭнИ-БИС-110-Ex | 2(=) | [Ех ib Gb] IIC/IIВ | 24,0 | 40 | 280 | 280 | 0 | 25,2 | 100 | 0,63 | 0,05 | 0,4 | 0,5 | 5,0 | |
| ЭнИ-БИС-111-Ex | 1 | [Ех ib Gb] IIВ | 23,8 | 100 | 86 | 86 | 0 | 25,2 | 380 | 2,40 | – | 0,4 | – | 0,98 | |
| ЭнИ-БИС-112-Ex | 5(=) | [Ех ia Ga] IIВ | 25,4 | 40 | 312 | 156 | 156 | 29,0 | 260 | 1,89 | – | 0,3 | – | 1,05 | |
| ЭнИ-БИС-113-Ex | 2(≠) | [Ех ib Gb] IIВ | 24,0
5,7 |
100
40 |
88
31 |
88
31 |
0
0 |
25,5
8,0 |
374
800 |
2,39
1,60 |
– | 0,4
50 |
– | 0,5
0,01 |
|
| ЭнИ-БИС-114-Ex | 5(=) | [Ех ib Gb] IIВ | 25,4 | 40 | 156 | 156 | 0 | 29,0 | 260 | 1,89 | – | 0,3 | – | 1,05 | |
| ЭнИ-БИС-115-Ex | 2(=) | [Ех ib Gb] IIВ | 5,7 | 40 | 31 | 31 | 0 | 8,0 | 800 | 1,6 | – | 5,0 | – | 0,01 | |
| ЭнИ-БИС-116-Ex | 1(=) | [Ех ib Gb] IIC/IIВ | 10,2 | 40 | 110 | 55 | 55 | 12,5 | 750 | 2,35 | 0,34 | 0,51 | 0,05 | 0,014 | |
| ЭнИ-БИС-117-Ex | 2(=) | [Ех ia Ga] IIC/IIВ | 24,3 | 40 | 390 | 195 | 195 | 27,0 | 91 | 0,61 | 0,05 | 0,11 | 0,5 | 1,0 | |
| ЭнИ-БИС-118-Ex | 1 | [Ех ib Gb] IIВ | 24,0 | 100 | 88 | 88 | 0 | 25,5 | 374 | 2,39 | – | 0,4 | – | 1,0 | |
| Примечания:
— (=) — однотипные каналы; — (≠) — разнотипные каналы; — Uвх.max — максимальное входное напряжение на искроопасной цепи, при котором ток утечки через стабилитроны не превышает 10 мкА (при температуре 25 °С); — Iпр — номинальный ток предохранителя; — Rмах = Rвв мах + Rнв мах — полное проходное сопротивление барьера; — Rвв мах — проходное сопротивление верхней ветви барьера; — Rнв мах — проходное сопротивление нижней ветви барьера; — Например, для барьера ЭнИ-БИС-101-Ех величина проходного сопротивления Rвв мах определяется между клеммами 1 и 8 барьера, а величина проходного сопротивления Rнв мах измеряется между клеммами 2 и 7; — разность проходных сопротивлений ветвей барьера ЭнИ-БИС-109-Ех не более 0,2 Ом; — для ЭнИ-БИС-113-Ех первая строка содержит данные по каналу для питания датчика (до 50 мА), вторая строка — по каналу для интерфейса RS-485; — Um — максимальное напряжение, которое может быть приложено к соединительным устройствам искроопасных цепей связанного электрооборудования без нарушения искробезопасности; — Pо — максимальная выходная мощность; — Uо — максимальное выходное напряжение; — Iо — максимальный выходной ток; — Со — максимальная емкость искробезопасной цепи; — Lо — максимальная индуктивность искробезопасной цепи. |
|||||||||||||||
ЭнИ-БИС-101-Ex является одноканальным барьером искрозащиты. Проводит сигналы постоянного и переменного тока. Отличается от барьера ЭнИ-БИС-102-Ех схемой включения стабилитронов и напряжением Uо.
Вариант применения: подключение датчиков с выходом типа «сухой контакт».
Характеристики взрывозащиты
| Наименование | Маркировка | Uвх.max, В | Iпр, мА | Rмax, Oм | Rвв мах, Ом | Rнв мах, Ом | Um, В | Uо, В | Iо, мА | Pо, Вт | Со, мкФ | Lо, мГн | ||
| IIС | IIB | IIC | IIB | |||||||||||
| ЭнИ-БИС-101-Ex | [Ех ia Ga] IIC/IIВ | 5,0 | 40 | 260 | 130 | 130 | 250 | 8,0 | 60 | 0,12 | 4,0 | 40,0 | 7,0 | 25,0 |
Электрические подключения
- E1 — источник напряжения;
- R1 — сопротивление нагрузки;
- V1 — вольтметр;
- Датчик — датчик с выходом типа «сухой контакт».
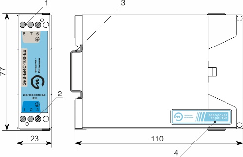
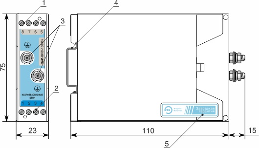
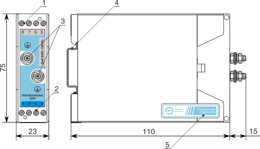
Габариты и индикация

1 — клеммники для подключения искроопасных цепей;
2 — клеммники для подключения искробезопасных цепей;
3 — DIN-рейка;
4 — гарантийная этикетка.
Технические характеристики, условия эксплуатации
| Параметр | Значение |
|---|---|
| Температура окружающего воздуха, °С | −10…+50 |
| По устойчивости к климатическим воздействиям при эксплуатации соответствует группе исполнения, по ГОСТ Р 52931–2008 | С3 |
| По устойчивости к механическим воздействиям при эксплуатации соответствует группе, по ГОСТ Р 52931–2008 | L3 |
| Степень защиты от пыли и влаги, по ГОСТ 14254–96 | IP30 |
| Конструктивное исполнение | пластмассовый корпус с установкой на рейку DIN или на стену |
| Масса, кг | не более 1,0 |
Комплект поставки
| Наименование | Обозначение | Количество | Примечание |
|---|---|---|---|
| Барьер ЭнИ-БИС-101-Ех | ЭИ.85.00.000 | 1 | |
| Паспорт | ЭИ.85.00.000ПС | 1 | |
| Руководство по эксплуатации | ЭИ.85.00.000РЭ | по 1 экземпляру на 30 барьеров, поставляемых в один адрес | |
| DIN-рейка | NS35/7,5 | по заказу | |
Обозначение при заказе
| ЭнИ-БИС-101-Ех | 360 |
|---|---|
| 1 | 2 |
1. Наименование.
2. Дополнительная технологическая наработка до 360 часов (по заказу).
ЭнИ-БИС-102-Ex является одноканальным барьером искрозащиты. Проводит сигналы постоянного тока и напряжения положительной полярности. Отличается от барьера ЭнИ-БИС-101-Ех схемой включения стабилитронов и напряжением Uо.
Вариант применения: подключение датчиков с выходом типа «сухой контакт».
Характеристики взрывозащиты
| Наименование | Маркировка | Uвх.max, В | Iпр, мА | Rмax, Oм | Rвв мах, Ом | Rнв мах, Ом | Um, В | Uо, В | Iо, мА | Pо, Вт | Со, мкФ | Lо, мГн | ||
| IIС | IIB | IIC | IIB | |||||||||||
| ЭнИ-БИС-102-Ex | [Ех ia Ga] IIC/IIВ | 9,3 | 40 | 320 | 160 | 160 | 250 | 12,8 | 65 | 0,21 | 0,5 | 3,4 | 7,0 | 25,0 |
Электрические подключения
- E1 — источник напряжения;
R1 — сопротивление нагрузки; - V1 — вольтметр;
- Датчик — датчик с выходом типа «сухой контакт».
Габариты и индикация

1 — клеммники для подключения искроопасных цепей;
2 — клеммники для подключения искробезопасных цепей;
3 — DIN-рейка;
4 — гарантийная этикетка.
Технические характеристики, условия эксплуатации
| Параметр | Значение |
|---|---|
| Температура окружающего воздуха, °С | −10…+50 |
| По устойчивости к климатическим воздействиям при эксплуатации соответствует группе исполнения, по ГОСТ Р 52931–2008 | С3 |
| По устойчивости к механическим воздействиям при эксплуатации соответствует группе, по ГОСТ Р 52931–2008 | L3 |
| Степень защиты от пыли и влаги, по ГОСТ 14254–96 | IP30 |
| Конструктивное исполнение | пластмассовый корпус с установкой на рейку DIN или на стену |
| Масса, кг | не более 1,0 |
Комплект поставки
| Наименование | Обозначение | Количество | Примечание |
|---|---|---|---|
| Барьер ЭнИ-БИС-102-Ех | ЭИ.85.00.000 | 1 | |
| Паспорт | ЭИ.85.00.000ПС | 1 | |
| Руководство по эксплуатации | ЭИ.85.00.000РЭ | по 1 экземпляру на 30 барьеров, поставляемых в один адрес | |
| DIN-рейка | NS35/7,5 | по заказу | |
Обозначение при заказе
| ЭнИ-БИС-102-Ех | 360 |
|---|---|
| 1 | 2 |
1. Наименование.
2. Дополнительная технологическая наработка до 360 часов (по заказу).
ЭнИ-БИС-103-Ex и ЭнИ-БИС-104-Ex являются двухканальными барьерами искрозащиты, включающие в себя два однотипных канала. Проводят сигналы постоянного тока и напряжения положительной полярности с заземленным минусом (цепь ib).
Вариант применения: подключение датчиков с выходом типа «сухой контакт».
Характеристики взрывозащиты
| Наименование | Маркировка | Uвх.max, В | Iпр, мА | Rмax, Oм | Rвв мах, Ом | Rнв мах, Ом | Um, В | Uо, В | Iо, мА | Pо, Вт | Со, мкФ | Lо, мГн | ||
| IIС | IIB | IIC | IIB | |||||||||||
| ЭнИ-БИС-103-Ex | [Ех ib Gb] IIC/IIВ | 4,5 | 40 | 130 | 130 | — | 250 | 6,5 | 100 | 0,17 | 4,0 | 50,0 | 1,5 | 10,0 |
| ЭнИ-БИС-104-Ex | [Ех ib Gb] IIC/IIВ | 9,8 | 40 | 190 | 190 | — | 250 | 12,6 | 100 | 0,32 | 0,6 | 3,7 | 1,5 | 10,0 |
Электрические подключения
- E1, E2 — источники напряжения;R1, R2 — сопротивления нагрузки;
V1, V2 — вольтметры;
Датчик 1, 2 — датчики с выходом типа «сухой контакт».
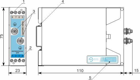
Габариты и индикация

1 — клеммники для подключения искроопасных цепей;
2 — клеммники для подключения искробезопасных цепей;
3 — винты М4 для подключения заземления;
4 — DIN-рейка;
5 — гарантийная этикетка.
Технические характеристики, условия эксплуатации
| Параметр | Значение |
|---|---|
| Температура окружающего воздуха, °С | −10…+50 |
| По устойчивости к климатическим воздействиям при эксплуатации соответствует группе исполнения, по ГОСТ Р 52931–2008 | С3 |
| По устойчивости к механическим воздействиям при эксплуатации соответствует группе, по ГОСТ Р 52931–2008 | L3 |
| Степень защиты от пыли и влаги, по ГОСТ 14254–96 | IP30 |
| Конструктивное исполнение | пластмассовый корпус с установкой на рейку DIN или на стену |
| Масса, кг | не более 1,0 |
Комплект поставки
| Наименование | Обозначение | Количество | Примечание |
|---|---|---|---|
| Барьер ЭнИ-БИС-103-Ех или ЭнИ-БИС-104-Ех | ЭИ.85.00.000 | 1 | |
| Паспорт | ЭИ.85.00.000ПС | 1 | |
| Руководство по эксплуатации | ЭИ.85.00.000РЭ | по 1 экземпляру на 30 барьеров, поставляемых в один адрес | |
| DIN-рейка | NS35/7,5 | по заказу | |
Обозначение при заказе
| ЭнИ-БИС-103-Ех или ЭнИ-БИС-104-Ех | 360 |
|---|---|
| 1 | 2 |
1. Наименование.
2. Дополнительная технологическая наработка до 360 часов (по заказу).
Техническое описание ЭнИ-БИС-103-Ex (pdf)
Техническое описание ЭнИ-БИС-104-Ex (pdf)
ЭнИ-БИС-105-Ex является двухканальным барьером искрозащиты. Содержит два функционально разнотипных по своему действию канала. В первый канал введено диодное ограничение: проводит сигналы постоянного тока и напряжения положительной полярности во взрывоопасную зону. Второй канал проводит сигналы постоянного тока и напряжения положительной полярности. Барьер имеет общий заземленный минус между каналами (цепь ib).
Вариант применения: подключение реостатных или потенциометрических датчиков.
Характеристики взрывозащиты
| Наименование | Маркировка | Uвх.max, В | Iпр, мА | Rмax, Oм | Rвв мах, Ом | Rнв мах, Ом | Um, В | Uо, В | Iо, мА | Pо, Вт | Со, мкФ | Lо, мГн | ||
| IIС | IIB | IIC | IIB | |||||||||||
| ЭнИ-БИС-105-Ex | [Ех ia Ga] IIC/IIВ | 9,8 | 40 | 190 | 190 | — | 250 | 12,6 | 100 | 0,32 | 0,6 | 3,7 | 1,5 | 10,0 |
Электрические подключения
- I1 — генератор тока;
- V1 — вольтметр;
- Rп — реостатный или потенциометрический датчик.
Габариты и индикация

1 — клеммники для подключения искроопасных цепей;
2 — клеммники для подключения искробезопасных цепей;
3 — DIN-рейка;
4 — гарантийная этикетка.
Технические характеристики, условия эксплуатации
| Параметр | Значение |
|---|---|
| Температура окружающего воздуха, °С | −10…+50 |
| По устойчивости к климатическим воздействиям при эксплуатации соответствует группе исполнения, по ГОСТ Р 52931–2008 | С3 |
| По устойчивости к механическим воздействиям при эксплуатации соответствует группе, по ГОСТ Р 52931–2008 | L3 |
| Степень защиты от пыли и влаги, по ГОСТ 14254–96 | IP30 |
| Конструктивное исполнение | пластмассовый корпус с установкой на рейку DIN или на стену |
| Масса, кг | не более 1,0 |
Комплект поставки
| Наименование | Обозначение | Количество | Примечание |
|---|---|---|---|
| Барьер ЭнИ-БИС-105-Ех | ЭИ.85.00.000 | 1 | |
| Паспорт | ЭИ.85.00.000ПС | 1 | |
| Руководство по эксплуатации | ЭИ.85.00.000РЭ | по 1 экземпляру на 30 барьеров, поставляемых в один адрес | |
| DIN-рейка | NS35/7,5 | по заказу | |
Обозначение при заказе
| ЭнИ-БИС-105-Ех | 360 |
|---|---|
| 1 | 2 |
1. Наименование.
2. Дополнительная технологическая наработка до 360 часов (по заказу).
ЭнИ-БИС-106-Ex является двухканальным барьером искрозащиты. Содержит два функционально разнотипных по своему действию канала. В первый канал введено диодное ограничение знака входного тока или напряжения, второй канал является проводящим сигналы тока или напряжения в обе стороны. Проводит сигналы постоянного тока и напряжения положительной полярности.
Вариант применения: подключение термопреобразователей сопротивления по четырехпроводной схеме. При этом через первый канал осуществляется питание термометра сопротивления от источника постоянного тока, а второй канал используется в качестве информативного для выходного сигнала от термодатчика.
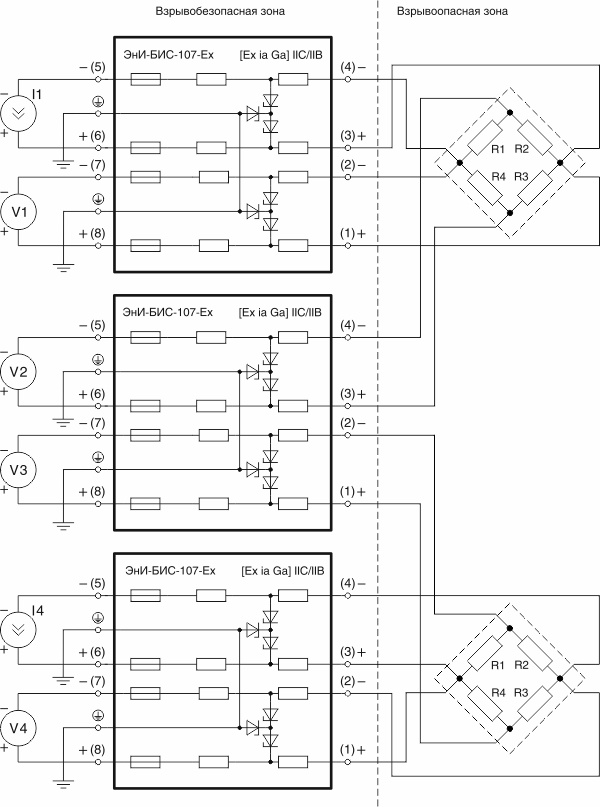
ЭнИ-БИС-107-Ex является двухканальным барьером искрозащиты, включающий в себя два однотипных канала. Проводит сигналы постоянного тока и напряжения положительной полярности. Барьер искробезопасности предназначен для работы с устройствами, формирующими однополярные сигналы.
Вариант применения: подключение термопреобразователей сопротивления по четырехпроводной схеме или передача сигналов от тензодатчиков с низким напряжением питания.
Характеристики взрывозащиты
| Наименование | Маркировка | Uвх.max, В | Iпр, мА | Rмax, Oм | Rвв мах, Ом | Rнв мах, Ом | Um, В | Uо, В | Iо, мА | Pо, Вт | Со, мкФ | Lо, мГн | ||
| IIС | IIB | IIC | IIB | |||||||||||
| ЭнИ-БИС-106-Ex ЭнИ-БИС-107-Ex |
[Ех iа Gа] IIC/IIВ | 9,3 | 40 | 260 | 130 | 130 | 250 | 12,8 | 100 | 0,32 | 0,5 | 3,4 | 1,5 | 10,0 |
Электрические подключения

- V1 — вольтметр;
- I1 — генератор тока;
- Тс — термометр сопротивления (четырехпроводная схема подключения).

- V1 — вольтметр;
- I1 — генератор тока;
- Тс — термометр сопротивления (четырехпроводная схема подключения).

- V1 — вольтметр (сигнал);
- I1 — генератор тока (питание);
- R1, R2, R3, R4 — тензодатчик.
- V1, V4 — вольтметры (контроль);
- I1, I4 — генераторы тока (питание);
- R1, R2, R3, R4 — тензодатчики;
- V2, V3 — вольтметры (сигнал).
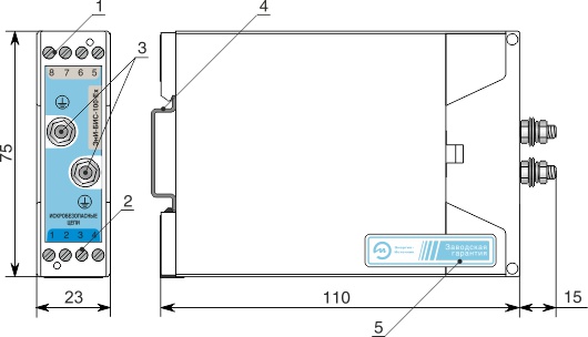
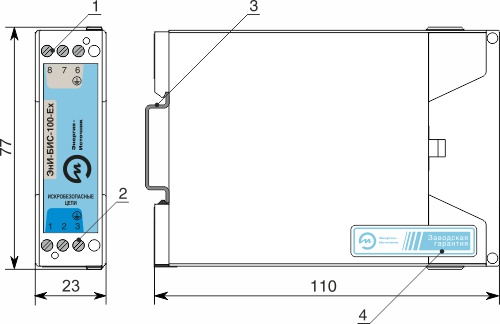
Габариты и индикация

1 — клеммники для подключения искроопасных цепей;
2 — клеммники для подключения искробезопасных цепей;
3 — винты М4 для подключения заземления;
4 — DIN-рейка;
5 — гарантийная этикетка.
Технические характеристики, условия эксплуатации
| Параметр | Значение |
|---|---|
| Температура окружающего воздуха, °С | −10…+50 |
| По устойчивости к климатическим воздействиям при эксплуатации соответствует группе исполнения, по ГОСТ Р 52931–2008 | С3 |
| По устойчивости к механическим воздействиям при эксплуатации соответствует группе, по ГОСТ Р 52931–2008 | L3 |
| Степень защиты от пыли и влаги, по ГОСТ 14254–96 | IP30 |
| Конструктивное исполнение | пластмассовый корпус с установкой на рейку DIN или на стену |
| Масса, кг | не более 1,0 |
Комплект поставки
| Наименование | Обозначение | Количество | Примечание |
|---|---|---|---|
| Барьер ЭнИ-БИС-106-Ех или ЭнИ-БИС-107-Ех | ЭИ.85.00.000 | 1 | |
| Паспорт | ЭИ.85.00.000ПС | 1 | |
| Руководство по эксплуатации | ЭИ.85.00.000РЭ | по 1 экземпляру на 30 барьеров, поставляемых в один адрес | |
| DIN-рейка | NS35/7,5 | по заказу | |
Обозначение при заказе
| ЭнИ-БИС-106-Ех или ЭнИ-БИС-107-Ех | 360 |
|---|---|
| 1 | 2 |
1. Наименование.
2. Дополнительная технологическая наработка до 360 часов (по заказу).
Техническое описание ЭнИ-БИС-106-Ex (pdf)
Техническое описание ЭнИ-БИС-107-Ex (pdf)
ЭнИ-БИС-108-Ex является двухканальным барьером искрозащиты, включающий в себя два однотипных канала. Проводит сигналы постоянного и переменного тока. Барьер искробезопасности предназначен для работы с устройствами, формирующими двухполярные сигналы. Отличается от барьера ЭнИ-БИС-112-Ех схемой включения стабилитронов, напряжением Uо и подгруппой электрооборудования.
Вариант применения: подключение термопреобразователей сопротивления по четырехпроводной схеме или передача унифицированных токовых сигналов.
Характеристики взрывозащиты
| Наименование | Маркировка | Uвх.max, В | Iпр, мА | Rмax, Oм | Rвв мах, Ом | Rнв мах, Ом | Um, В | Uо, В | Iо, мА | Pо, Вт | Со, мкФ | Lо, мГн | ||
| IIС | IIB | IIC | IIB | |||||||||||
| ЭнИ-БИС-108-Ex | [Ех iа Gа] IIC/IIВ | 24,0 | 40 | 380 | 190 | 190 | 250 | 25,2 | 100 | 0,63 | 0,05 | 0,4 | 0,5 | 5,0 |
Электрические подключения

- V1 — вольтметр;
- I1 — генератор тока;
- Тс — термометр сопротивления (четырехпроводная схема подключения).

- E1 — источник напряжения;
- R1, R2 — сопротивления нагрузки;
- V1, V2 — вольтметры;
- Датчик 1 — пассивный датчик с выходным токовым сигналом 4…20 мА и питанием по двухпроводной линии;
Датчик 2 — активный датчик с выходными токовыми сигналами 0…5, 0…20 и 4…20 мА и внешним питанием.
Габариты и индикация

1 — клеммники для подключения искроопасных цепей;
2 — клеммники для подключения искробезопасных цепей;
3 — винты М4 для подключения заземления;
4 — DIN-рейка;
5 — гарантийная этикетка.
Технические характеристики, условия эксплуатации
| Параметр | Значение |
|---|---|
| Температура окружающего воздуха, °С | −10…+50 |
| По устойчивости к климатическим воздействиям при эксплуатации соответствует группе исполнения, по ГОСТ Р 52931–2008 | С3 |
| По устойчивости к механическим воздействиям при эксплуатации соответствует группе, по ГОСТ Р 52931–2008 | L3 |
| Степень защиты от пыли и влаги, по ГОСТ 14254–96 | IP30 |
| Конструктивное исполнение | пластмассовый корпус с установкой на рейку DIN или на стену |
| Масса, кг | не более 1,0 |
Комплект поставки
| Наименование | Обозначение | Количество | Примечание |
|---|---|---|---|
| Барьер ЭнИ-БИС-108-Ех | ЭИ.85.00.000 | 1 | |
| Паспорт | ЭИ.85.00.000ПС | 1 | |
| Руководство по эксплуатации | ЭИ.85.00.000РЭ | по 1 экземпляру на 30 барьеров, поставляемых в один адрес | |
| DIN-рейка | NS35/7,5 | по заказу | |
Обозначение при заказе
| ЭнИ-БИС-108-Ех | 360 |
|---|---|
| 1 | 2 |
1. Наименование.
2. Дополнительная технологическая наработка до 360 часов (по заказу).
ЭнИ-БИС-109-Ex является одноканальным барьером искрозащиты. Проводит сигналы постоянного тока и напряжения по трехпроводной линии. Предназначен для подключения термопреобразователей сопротивления по трехпроводной схеме.
Разность проходных сопротивлений ветвей барьера не более 0,2 Ом.
Характеристики взрывозащиты
| Наименование | Маркировка | Uвх.max, В | Iпр, мА | Rмax, Oм | Rвв мах, Ом | Rнв мах, Ом | Um, В | Uо, В | Iо, мА | Pо, Вт | Со, мкФ | Lо, мГн | ||
| IIС | IIB | IIC | IIB | |||||||||||
| ЭнИ-БИС-109-Ex | [Ех iа Gа] IIC/IIВ | 7,5 | 40 | 94,5 | 47,25 | 47,25 | 250 | 9,3 | 220 | 0,52 | 1,0 | 10,0 | 0,5 | 2,0 |
Электрические подключения
- I1 — генератор тока;
- V1 — вольтметр;
- Тс — термометр сопротивления (трехпроводная схема подключения).
Габариты и индикация

1 — клеммники для подключения искроопасных цепей;
2 — клеммники для подключения искробезопасных цепей;
3 — DIN-рейка;
4 — гарантийная этикетка.
Технические характеристики, условия эксплуатации
| Параметр | Значение |
|---|---|
| Температура окружающего воздуха, °С | −10…+50 |
| По устойчивости к климатическим воздействиям при эксплуатации соответствует группе исполнения, по ГОСТ Р 52931–2008 | С3 |
| По устойчивости к механическим воздействиям при эксплуатации соответствует группе, по ГОСТ Р 52931–2008 | L3 |
| Степень защиты от пыли и влаги, по ГОСТ 14254–96 | IP30 |
| Конструктивное исполнение | пластмассовый корпус с установкой на рейку DIN или на стену |
| Масса, кг | не более 1,0 |
Комплект поставки
| Наименование | Обозначение | Количество | Примечание |
|---|---|---|---|
| Барьер ЭнИ-БИС-109-Ех | ЭИ.85.00.000 | 1 | |
| Паспорт | ЭИ.85.00.000ПС | 1 | |
| Руководство по эксплуатации | ЭИ.85.00.000РЭ | по 1 экземпляру на 30 барьеров, поставляемых в один адрес | |
| DIN-рейка | NS35/7,5 | по заказу | |
Обозначение при заказе
| ЭнИ-БИС-109-Ех | 360 |
|---|---|
| 1 | 2 |
1. Наименование.
2. Дополнительная технологическая наработка до 360 часов (по заказу).
ЭнИ-БИС-110-Ex является двухканальным барьером искрозащиты, включающий в себя два однотипных канала. Проводит сигналы постоянного тока и напряжения положительной полярности с заземленным минусом (цепь ib). Отличается от барьера ЭнИ-БИС-114-Ех напряжением Uо и подгруппой электрооборудования.
Вариант применения: передача унифицированных токовых сигналов.
Характеристики взрывозащиты
| Наименование | Маркировка | Uвх.max, В | Iпр, мА | Rмax, Oм | Rвв мах, Ом | Rнв мах, Ом | Um, В | Uо, В | Iо, мА | Pо, Вт | Со, мкФ | Lо, мГн | ||
| IIС | IIB | IIC | IIB | |||||||||||
| ЭнИ-БИС-110-Ex | [Ех ib Gb] IIC/IIВ | 24,0 | 40 | 280 | 280 | — | 250 | 25,2 | 100 | 0,63 | 0,05 | 0,4 | 0,5 | 5,0 |
Электрические подключения

- E1 — источник напряжения;
- R1, R2 — сопротивления нагрузки;
- V1, V2 — вольтметры;
- Датчик 1 — пассивный датчик с выходным токовым сигналом 4…20 мА и питанием по двухпроводной линии;
- Датчик 2 — активный датчик с выходными токовыми сигналами 0…5, 0…20 и 4…20 мА и внешним питанием.
Габариты и индикация

1 — клеммники для подключения искроопасных цепей;
2 — клеммники для подключения искробезопасных цепей;
3 — винты М4 для подключения заземления;
4 — DIN-рейка;
5 — гарантийная этикетка.
Технические характеристики, условия эксплуатации
| Параметр | Значение |
|---|---|
| Температура окружающего воздуха, °С | −10…+50 |
| По устойчивости к климатическим воздействиям при эксплуатации соответствует группе исполнения, по ГОСТ Р 52931–2008 | С3 |
| По устойчивости к механическим воздействиям при эксплуатации соответствует группе, по ГОСТ Р 52931–2008 | L3 |
| Степень защиты от пыли и влаги, по ГОСТ 14254–96 | IP30 |
| Конструктивное исполнение | пластмассовый корпус с установкой на рейку DIN или на стену |
| Масса, кг | не более 1,0 |
Комплект поставки
| Наименование | Обозначение | Количество | Примечание |
|---|---|---|---|
| Барьер ЭнИ-БИС-110-Ех | ЭИ.85.00.000 | 1 | |
| Паспорт | ЭИ.85.00.000ПС | 1 | |
| Руководство по эксплуатации | ЭИ.85.00.000РЭ | по 1 экземпляру на 30 барьеров, поставляемых в один адрес | |
| DIN-рейка | NS35/7,5 | по заказу | |
Обозначение при заказе
| ЭнИ-БИС-110-Ех | 360 |
| 1 | 2 |
1. Наименование.
2. Дополнительная технологическая наработка до 360 часов (по заказу).
ЭнИ-БИС-111-Ex является одноканальным барьером искрозащиты. Проводит сигналы постоянного тока и напряжения положительной полярности с заземленным минусом (цепь ib).
Вариант применения: подключение устройств с максимальным током потребления до 50 мА, например, организация питания датчиков, расходомеров и других устройств, находящихся во взрывоопасной зоне.
Характеристики взрывозащиты
| Наименование | Маркировка | Uвх.max, В | Iпр, мА | Rмax, Oм | Rвв мах, Ом | Rнв мах, Ом | Um, В | Uо, В | Iо, мА | Pо, Вт | Со, мкФ | Lо, мГн | ||
| IIС | IIB | IIC | IIB | |||||||||||
| ЭнИ-БИС-111-Ex | [Ех ib Gb] IIВ | 23,8 | 100 | 86 | 86 | — | 250 | 25,2 | 380 | 2,40 | — | 0,4 | — | 0,98 |
Электрические подключения

E1 — источник напряжения;
Датчик — датчик с максимальным током потребления 50 мА.
Габариты и индикация

1 — клеммники для подключения искроопасных цепей;
2 — клеммники для подключения искробезопасных цепей;
3 — DIN-рейка;
4 — гарантийная этикетка.
Технические характеристики, условия эксплуатации
| Параметр | Значение |
|---|---|
| Температура окружающего воздуха, °С | −10…+50 |
| По устойчивости к климатическим воздействиям при эксплуатации соответствует группе исполнения, по ГОСТ Р 52931–2008 | С3 |
| По устойчивости к механическим воздействиям при эксплуатации соответствует группе, по ГОСТ Р 52931–2008 | L3 |
| Степень защиты от пыли и влаги, по ГОСТ 14254–96 | IP30 |
| Конструктивное исполнение | пластмассовый корпус с установкой на рейку DIN или на стену |
| Масса, кг | не более 1,0 |
Комплект поставки
| Наименование | Обозначение | Количество | Примечание |
|---|---|---|---|
| Барьер ЭнИ-БИС-111-Ех | ЭИ.85.00.000 | 1 | |
| Паспорт | ЭИ.85.00.000ПС | 1 | |
| Руководство по эксплуатации | ЭИ.85.00.000РЭ | по 1 экземпляру на 30 барьеров, поставляемых в один адрес | |
| DIN-рейка | NS35/7,5 | по заказу | |
Обозначение при заказе
| ЭнИ-БИС-111-Ех | 360 |
|---|---|
| 1 | 2 |
1. Наименование.
2. Дополнительная технологическая наработка до 360 часов (по заказу).
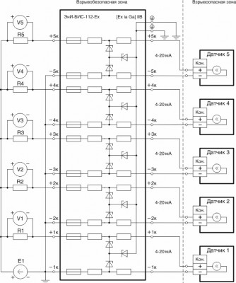
ЭнИ-БИС-112-Ex является пятиканальным барьером искрозащиты, включающий в себя пять однотипных каналов. Проводит сигналы постоянного тока и напряжения положительной полярности. Барьер искробезопасности предназначен для работы с устройствами, формирующими однополярные сигналы. Отличается от барьера ЭнИ-БИС-108-Ех схемой включения стабилитронов, напряжением Uо и подгруппой электрооборудования.
Вариант применения: передача унифицированных токовых сигналов.
Характеристики взрывозащиты
| Наименование | Маркировка | Uвх.max, В | Iпр, мА | Rмax, Oм | Rвв мах, Ом | Rнв мах, Ом | Um, В | Uо, В | Iо, мА | Pо, Вт | Со, мкФ | Lо, мГн | ||
| IIС | IIB | IIC | IIB | |||||||||||
| ЭнИ-БИС-112-Ex | [Ех ia Ga] IIВ | 25,4 | 40 | 312 | 156 | 156 | 250 | 29,0 | 260 | 1,89 | — | 0,3 | — | 1,05 |
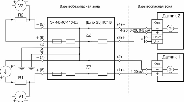
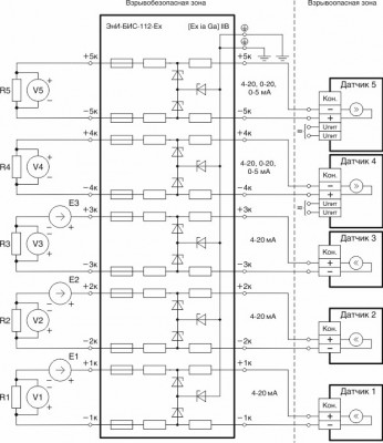
Электрические подключения
- V1, V2, V3, V4, V5 — вольтметры;
- E1 — источник напряжения;
- R1, R2, R3, R4, R5 — сопротивления нагрузки;
- Датчики 1, 2, 3, 4, 5 — пассивные датчики с выходным токовым сигналом 4…20 мА и питанием по двухпроводной линии.
Схема подключения пассивного барьера ЭнИ-БИС-112-Ex с одним источником питания
- V1, V2, V3, V4, V5 — вольтметры;
- E1, E2, E3 — источники напряжения;
- R1, R2, R3, R4, R5 — сопротивления нагрузки;
- Датчики 1, 2, 3 — пассивные датчики с выходным токовым сигналом 4…20 мА и питанием по двухпроводной линии;
- Датчики 4, 5 — активные датчики с выходными токовыми сигналами 0…5, 0…20 и 4…20 мА и внешним питанием.
Схема подключения пассивного барьера ЭнИ-БИС-112-Ex с гальванически развязанными источниками питания
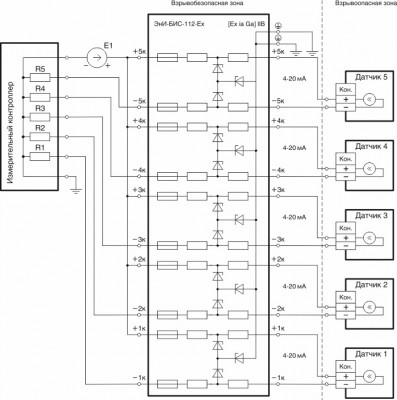
- E1 — источник напряжения;
- R1, R2, R3, R4, R5 — сопротивления нагрузки;
- Датчики 1, 2, 3, 4, 5 — пассивные датчики с выходным токовым сигналом 4…20 мА и питанием по двухпроводной линии.
Схема подключения пассивного барьера ЭнИ-БИС-112-Ex с измерительным контроллером с
объединенными минусами измерительных цепей
Габариты и индикация исполнение 01

1 — клеммники для подключения искроопасных цепей;
2 — клеммники для подключения искробезопасных цепей;
3 — гарантийная этикетка.
Габариты и индикация исполнение DIN

1 — клеммники для подключения искроопасных цепей;
2 — клеммники для подключения искробезопасных цепей;
3 — гарантийная этикетка;
4 — DIN-рейка.
Технические характеристики, условия эксплуатации
| Параметр | Значение | |
|---|---|---|
| Температура окружающего воздуха, °С | −40…+70 | |
| По устойчивости к климатическим воздействиям при эксплуатации соответствует группе исполнения, по ГОСТ Р 52931–2008 | С3 | |
| По устойчивости к механическим воздействиям при эксплуатации соответствует группе, по ГОСТ Р 52931–2008 | L3 | |
| Степень защиты от пыли и влаги, по ГОСТ 14254–96 | IP30 | |
| Конструктивное исполнение | пластмассовый корпус с установкой в щит — исполнение 01
пластмассовый корпус с установкой на рейку DIN — исполнение DIN |
|
| Масса, кг | не более 1,0 | |
Комплект поставки
| Наименование | Обозначение | Количество | Примечание |
| ЭнИ-БИС-112-Ех | ЭИ.187.00.112 | 1 | |
| Паспорт | ЭИ.85.00.000ПС | 1 | |
| Руководство по эксплуатации | ЭИ.85.00.000РЭ | по 1 экземпляру на 30 барьеров, поставляемых в один адрес | |
| DIN-рейка | NS35/7,5 | по заказу | |
Обозначение при заказе
| ЭнИ-БИС-112-Ех | DIN | 360 |
| 1 | 2 | 3 |
1. Наименование.
2. Конструктивное исполнение:
— DIN — монтаж на DIN-рейке;
— 01 — щитовой монтаж.
3. Дополнительная технологическая наработка до 360 часов (по заказу).
Техническое описание ЭнИ-БИС-112-Ex (pdf)
ЭнИ-БИС-113-Ex является двухканальным барьером искрозащиты. Проводит сигналы постоянного тока и напряжения положительной полярности с заземленным минусом (цепь ib).
Вариант применения: подключение устройств с максимальным током потребления до 50 мА, например, организация питания датчиков, расходомеров и других устройств, находящихся во взрывоопасной зоне по первому каналу и подключение устройств по интерфейсу RS-485 по второму каналу.
Характеристики взрывозащиты
| Наименование | Маркировка | Uвх.max, В | Iпр, мА | Rмax, Oм | Rвв мах, Ом | Rнв мах, Ом | Um, В | Uо, В | Iо, мА | Pо, Вт | Со, мкФ | Lо, мГн | ||
| IIС | IIB | IIC | IIB | |||||||||||
| ЭнИ-БИС-113-Ex | [Ех ib Gb] IIВ | 24,0
5,7 |
100
40 |
88
31 |
88
31 |
—
— |
250 | 25,5
8,0 |
374
800 |
2,39
1,60 |
—
— |
0,4
50 |
—
— |
0,5
0,01 |
В таблице первая строка — характеристики канала «питание 50 мА», вторая строка — характеристики каналов «RS-485»
Электрические подключения

E1 — источник напряжения;
Датчик — датчик с интерфейсом RS-485 и максимальным током потребления 50 мА.
Габариты и индикация исполнение 01
1 — клеммники для подключения искроопасных цепей;
2 — клеммники для подключения искробезопасных цепей;
3 — гарантийная этикетка.
Габариты и индикация исполнение DIN
Технические характеристики, условия эксплуатации
| Параметр | Значение |
|---|---|
| Температура окружающего воздуха, °С | −40…+70 |
| По устойчивости к климатическим воздействиям при эксплуатации соответствует группе исполнения, по ГОСТ Р 52931–2008 | С3 |
| По устойчивости к механическим воздействиям при эксплуатации соответствует группе, по ГОСТ Р 52931–2008 | L3 |
| Степень защиты от пыли и влаги, по ГОСТ 14254–96 | IP30 |
| Конструктивное исполнение | пластмассовый корпус с установкой в щит — исполнение 01
пластмассовый корпус с установкой на рейку DIN — исполнение DIN |
| Масса, кг | не более 1,0 |
Комплект поставки
| Наименование | Обозначение | Количество | Примечание |
| ЭнИ-БИС-113-Ех | ЭИ.187.00.113 | 1 | |
| Паспорт | ЭИ.85.00.000ПС | 1 | |
| Руководство по эксплуатации | ЭИ.85.00.000РЭ | по 1 экземпляру на 30 барьеров, поставляемых в один адрес | |
| DIN-рейка | NS35/7,5 | по заказу | |
Обозначение при заказе
| ЭнИ-БИС-113-Ех | DIN | 360 |
|---|---|---|
| 1 | 2 | 3 |
1. Наименование.
2. Конструктивное исполнение:
— DIN — монтаж на DIN-рейке;
— 01 — щитовой монтаж.
3. Дополнительная технологическая наработка до 360 часов (по заказу).
Техническое описание ЭнИ-БИС-113-Ex (pdf)
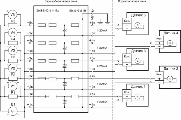
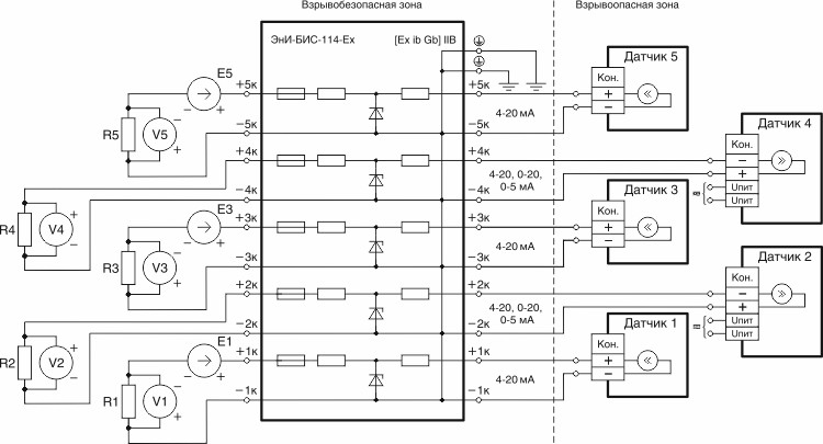
ЭнИ-БИС-114-Ex является пятиканальным барьером искрозащиты, включающий в себя пять однотипных каналов. Проводит сигналы постоянного тока и напряжения положительной полярности с заземленным минусом (цепь ib). Отличается от барьера ЭнИ-БИС-110-Ех напряжением Uо и подгруппой электрооборудования.
Вариант применения: передача унифицированных токовых сигналов.
Характеристики взрывозащиты
| Наименование | Маркировка | Uвх.max, В | Iпр, мА | Rмax, Oм | Rвв мах, Ом | Rнв мах, Ом | Um, В | Uо, В | Iо, мА | Pо, Вт | Со, мкФ | Lо, мГн | ||
| IIС | IIB | IIC | IIB | |||||||||||
| ЭнИ-БИС-114-Ex | [Ех ib Gb] IIВ | 25,4 | 40 | 156 | 156 | — | 250 | 29,0 | 260 | 1,89 | — | 0,3 | — | 1,05 |
Электрические подключения

- V1, V2, V3, V4, V5 — вольтметры;
- E1 — источник напряжения;
- R1, R2, R3, R4, R5 — сопротивления нагрузки;
- Датчик 1, 2, 3, 4, 5 — пассивные датчики с выходным токовым сигналом 4…20 мА и питанием по двухпроводной линии.
Схема подключения пассивного барьера ЭнИ-БИС-114-Ex с одним источником питания

- V1, V2, V3, V4, V5 — вольтметры;
- E1, Е2, Е3, Е4, Е5 — источники напряжения;
- R1, R2, R3, R4, R5 — сопротивления нагрузки;
- Датчики 1, 3, 5 — пассивные датчики с выходным токовым сигналом 4…20 мА и питанием по двухпроводной линии;
- Датчики 2, 4 — активные датчики с выходными токовыми сигналами 0…5, 0…20 и 4…20 мА и внешним питанием.
Схема подключения пассивного барьера ЭнИ-БИС-114-Ex с гальванически развязанными источниками питания
Габариты и индикация исполнение 01

1 — клеммники для подключения искроопасных цепей;
2 — клеммники для подключения искробезопасных цепей;
3 — гарантийная этикетка.
Габариты и индикация исполнение DIN
Технические характеристики, условия эксплуатации
| Параметр | Значение |
|---|---|
| Температура окружающего воздуха, °С | −40…+70 |
| По устойчивости к климатическим воздействиям при эксплуатации соответствует группе исполнения, по ГОСТ Р 52931–2008 | С3 |
| По устойчивости к механическим воздействиям при эксплуатации соответствует группе, по ГОСТ Р 52931–2008 | L3 |
| Степень защиты от пыли и влаги, по ГОСТ 14254–96 | IP30 |
| Конструктивное исполнение | пластмассовый корпус с установкой в щит — исполнение 01
пластмассовый корпус с установкой на рейку DIN — исполнение DIN |
| Масса, кг | не более 1,0 |
Комплект поставки
| Наименование | Обозначение | Количество | Примечание |
| ЭнИ-БИС-114-Ех | ЭИ.187.00.114 | 1 | |
| Паспорт | ЭИ.85.00.000ПС | 1 | |
| Руководство по эксплуатации | ЭИ.85.00.000РЭ | по 1 экземпляру на 30 барьеров, поставляемых в один адрес | |
| DIN-рейка | NS35/7,5 | по заказу | |
Обозначение при заказе
| ЭнИ-БИС-114-Ех | DIN | 360 |
|---|---|---|
| 1 | 2 | 3 |
1. Наименование.
2. Конструктивное исполнение:
— DIN — монтаж на DIN-рейке;
— 01 — щитовой монтаж.
3. Дополнительная технологическая наработка до 360 часов (по заказу).
Техническое описание ЭнИ-БИС-114-Ex (pdf)
ЭнИ-БИС-115-Ex является двухканальным барьером искрозащиты. Проводит сигналы постоянного тока и напряжения положительной полярности.
Вариант применения: подключение устройств, находящихся во взрывоопасной зоне по интерфейсу RS-485.
Наличие двух каналов позволяет реализовать передачу данных в полнодуплексном режиме (интерфейс RS-422)
Характеристики взрывозащиты
| Наименование | Маркировка | Uвх.max, В | Iпр, мА | Rмax, Oм | Rвв мах, Ом | Rнв мах, Ом | Um, В | Uо, В | Iо, мА | Pо, Вт | Со, мкФ | Lо, мГн | ||
| IIС | IIB | IIC | IIB | |||||||||||
| ЭнИ-БИС-115-Ex | [Ех ib Gb] IIВ | 5,7 | 40 | 31 | 31 | — | 250 | 8,0 | 800 | 1,6 | — | 5,0 | — | 0,01 |
Электрические подключения

- Датчик — датчик с интерфейсом RS-422.

- Датчик — датчик с интерфейсом RS-485.
Габариты и индикация исполнение 01

1 — клеммники для подключения искроопасных цепей;
2 — клеммники для подключения искробезопасных цепей;
3 — гарантийная этикетка.
Габариты и индикация исполнение DIN

1 — клеммники для подключения искроопасных цепей;
2 — клеммники для подключения искробезопасных цепей;
3 — гарантийная этикетка;
4 — DIN-рейка.
Технические характеристики, условия эксплуатации
| Параметр | Значение |
|---|---|
| Температура окружающего воздуха, °С | −40…+70 |
| По устойчивости к климатическим воздействиям при эксплуатации соответствует группе исполнения, по ГОСТ Р 52931–2008 | С3 |
| По устойчивости к механическим воздействиям при эксплуатации соответствует группе, по ГОСТ Р 52931–2008 | L3 |
| Степень защиты от пыли и влаги, по ГОСТ 14254–96 | IP30 |
| Конструктивное исполнение | пластмассовый корпус с установкой в щит — исполнение 01
пластмассовый корпус с установкой на рейку DIN — исполнение DIN |
| Масса, кг | не более 1,0 |
Комплект поставки
| Наименование | Обозначение | Количество | Примечание |
| ЭнИ-БИС-115-Ех | ЭИ.187.00.115 | 1 | |
| Паспорт | ЭИ.85.00.000ПС | 1 | |
| Руководство по эксплуатации | ЭИ.85.00.000РЭ | по 1 экземпляру на 30 барьеров, поставляемых в один адрес | |
| DIN-рейка | NS35/7,5 | по заказу | |
Обозначение при заказе
| ЭнИ-БИС-115-Ех | DIN | 360 |
|---|---|---|
| 1 | 2 | 3 |
1. Наименование.
2. Конструктивное исполнение:
— DIN — монтаж на DIN-рейке;
— 01 — щитовой монтаж.
3. Дополнительная технологическая наработка до 360 часов (по заказу).
Техническое описание ЭнИ-БИС-115-Ex (pdf)
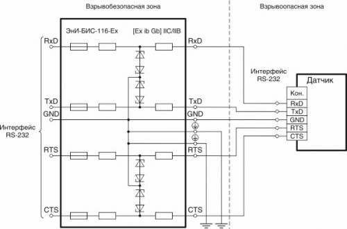
ЭнИ-БИС-116-Ex является одноканальным барьером искрозащиты. Передает сигналы постоянного и переменного тока и напряжения.
Предназначен для передачи сигналов интерфейса RS-232 (цепи RxD, TxD, GND, RTS, CTS).
Характеристики взрывозащиты,
| Наименование | Маркировка | Uвх.max, В | Iпр, мА | Rмax, Oм | Rвв мах, Ом | Rнв мах, Ом | Um, В | Uо, В | Iо, мА | Pо, Вт | Со, мкФ | Lо, мГн | ||
| IIС | IIB | IIC | IIB | |||||||||||
| ЭнИ-БИС-116-Ex | [Ех ib Gb] IIC/IIВ | 10,2 | 40 | 110 | 55 | 55 | 250 | 12,5 | 750 | 2,35 | 0,34 | 0,51 | 0,05 | 0,014 |
Электрические подключения
Датчик — датчик с интерфейсом RS-232.
Габариты и индикация исполнение 01
1 — клеммники для подключения искроопасных цепей;
2 — клеммники для подключения искробезопасных цепей;
3 — гарантийная этикетка.
Габариты и индикация исполнение DIN
Технические характеристики, условия эксплуатации
| Параметр | Значение |
|---|---|
| Температура окружающего воздуха, °С | −40…+70 |
| По устойчивости к климатическим воздействиям при эксплуатации соответствует группе исполнения, по ГОСТ Р 52931–2008 | С3 |
| По устойчивости к механическим воздействиям при эксплуатации соответствует группе, по ГОСТ Р 52931–2008 | L3 |
| Степень защиты от пыли и влаги, по ГОСТ 14254–96 | IP30 |
| Конструктивное исполнение | пластмассовый корпус с установкой в щит — исполнение 01
пластмассовый корпус с установкой на рейку DIN — исполнение DIN |
| Масса, кг | не более 1,0 |
Комплект поставки
| Наименование | Обозначение | Количество | Примечание |
| ЭнИ-БИС-116-Ех | ЭИ.187.00.116 | 1 | |
| Паспорт | ЭИ.85.00.000ПС | 1 | |
| Руководство по эксплуатации | ЭИ.85.00.000РЭ | по 1 экземпляру на 30 барьеров, поставляемых в один адрес | |
| DIN-рейка | NS35/7,5 | по заказу | |
Обозначение при заказе
| ЭнИ-БИС-116-Ех | DIN | 360 |
|---|---|---|
| 1 | 2 | 3 |
1. Наименование.
2. Конструктивное исполнение:
— DIN — монтаж на DIN-рейке;
— 01 — щитовой монтаж.
3. Дополнительная технологическая наработка до 360 часов (по заказу).
Техническое описание ЭнИ-БИС-116-Ex (pdf)
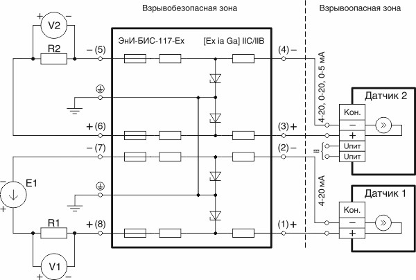
ЭнИ-БИС-117-Ex является двухканальным барьером искрозащиты, включающий в себя два однотипных канала. Проводит сигналы постоянного тока и напряжения. Барьер искробезопасности предназначен для работы с устройствами, формирующими однополярные сигналы. Отличается от барьера ЭнИ-БИС-108-Ех схемой включения стабилитронов (проводит сигналы только положительной полярности) и напряжением Uо.
Вариант применения: подключение термопреобразователей сопротивления по четырехпроводной схеме или передача унифицированных токовых сигналов.
Характеристики взрывозащиты
| Наименование | Маркировка | Uвх.max, В | Iпр, мА | Rмax, Oм | Rвв мах, Ом | Rнв мах, Ом | Um, В | Uо, В | Iо, мА | Pо, Вт | Со, мкФ | Lо, мГн | ||
| IIС | IIB | IIC | IIB | |||||||||||
| ЭнИ-БИС-117-Ex | [Ех ia Ga] IIC/IIВ | 24,3 | 40 | 390 | 195 | 195 | 250 | 27,0 | 91 | 0,61 | 0,05 | 0,11 | 0,5 | 1,0 |
Электрические подключения
- V1 — вольтметр;
- I1 — генератор тока;
- Тс — термометр сопротивления (четырехпроводная схема подключения).

- E1 — источник напряжения;
- R1, R2 — сопротивления нагрузки;
- V1, V2 — вольтметры;
- Датчик 1 — пассивный датчик с выходным токовым сигналом 4…20 мА и питанием по двухпроводной линии;
- Датчик 2 — активный датчик с выходными токовыми сигналами 0…5, 0…20 и 4…20 мА и внешним питанием.
Габариты и индикация

1 — клеммники для подключения искроопасных цепей;
2 — клеммники для подключения искробезопасных цепей;
3 — винты М4 для подключения заземления;
4 — DIN-рейка;
5 — гарантийная этикетка.
Технические характеристики, условия эксплуатации
| Параметр | Значение |
|---|---|
| Температура окружающего воздуха, °С | −10…+50 |
| По устойчивости к климатическим воздействиям при эксплуатации соответствует группе исполнения, по ГОСТ Р 52931–2008 | С3 |
| По устойчивости к механическим воздействиям при эксплуатации соответствует группе, по ГОСТ Р 52931–2008 | L3 |
| Степень защиты от пыли и влаги, по ГОСТ 14254–96 | IP30 |
| Конструктивное исполнение | пластмассовый корпус с установкой на рейку DIN или на стену |
| Масса, кг | не более 1,0 |
Комплект поставки
| Наименование | Обозначение | Количество | Примечание |
| ЭнИ-БИС-117-Ех | ЭИ.187.00.117 | 1 | |
| Паспорт | ЭИ.85.00.000ПС | 1 | |
| Руководство по эксплуатации | ЭИ.85.00.000РЭ | по 1 экземпляру на 30 барьеров, поставляемых в один адрес | |
| DIN-рейка | NS35/7,5 | по заказу | |
Обозначение при заказе
| ЭнИ-БИС-117-Ех | 360 |
|---|---|
| 1 | 2 |
1. Наименование.
2. Дополнительная технологическая наработка до 360 часов (по заказу).
ЭнИ-БИС-118-Ex является одноканальным барьером искрозащиты. Проводит сигналы постоянного тока и напряжения.
Вариант применения: подключение устройств с максимальным током потребления до 50 мА, например, организация питания датчиков, расходомеров и других устройств, находящихся во взрывоопасной зоне.
Характеристики взрывозащиты
| Наименование | Маркировка | Uвх.max, В | Iпр, мА | Rмax, Oм | Rвв мах, Ом | Rнв мах, Ом | Um, В | Uо, В | Iо, мА | Pо, Вт | Со, мкФ | Lо, мГн | ||
| IIС | IIB | IIC | IIB | |||||||||||
| ЭнИ-БИС-118-Ex | [Ех ib Gb] IIВ | 24,0 | 100 | 88 | 88 | — | 250 | 25,5 | 374 | 2,39 | — | 0,4 | — | 1,0 |
Электрические подключения

E1 — источник напряжения;
Датчик — датчик с максимальным током потребления 50 мА.
Габариты и индикация исполнение 01

1 — клеммники для подключения искроопасных цепей;
2 — клеммники для подключения искробезопасных цепей;
3 — гарантийная этикетка.
Габариты и индикация исполнение DIN

1 — клеммники для подключения искроопасных цепей;
2 — клеммники для подключения искробезопасных цепей;
3 — гарантийная этикетка;
4 — DIN-рейка.
Технические характеристики, условия эксплуатации
| Параметр | Значение |
|---|---|
| Температура окружающего воздуха, °С | −40…+70 |
| По устойчивости к климатическим воздействиям при эксплуатации соответствует группе исполнения, по ГОСТ Р 52931–2008 | С3 |
| По устойчивости к механическим воздействиям при эксплуатации соответствует группе, по ГОСТ Р 52931–2008 | L3 |
| Степень защиты от пыли и влаги, по ГОСТ 14254–96 | IP30 |
| Конструктивное исполнение | пластмассовый корпус с установкой в щит — исполнение 01
пластмассовый корпус с установкой на рейку DIN — исполнение DIN |
| Масса, кг | не более 1,0 |
Комплект поставки
| Наименование | Обозначение | Количество | Примечание |
| ЭнИ-БИС-117-Ех | ЭИ.187.00.117 | 1 | |
| Паспорт | ЭИ.85.00.000ПС | 1 | |
| Руководство по эксплуатации | ЭИ.85.00.000РЭ | по 1 экземпляру на 30 барьеров, поставляемых в один адрес | |
| DIN-рейка | NS35/7,5 | по заказу | |
Обозначение при заказе
| ЭнИ-БИС-118-Ех | DIN | 360 |
|---|---|---|
| 1 | 2 | 3 |
1. Наименование.
2. Конструктивное исполнение:
— DIN — монтаж на DIN-рейке;
— 01 — щитовой монтаж.
3. Дополнительная технологическая наработка до 360 часов (по заказу).


































